GM Service Manual Online
For 1990-2009 cars only
Makes
🢒
Cadillac
🢒
2002
🢒
Seville
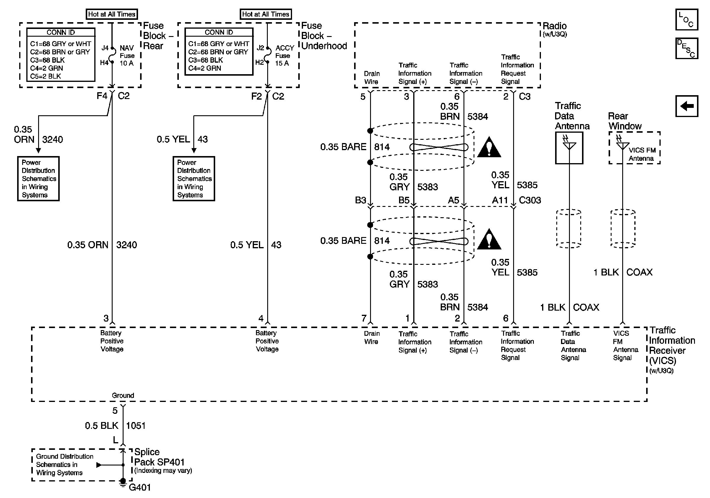
🢒 Traffic Information Receiver (VICS)
Traffic Information Receiver (VICS)
Traffic Information Receiver (VICS)
TV Antenna Module