GM Service Manual Online
For 1990-2009 cars only
Figure 1:

G101 and G105


Object Number: 864265  Size: FS
Master Electrical Component List
G104
Figure 2:

G104


Object Number: 880237  Size: FS
Master Electrical Component List
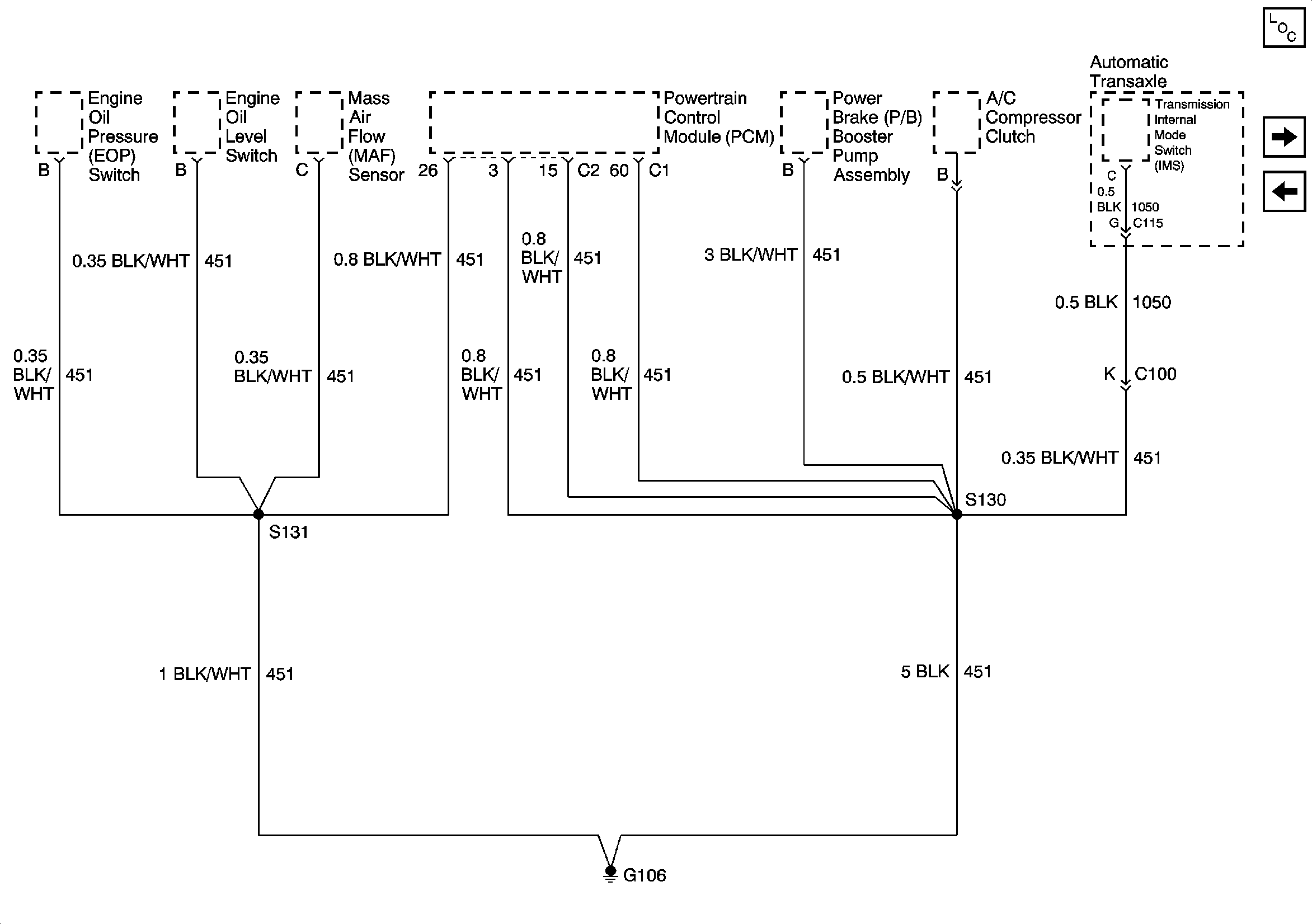
G106
G101 and G105
Figure 3:

G106


Object Number: 896274  Size: FS
Master Electrical Component List
G108, G109, and G110
G104
Figure 4:

G108, G109, and G110


Object Number: 783586  Size: FS
Master Electrical Component List
G200
G106
Figure 5:

G200


Object Number: 783588  Size: FS
Master Electrical Component List
G200 and G202
G108, G109, and G110
SIR Handling Caution
G200 and G202
Figure 6:

G200 and G202


Object Number: 791911  Size: FS
Master Electrical Component List
G201 (1 of 5)
G200
G200
Figure 7:

G201 (1 of 5)


Object Number: 1177176  Size: FS
Master Electrical Component List
G201 (2 of 5)
G200 and G202
G201 (2 of 5)
Figure 8:

G201 (2 of 5)


Object Number: 1177191  Size: FS
Master Electrical Component List
G201 (3 of 5) (LH Drive)
G201 (1 of 5)
G201 (1 of 5)
G201 (3 of 5) (LH Drive)
G201 (4 of 5) (RH Drive)
Figure 9:

G201 (3 of 5) (LH Drive)


Object Number: 1177208  Size: FS
Master Electrical Component List
G201 (4 of 5) (RH Drive)
G201 (2 of 5)
G201 (2 of 5)
G201 (4 of 5) (RH Drive)
Figure 10:

G201 (4 of 5) (RH Drive)


Object Number: 1177202  Size: FS
Master Electrical Component List
G201 (5 of 5)
G201 (3 of 5) (LH Drive)
G201 (2 of 5)
G201 (5 of 5)
Figure 11:

G201 (5 of 5)


Object Number: 1177213  Size: FS
Master Electrical Component List
G300
G201 (4 of 5) (RH Drive)
SIR Handling Caution
G201 (4 of 5) (RH Drive)
Figure 12:

G300


Object Number: 791928  Size: FS
Master Electrical Component List
G301
G201 (5 of 5)
Figure 13:

G301


Object Number: 879663  Size: FS
Master Electrical Component List
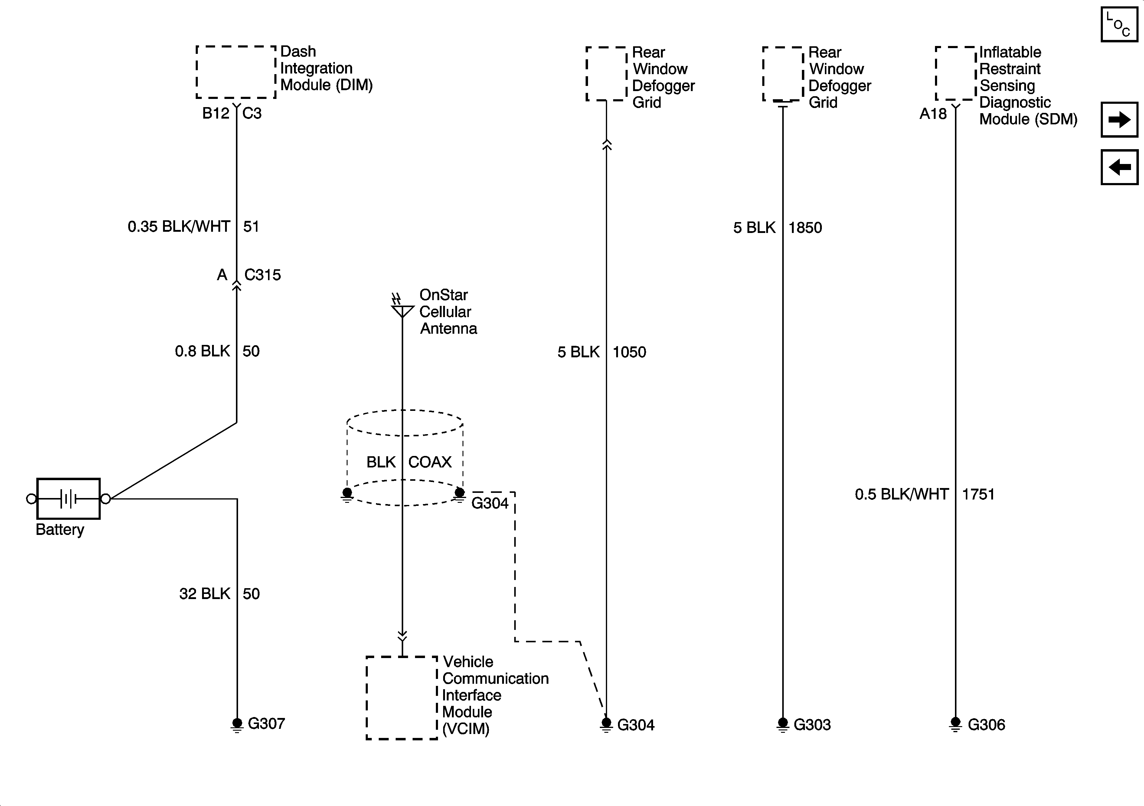
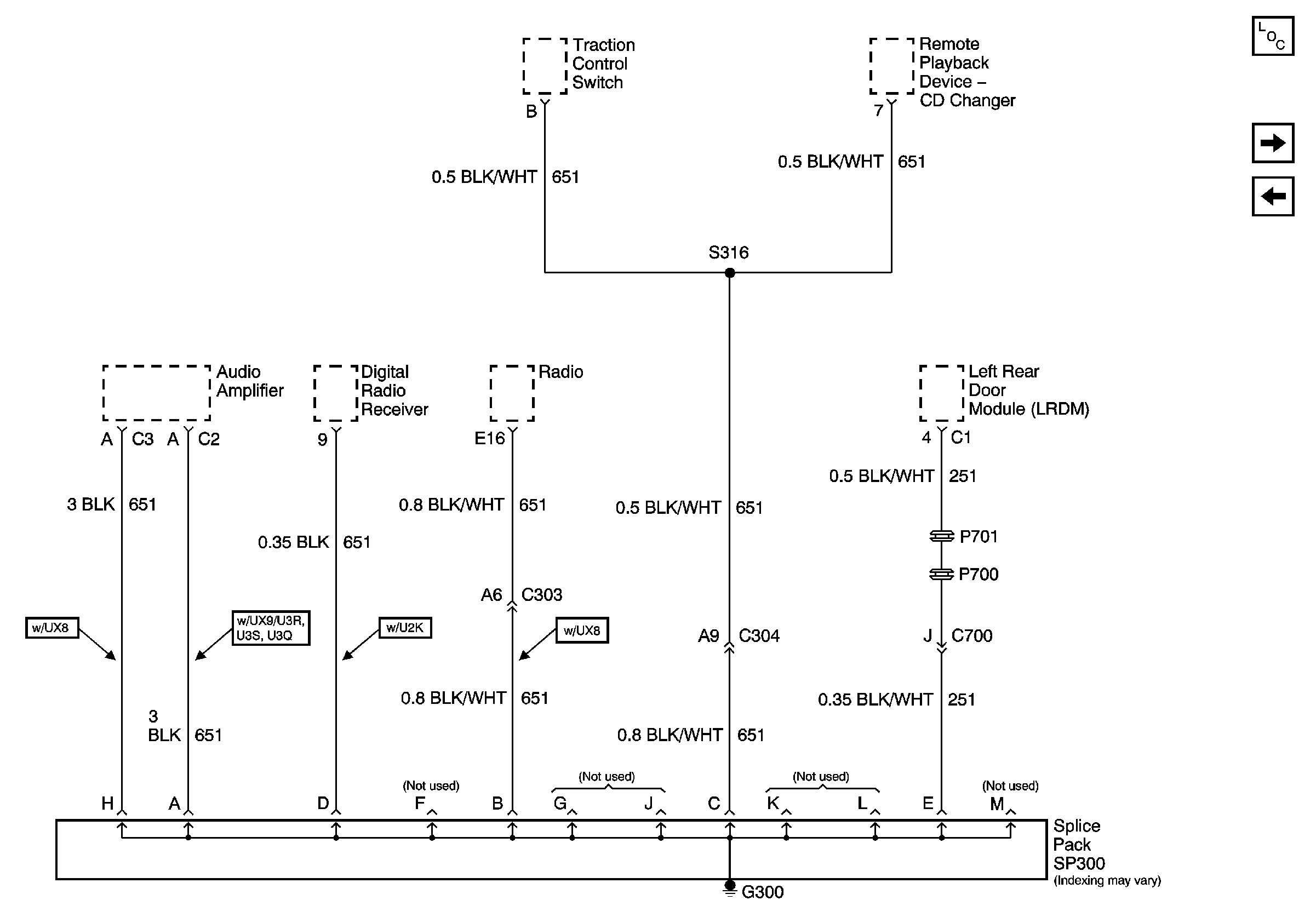
G303, G304, G306, and G307
G300
Figure 14:

G303, G304, G306 and G307


Object Number: 783593  Size: FS
Master Electrical Component List
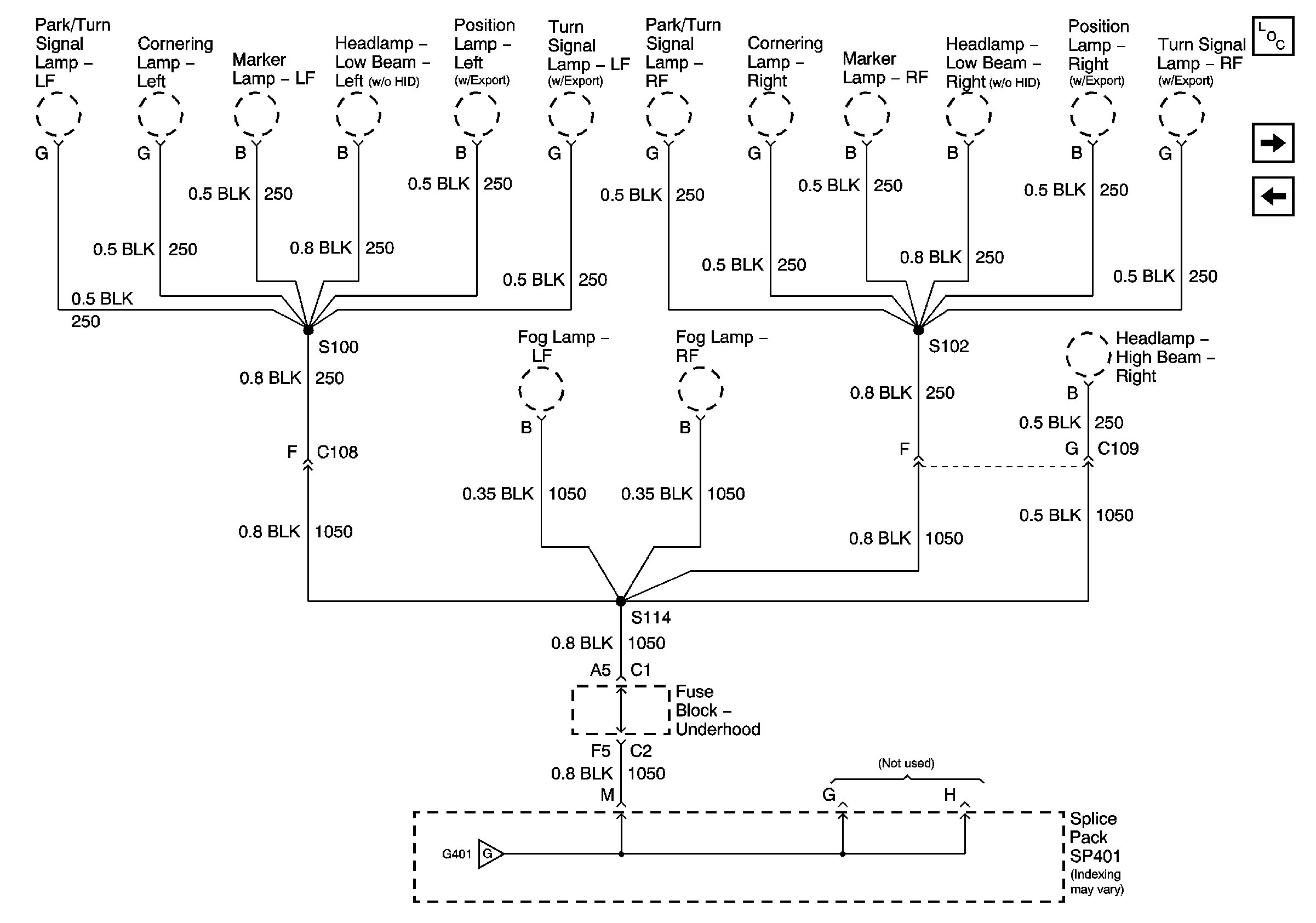
G401 (1 of 3)
G301
Figure 15:

G401 (1 of 3) (Early Production)


Object Number: 886235  Size: FS
Master Electrical Component List
G401 (2 of 3)
G303, G304, G306, and G307
G401 (2 of 3)
Figure 16:

G401 (1 of 3) Late Production)


Object Number: 1202017  Size: FS
Figure 17:

G401 (2 of 3)


Object Number: 783596  Size: FS
Master Electrical Component List
G401 (3 of 3)
G401 (1 of 3)
G401 (1 of 3)
G401 (3 of 3)
Figure 18:

G401 (3 of 3)


Object Number: 791931  Size: FS
Master Electrical Component List
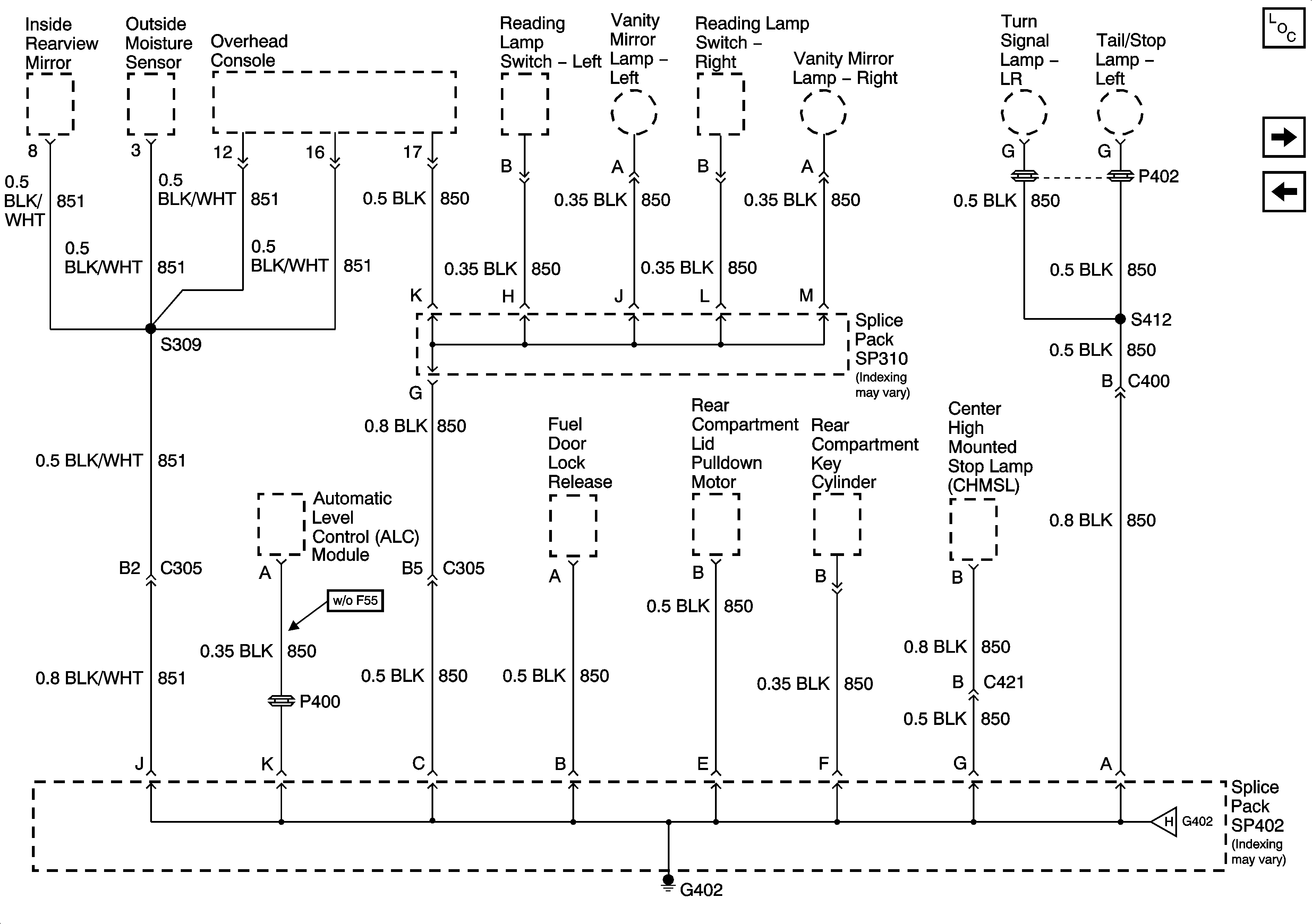
G402 (1 of 2)
G401 (2 of 3)
G401 (2 of 3)
Figure 19:

G402 (1 of 2)


Object Number: 783597  Size: FS
Master Electrical Component List
G402 (2 of 2)
G401 (3 of 3)
G402 (2 of 2)
Figure 20:

G402 (2 of 2)


Object Number: 791932  Size: FS
Master Electrical Component List
G402 (1 of 2)
G402 (1 of 2)