GM Service Manual Online
For 1990-2009 cars only

Exterior Lights Schematics Domestic

Figure 1:

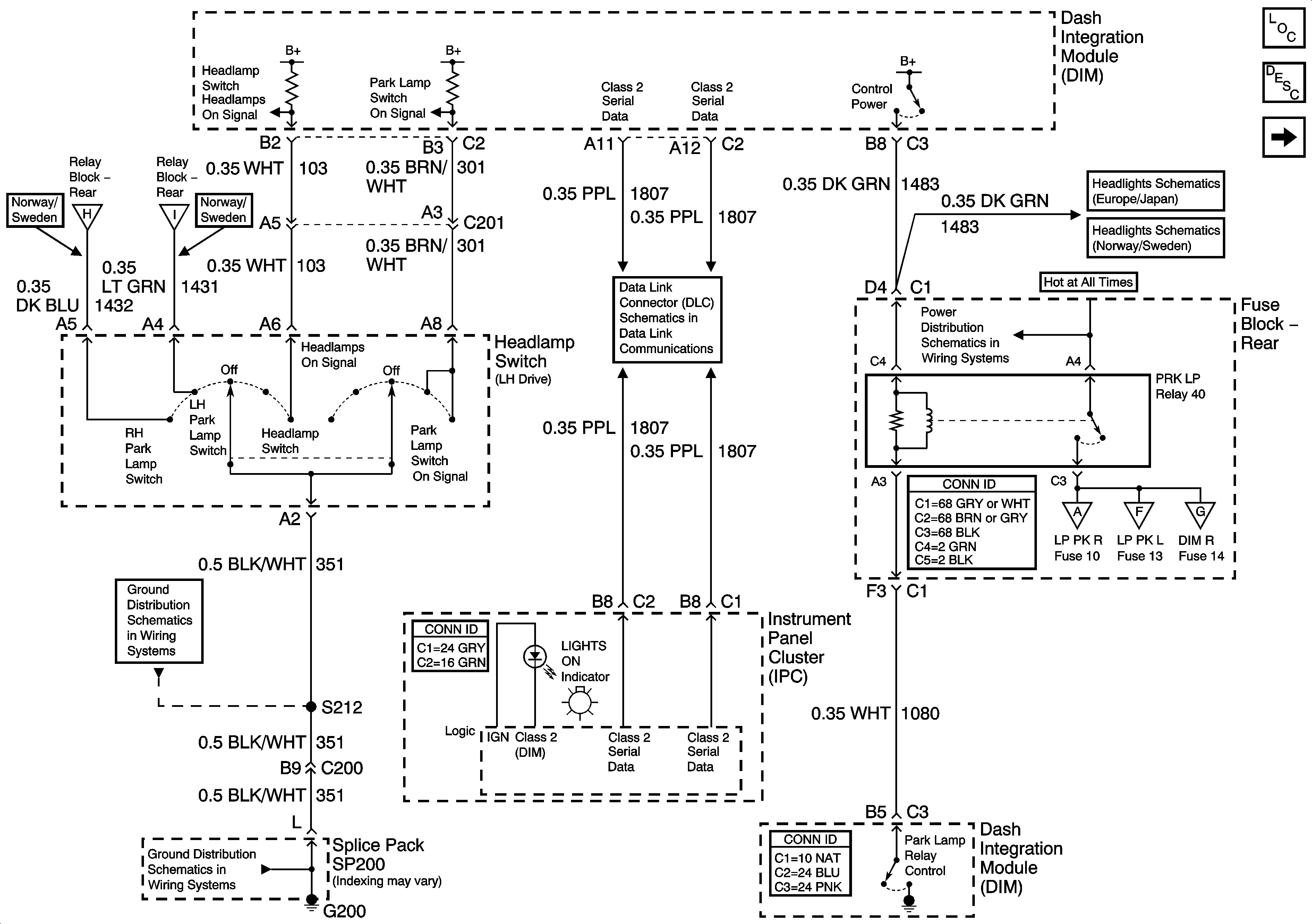
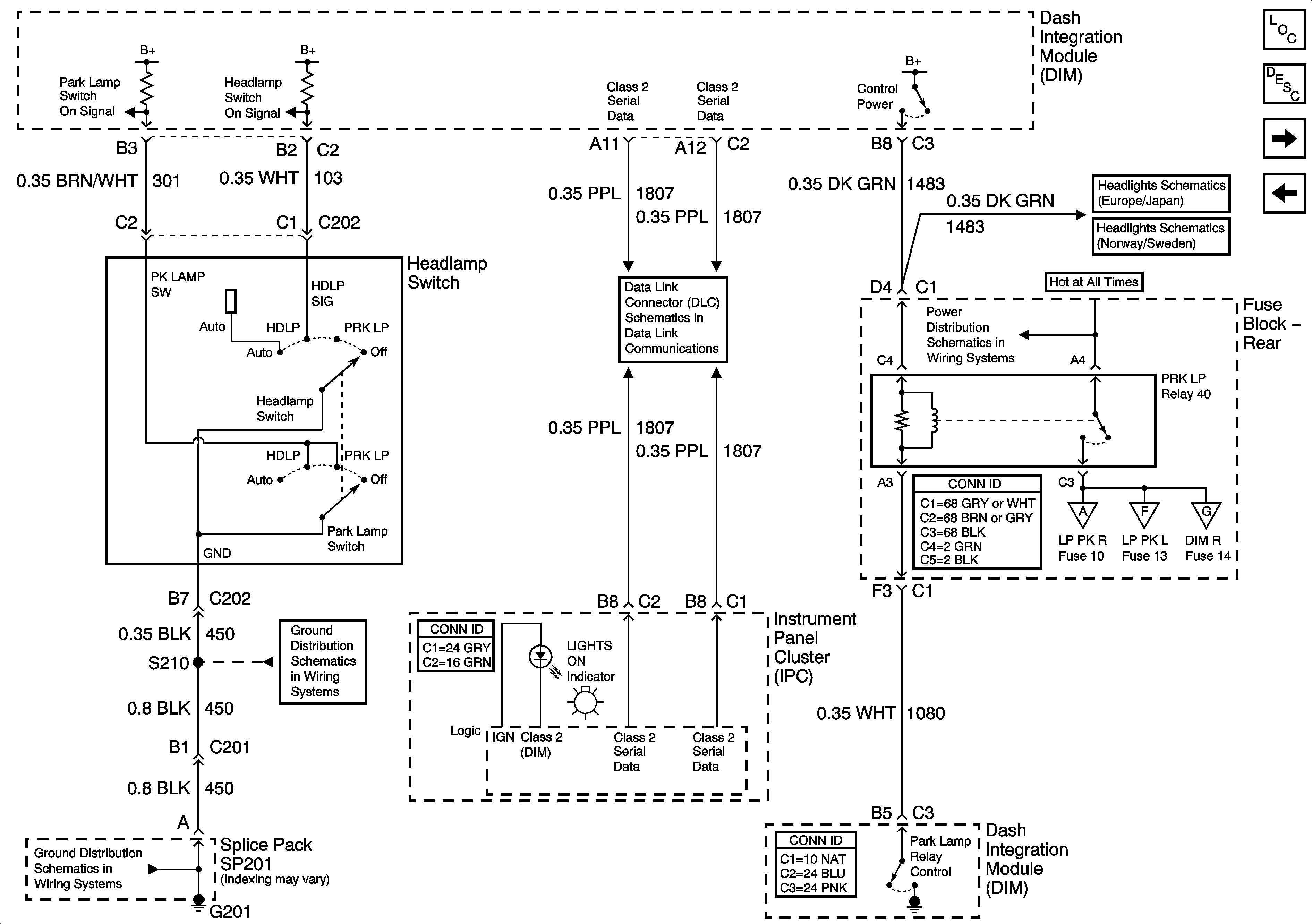
Park Lamp and Class 2


Object Number: 879793  Size: FS
Figure 2:

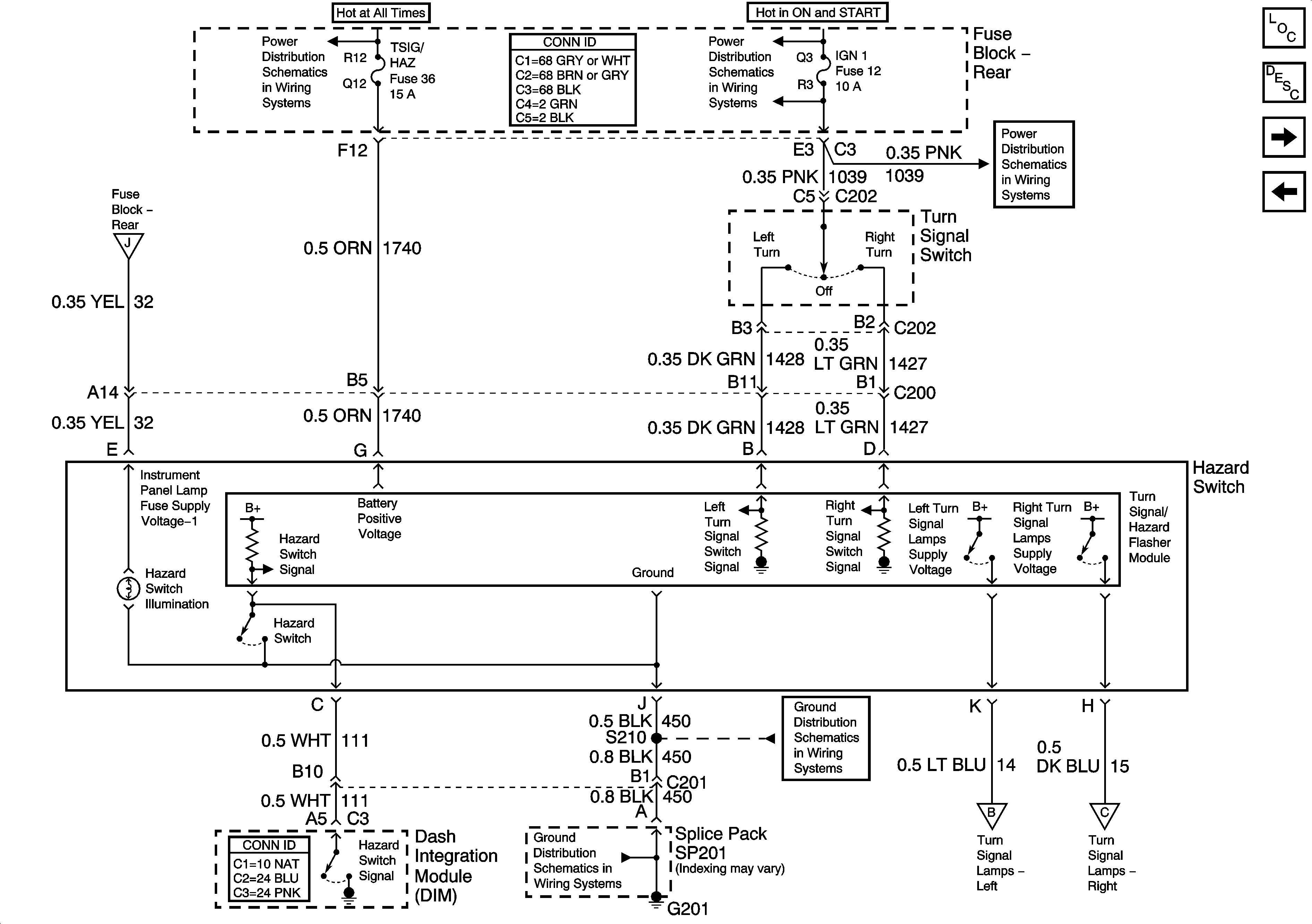
Hazard Switch


Object Number: 879794  Size: FS
Figure 3:

Stop Lamp Switch


Object Number: 879795  Size: FS
Figure 4:

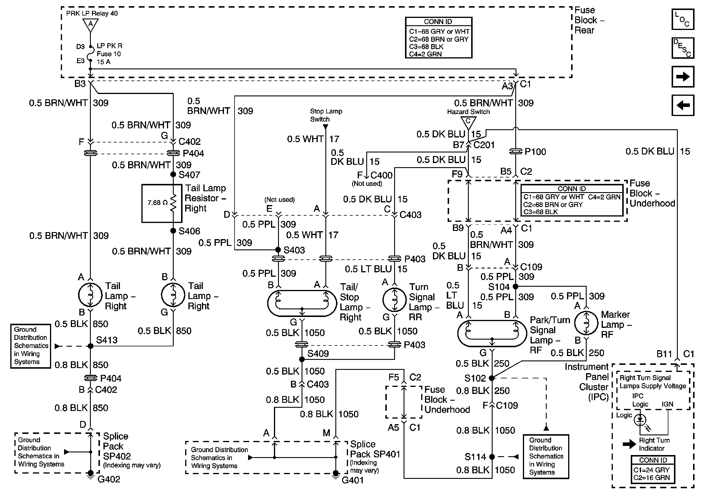
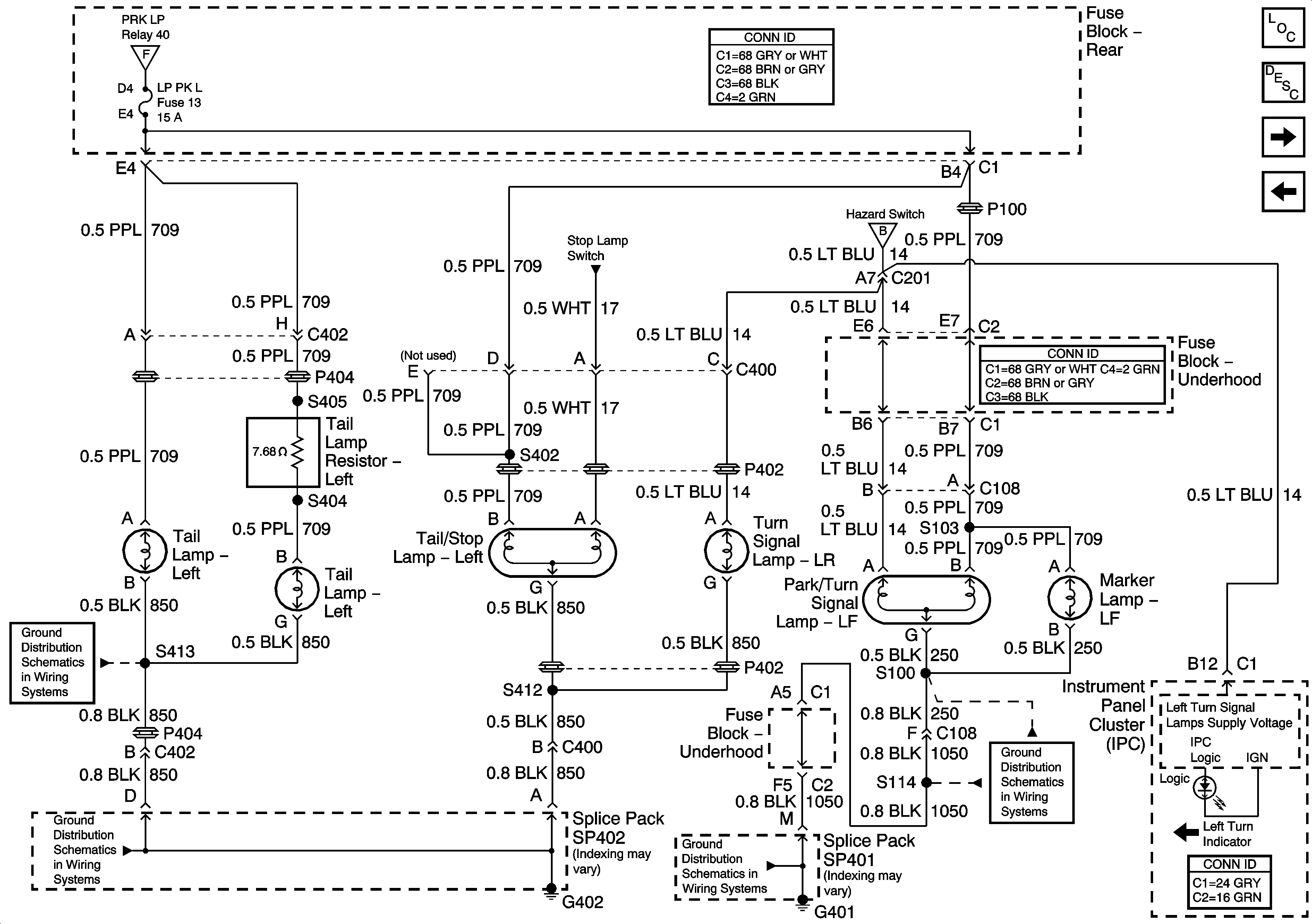
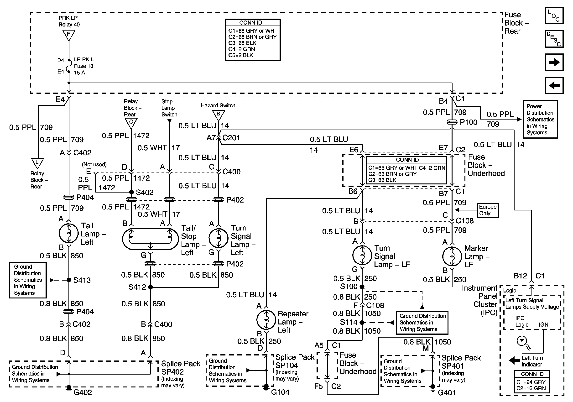
Right Exterior Lights


Object Number: 879796  Size: FS
Figure 5:

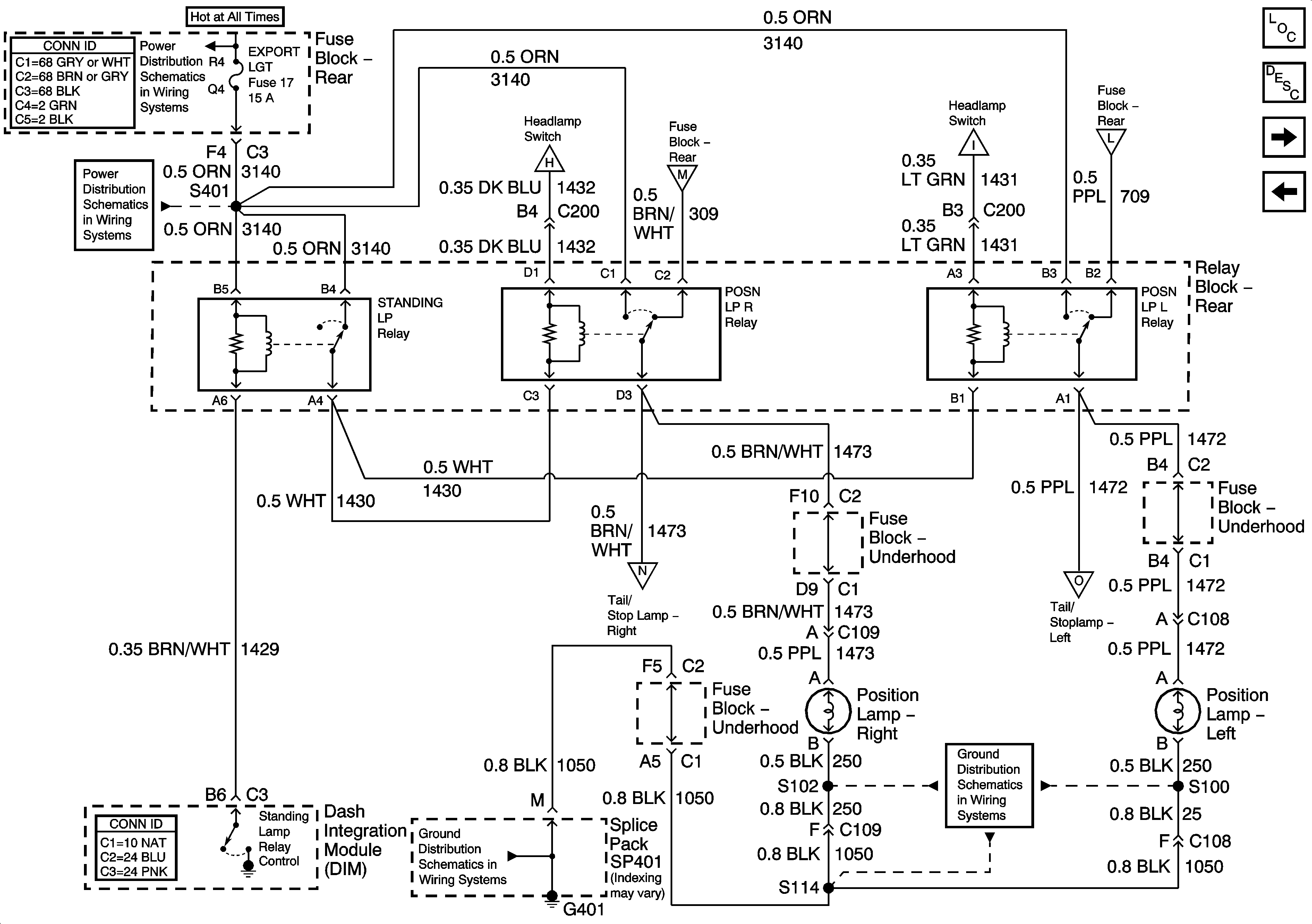
Left Exterior Lights


Object Number: 879800  Size: FS
Figure 6:

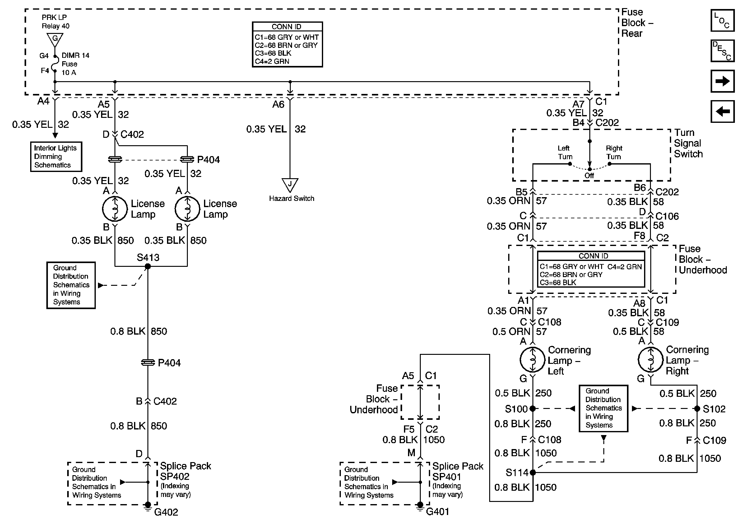
License, Underhood, and Cornering Lamps


Object Number: 864276  Size: FS
Master Electrical Component List
Exterior Lighting Systems Description and Operation
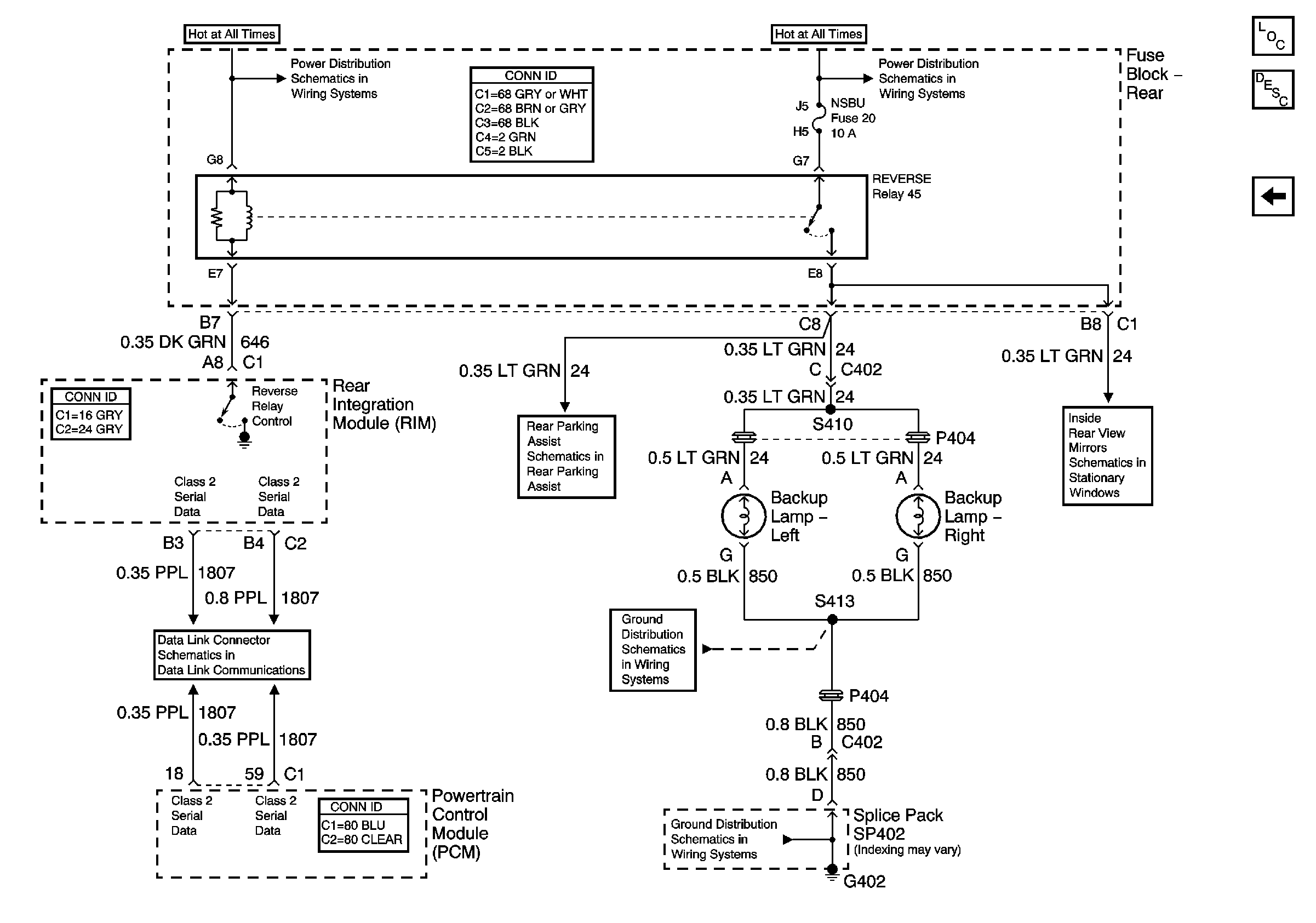
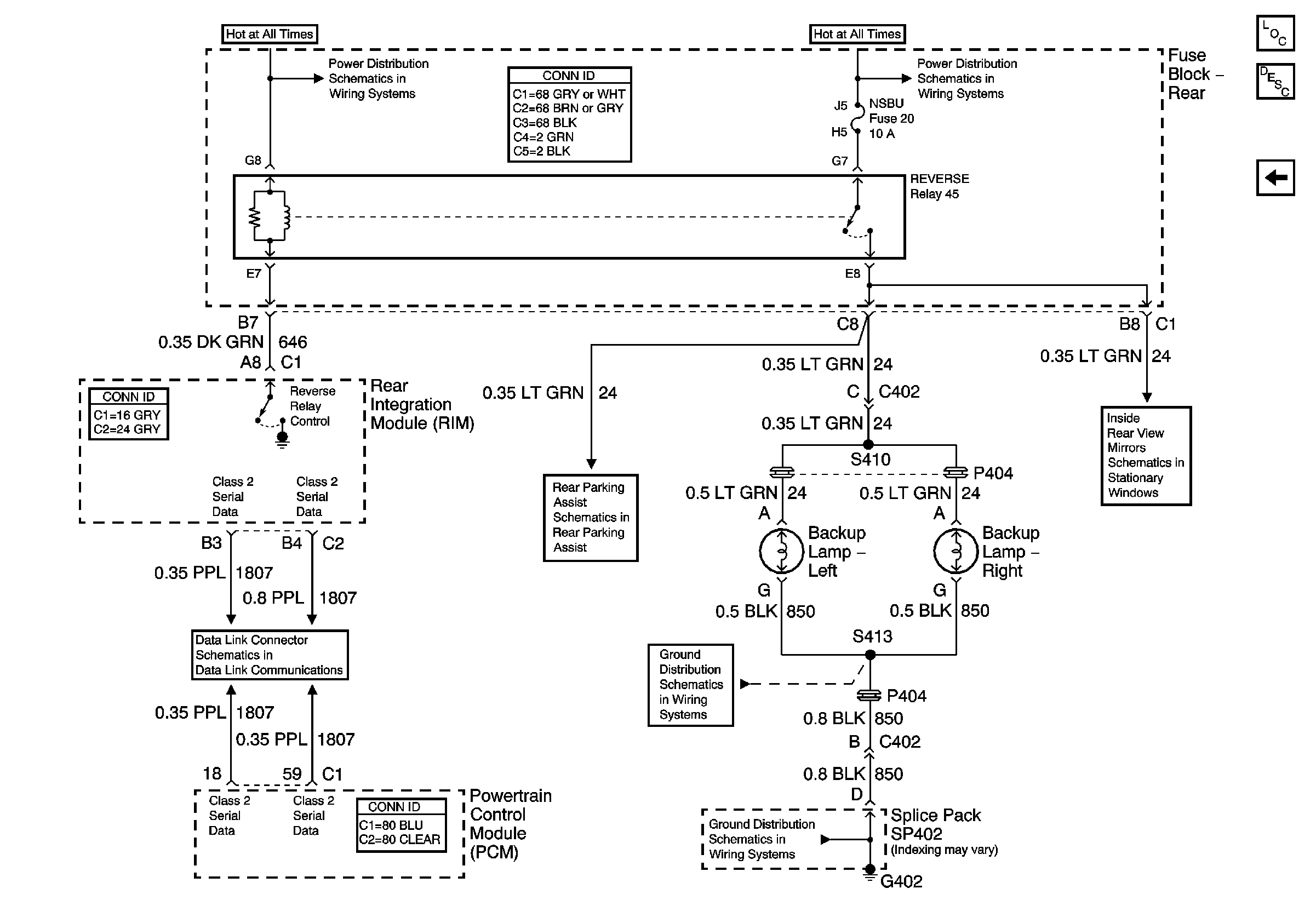
Backup Lights
Left Exterior Lights
G401 3 of 3
G401 3 of 3
G101 and G105
G402 2 of 2
G402 2 of 2
Dimming Control
Park Lamp and Class 2
Hazard Switch
Figure 7:

Backup Lights


Object Number: 879801  Size: FS

Exterior Lights Schematics Export

Figure 1:

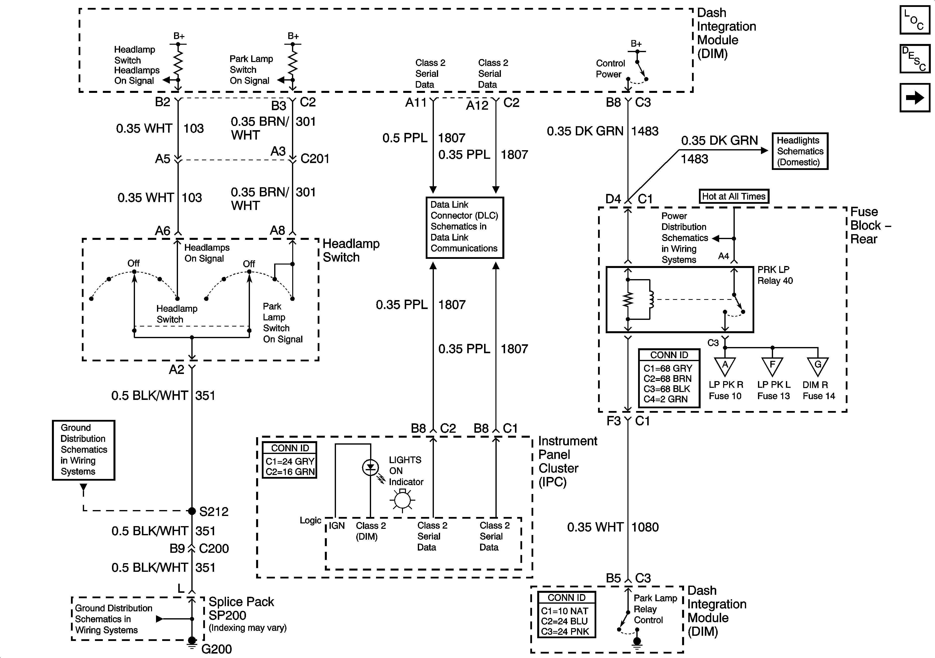
Park Lamp and Class 2


Object Number: 879804  Size: FS
Figure 2:

Park Lamp and Class 2 (RH Drive)


Object Number: 879807  Size: FS
Figure 3:

Hazard Switch


Object Number: 879808  Size: FS
Figure 4:

Stop Lamp Switch


Object Number: 879810  Size: FS
Figure 5:

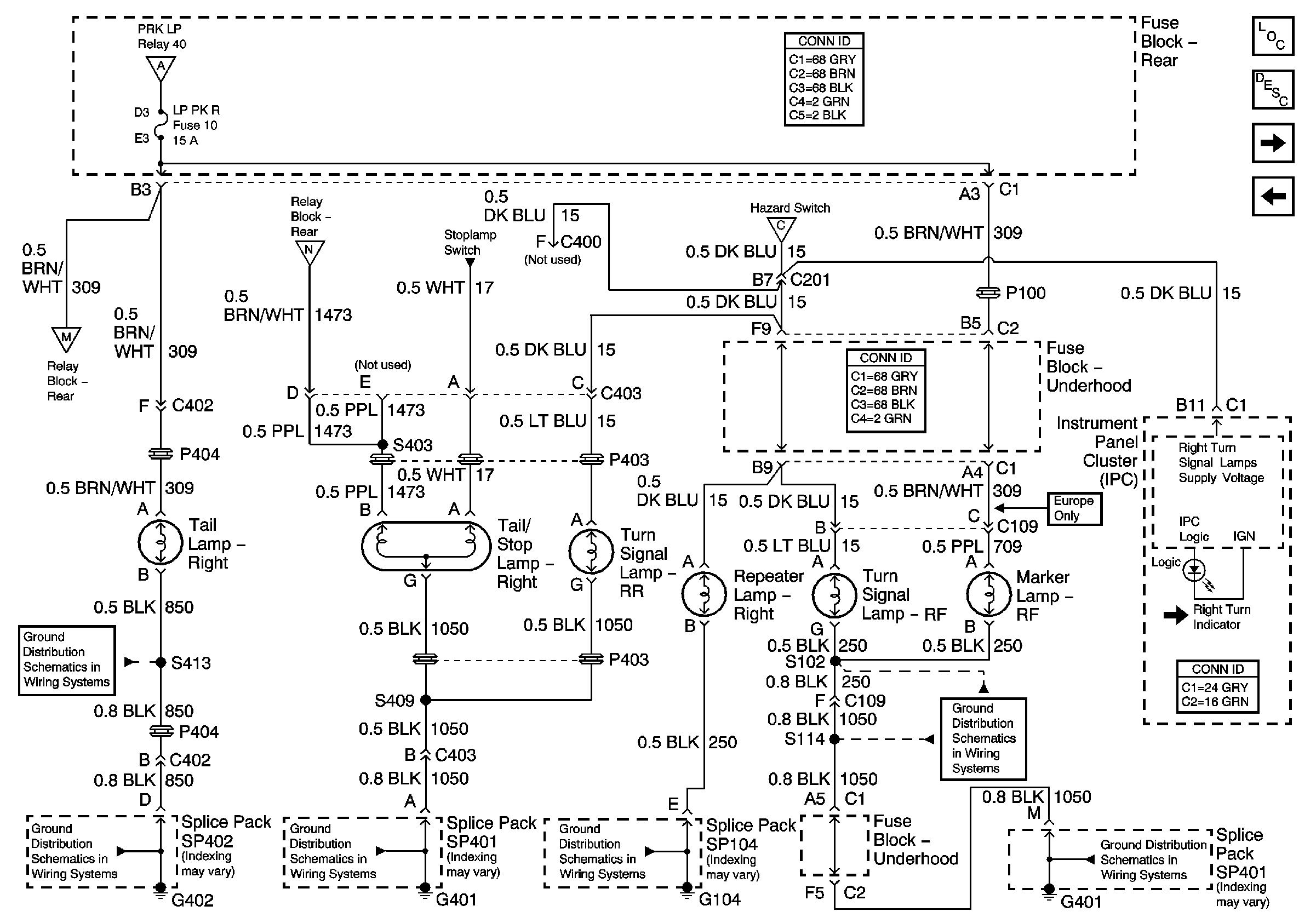
Right Exterior Lights


Object Number: 879812  Size: FS
Figure 6:

Left Exterior Lights


Object Number: 879813  Size: FS
Figure 7:

Position Lamps


Object Number: 879815  Size: FS
Figure 8:

License, Underhood, and Cornering Lamps


Object Number: 864278  Size: FS
Master Electrical Component List
Exterior Lighting Systems Description and Operation
Backup Lights
Position Lamps
G401 3 of 3
G401 3 of 3
G401 3 of 3
G402 2 of 2
G402 2 of 2
Dimming Control
Park Lamp and Class 2
Hazard Switch
Figure 9:

Backup Lights


Object Number: 879870  Size: FS