GM Service Manual Online
For 1990-2009 cars only
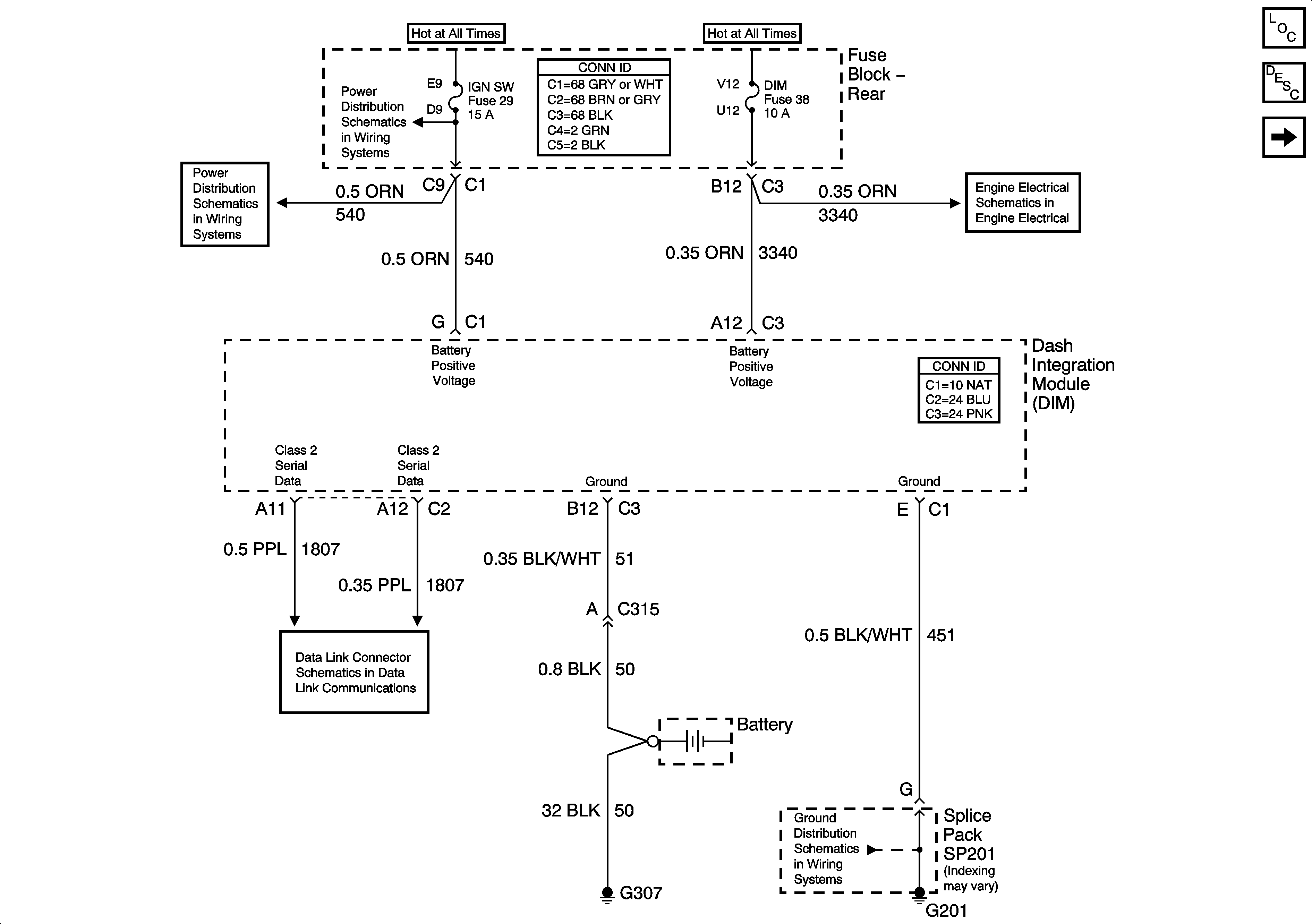
Figure 1:

DIM Power and Ground


Object Number: 879894  Size: FS
Figure 2:

DIM Ignition Inputs


Object Number: 794858  Size: FS
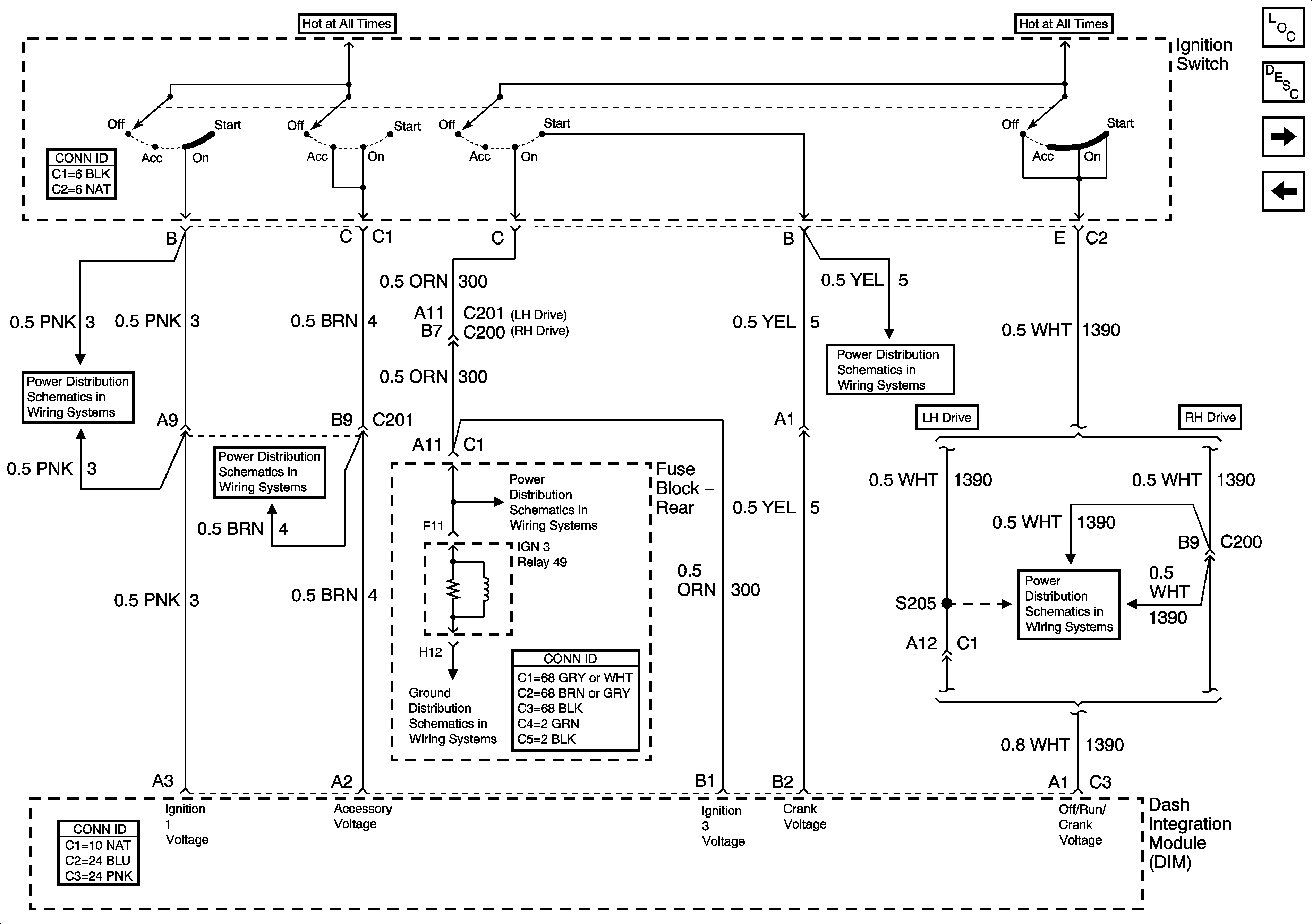
Figure 3:

DIM Inputs/Outputs (1 of 2)


Object Number: 642119  Size: FS
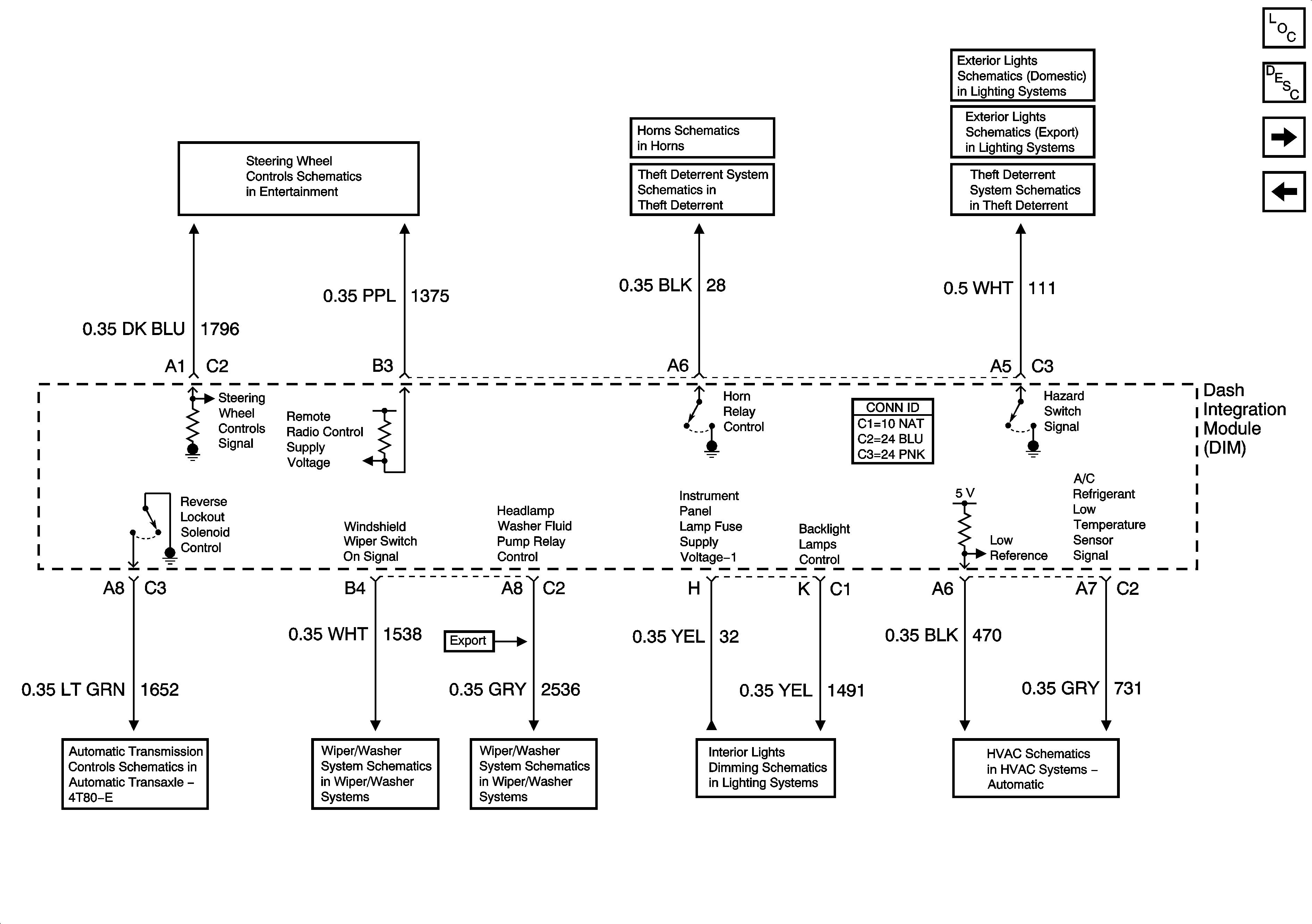
Figure 4:

DIM Inputs/Outputs (2 of 2)


Object Number: 815022  Size: FS
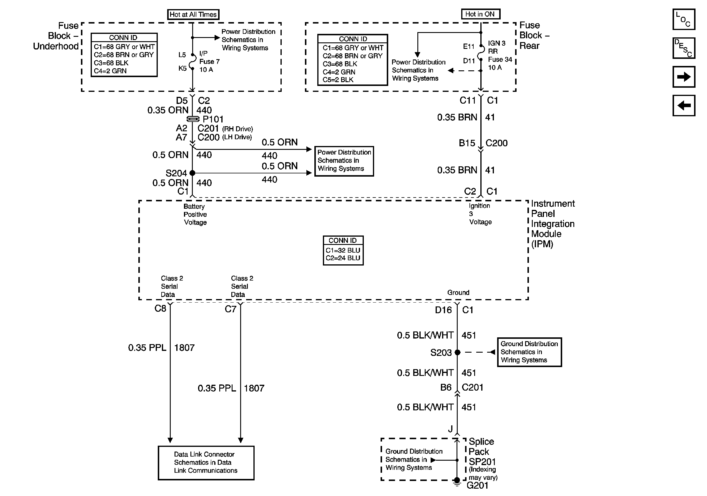
Figure 5:

IPM Power and Ground


Object Number: 879895  Size: FS
Figure 6:

IPM Inputs/Outputs (1 of 2)


Object Number: 815024  Size: FS
Figure 7:

IPM Inputs/Outputs (2 of 2)


Object Number: 794860  Size: FS
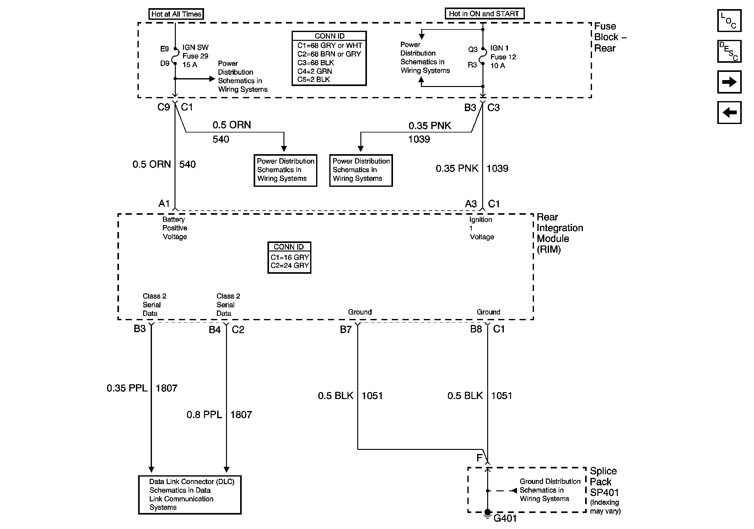
Figure 8:

RIM Power and Ground


Object Number: 879898  Size: FS
Figure 9:

RIM Inputs/Outputs (1 of 2)


Object Number: 794861  Size: FS
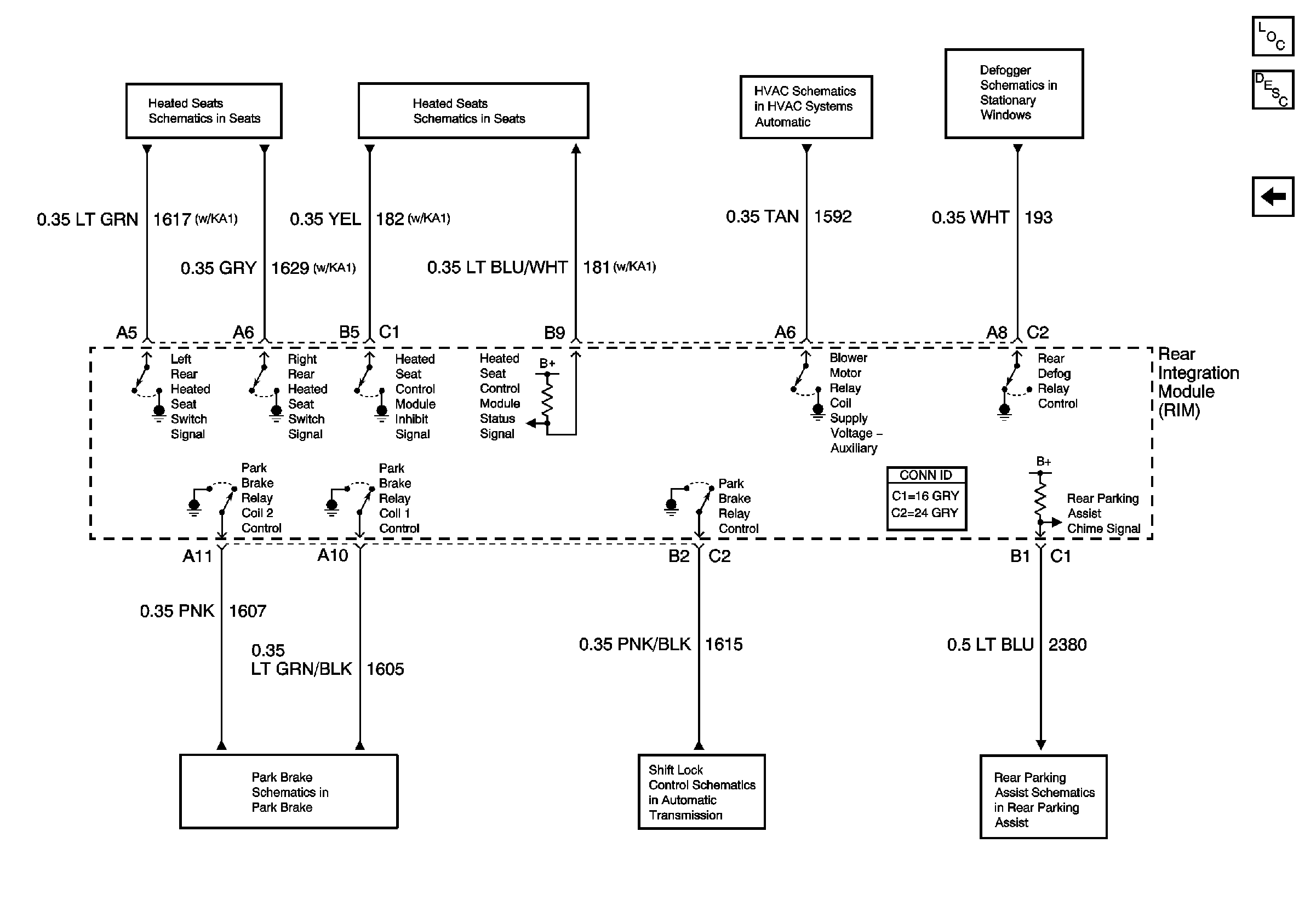
Figure 10:

RIM Inputs/Outputs (2 of 2)


Object Number: 783619  Size: FS