GM Service Manual Online
For 1990-2009 cars only
Makes
🢒
Cadillac
🢒
2003
🢒
Seville
🢒
Body and Accessories
🢒
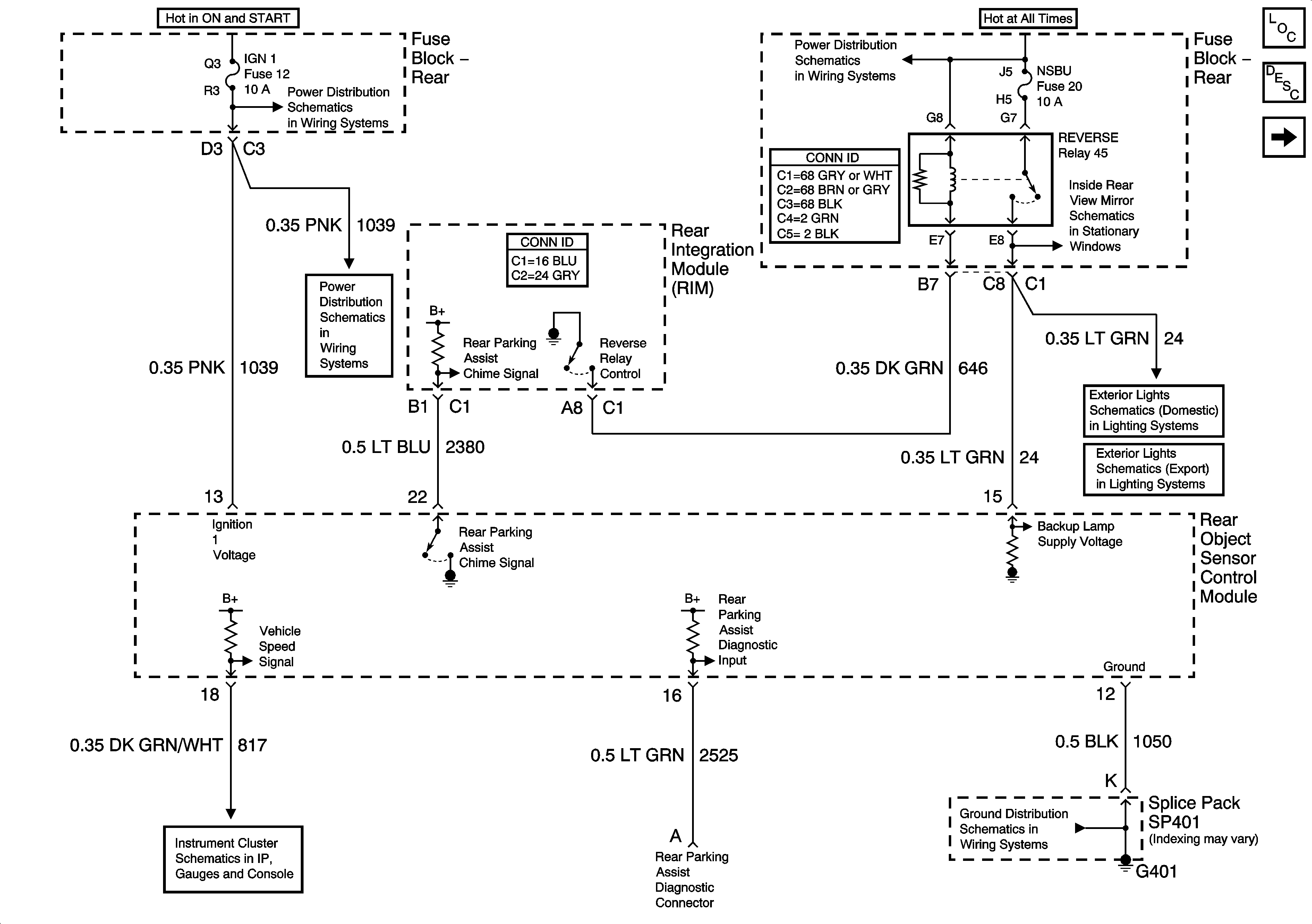
Rear Parking Assist
🢒 Rear Parking Assist Schematics
Figure
1:
Power and Ground
Figure
2:
Object Sensors