GM Service Manual Online
For 1990-2009 cars only
Makes
🢒
Cadillac
🢒
2003
🢒
Seville
🢒 Power and Ground
Power and Ground
Power and Ground
Master Electrical Component List
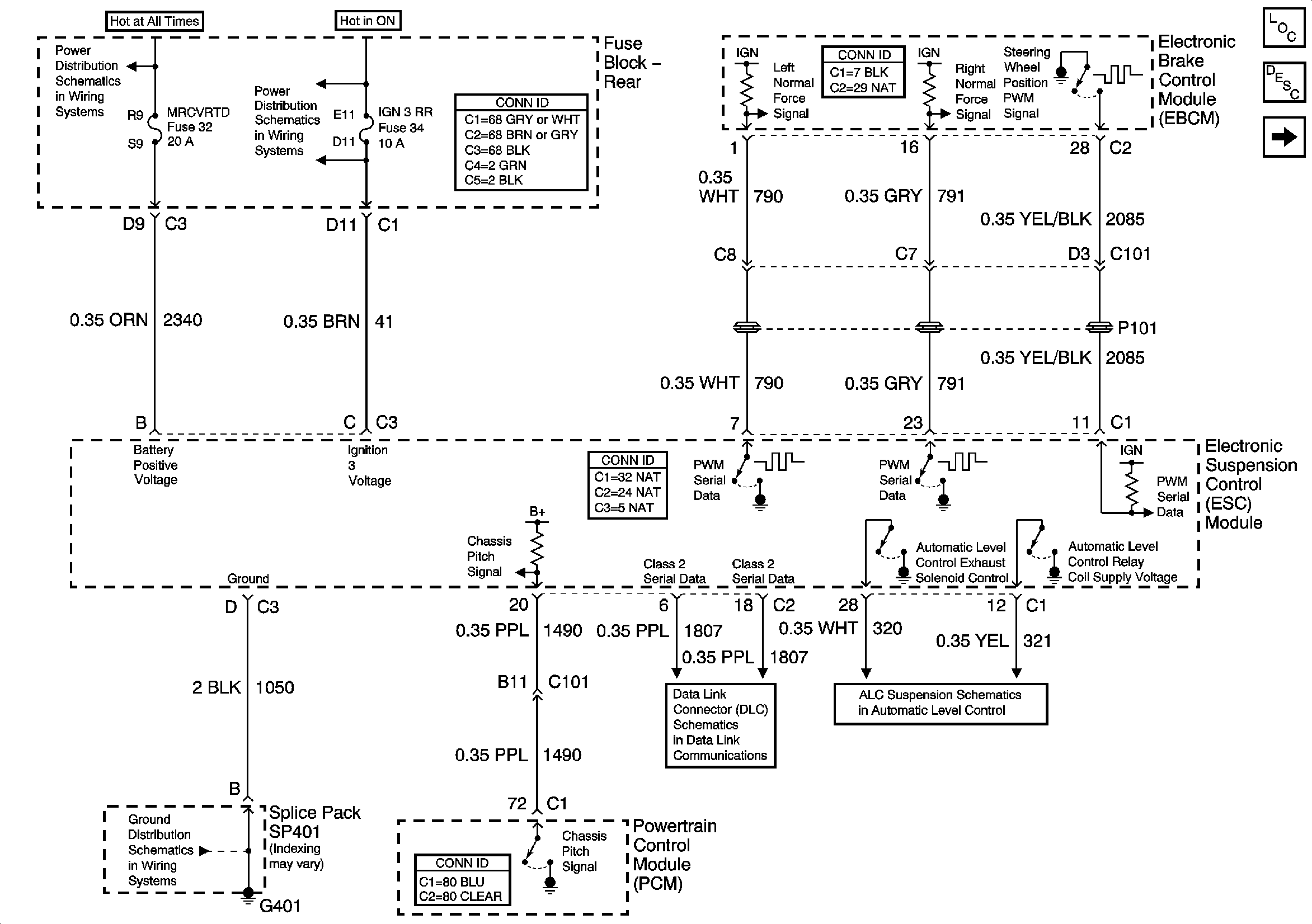
Electronic Suspension Control Description and Operation
Sensors and Actuators
Battery Feed to Fuse Block - Rear
Battery Feed to Fuse Block - Rear
G401 (1 of 3)
Serial Data Line (RH Drive) (1 of 2)
Automatic Level Control (w/F55)