GM Service Manual Online
For 1990-2009 cars only
Makes
🢒
Cadillac
🢒
2003
🢒
Seville
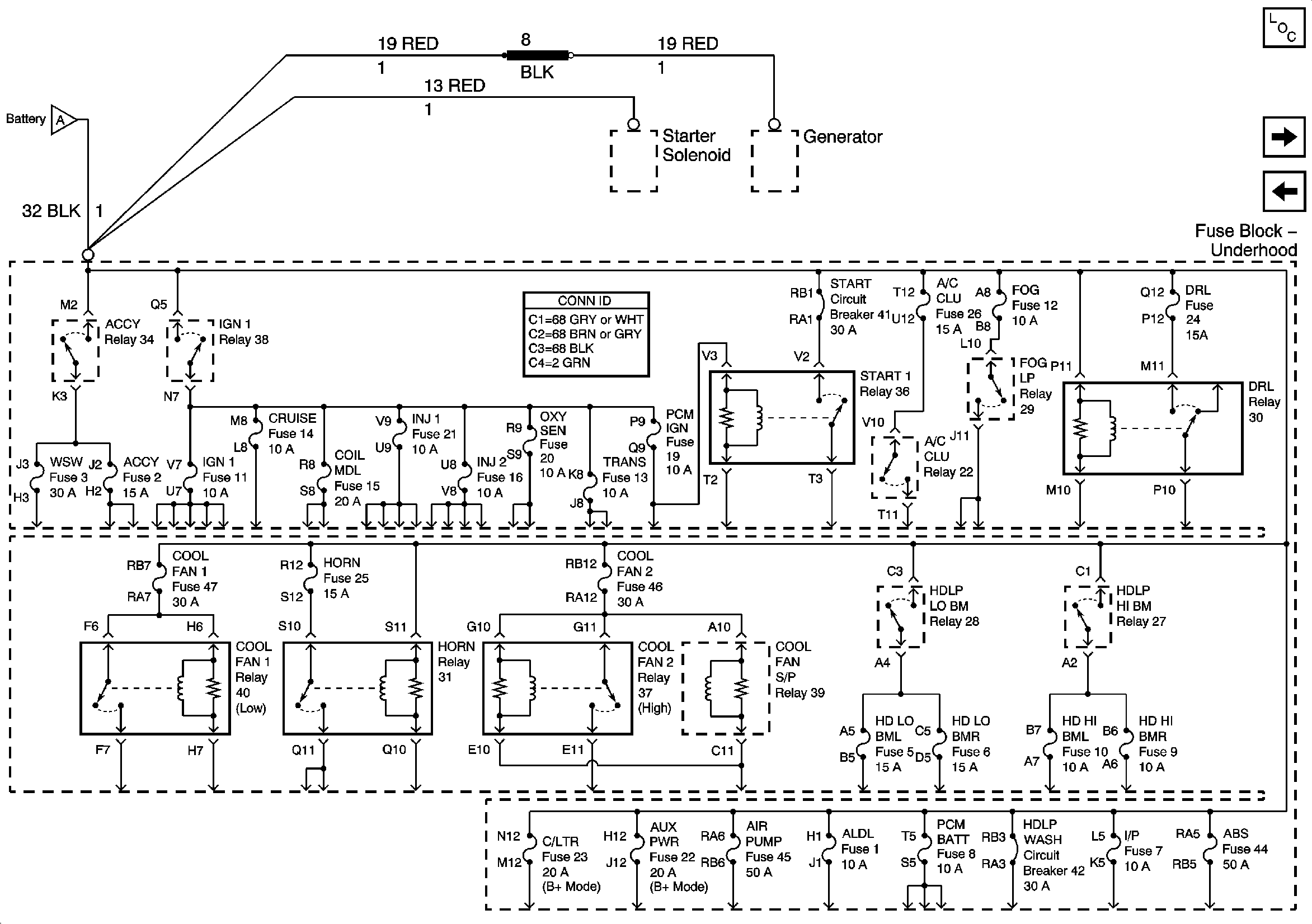
🢒 Battery Feed to Fuse Block - Underhood
Battery Feed to Fuse Block - Underhood
Battery Feed to Fuse Block -- Underhood
Master Electrical Component List
IGN SW and HTDST Fuses
Battery Feed to Fuse Block - Rear