GM Service Manual Online
For 1990-2009 cars only
Makes
🢒
Cadillac
🢒
2003
🢒
Seville
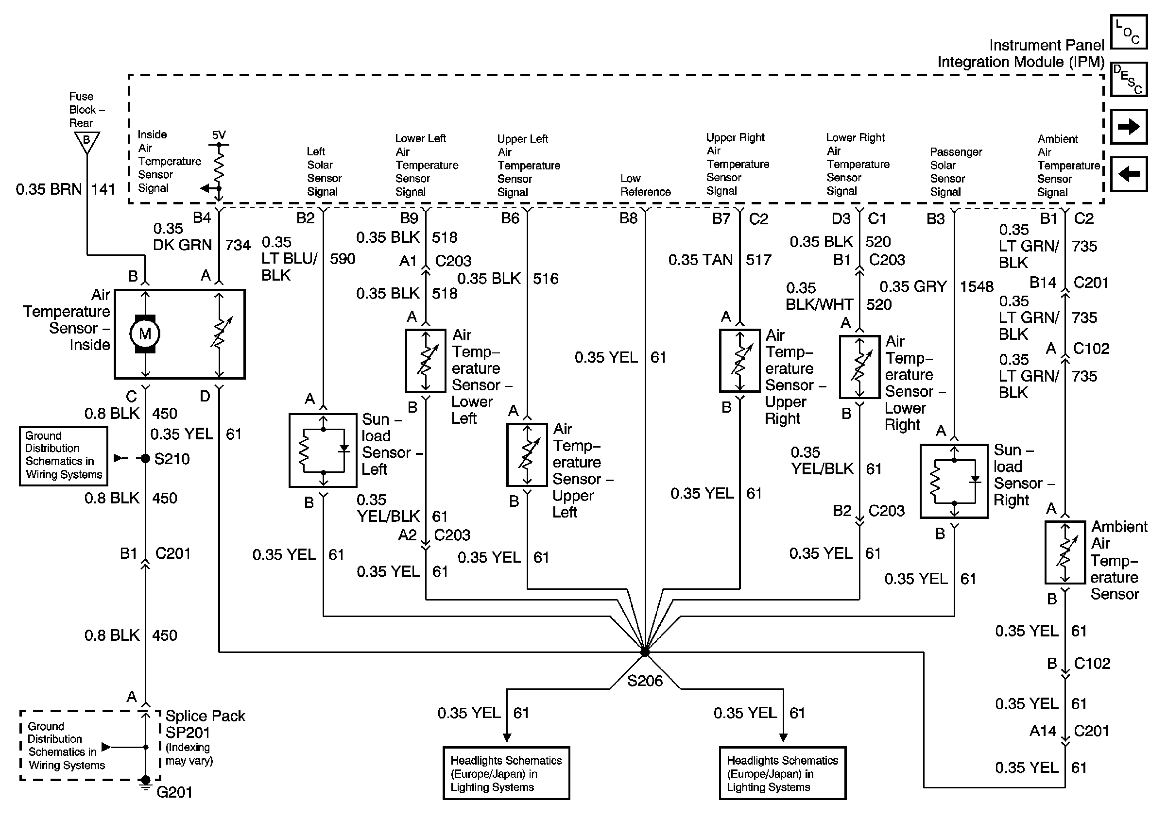
🢒 Temperature Sensors (RH Drive)
Temperature Sensors (RH Drive)
Temperature Sensors (RH Drive)
Master Electrical Component List
Air Temperature Description and Operation
Steering Column Controls
Temperature Sensors (LH Drive)
Electric Actuators
G201 (2 of 5)
G201 (2 of 5)
I/P Dimmer/Fog Lamp Switch Power and Ground
I/P Dimmer/Fog Lamp Switch Power and Ground