GM Service Manual Online
For 1990-2009 cars only
Makes
🢒
Cadillac
🢒
2003
🢒
Seville
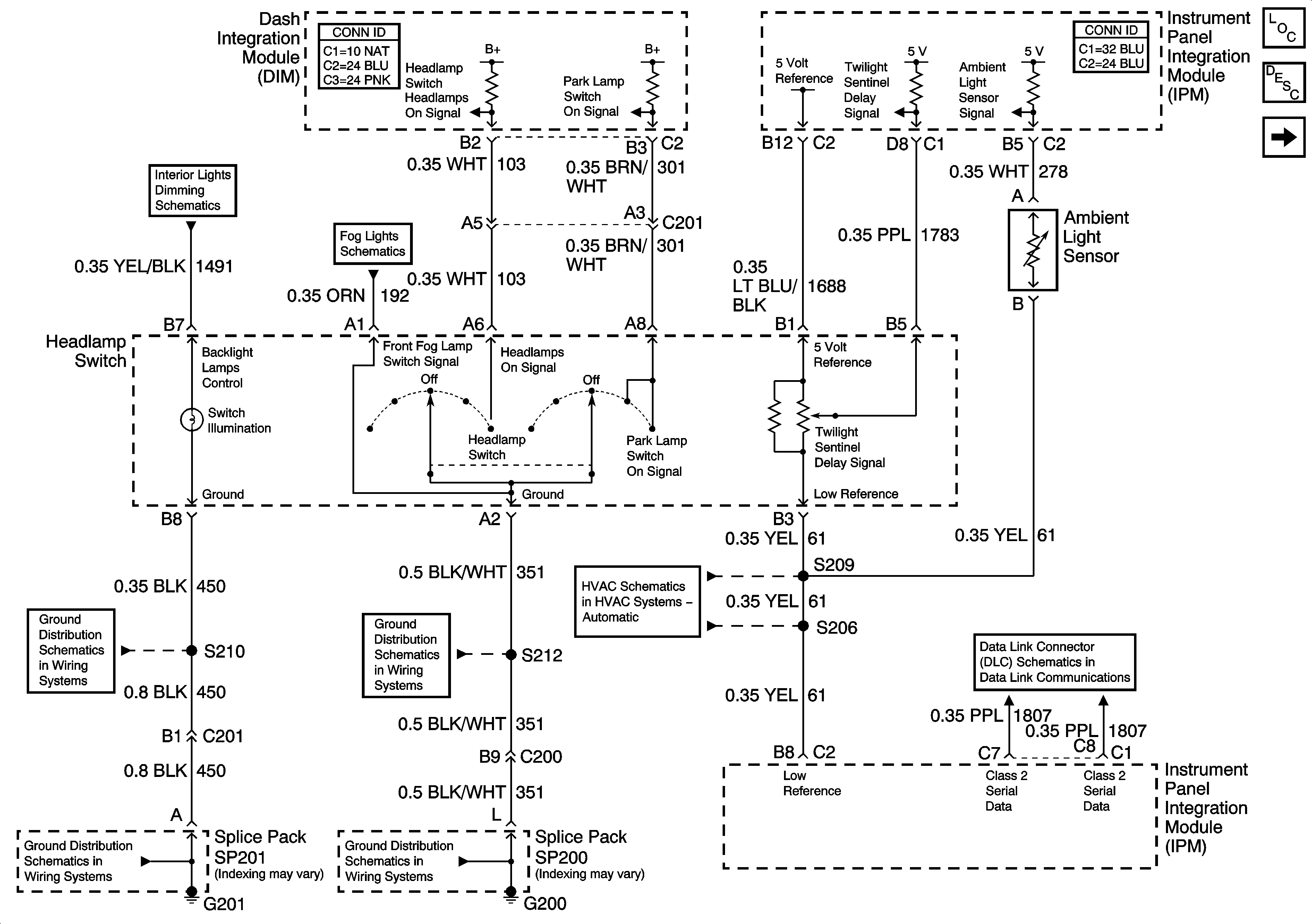
🢒 Headlamp Switch Power and Ground
Headlamp Switch Power and Ground
Headlamp Switch Power and Ground