GM Service Manual Online
For 1990-2009 cars only
Makes
🢒
Cadillac
🢒
2003
🢒
Seville
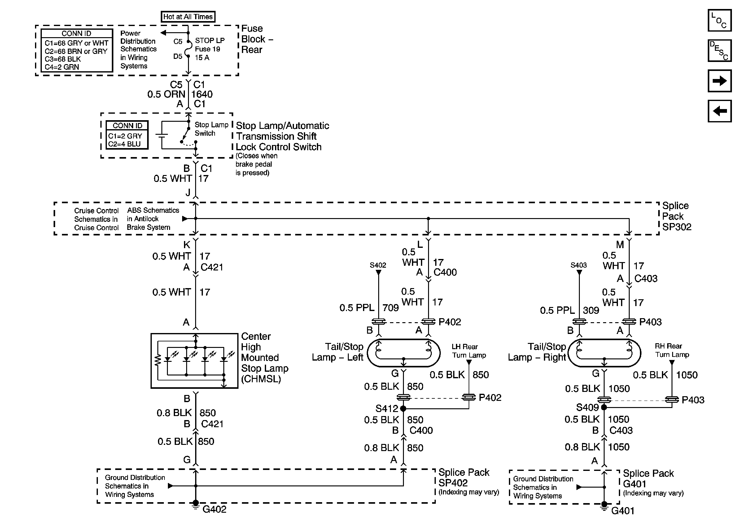
🢒 Stop Lamp Switch
Stop Lamp Switch
Stop Lamp Switch