GM Service Manual Online
For 1990-2009 cars only

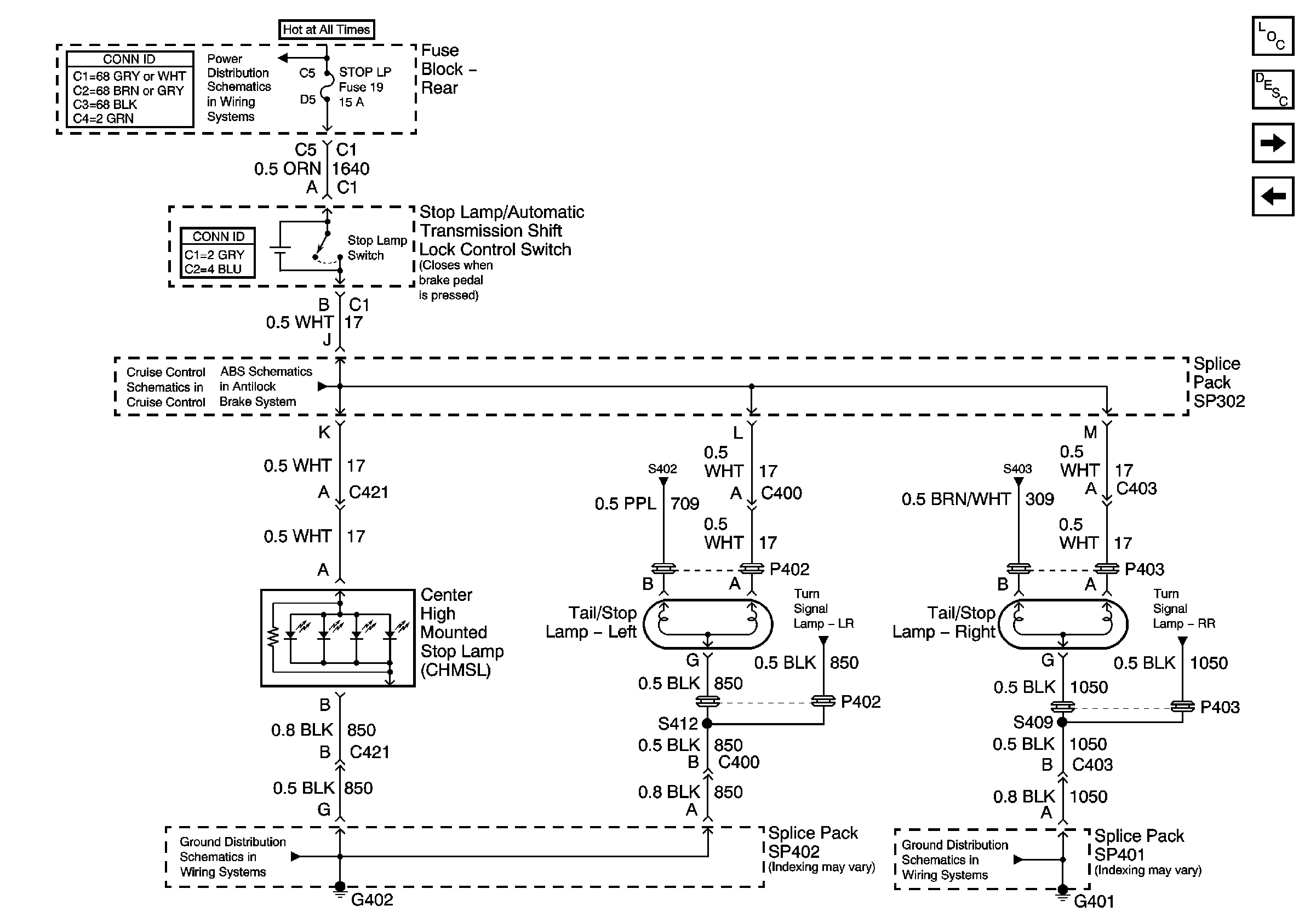
Stop Lamp Switch

Stop Lamp Switch


Object Number: 879810  Size: FS