GM Service Manual Online
For 1990-2009 cars only
Makes
🢒
Cadillac
🢒
2004
🢒
Seville
🢒
Accessories
🢒
Entertainment
🢒 OnStar Schematics
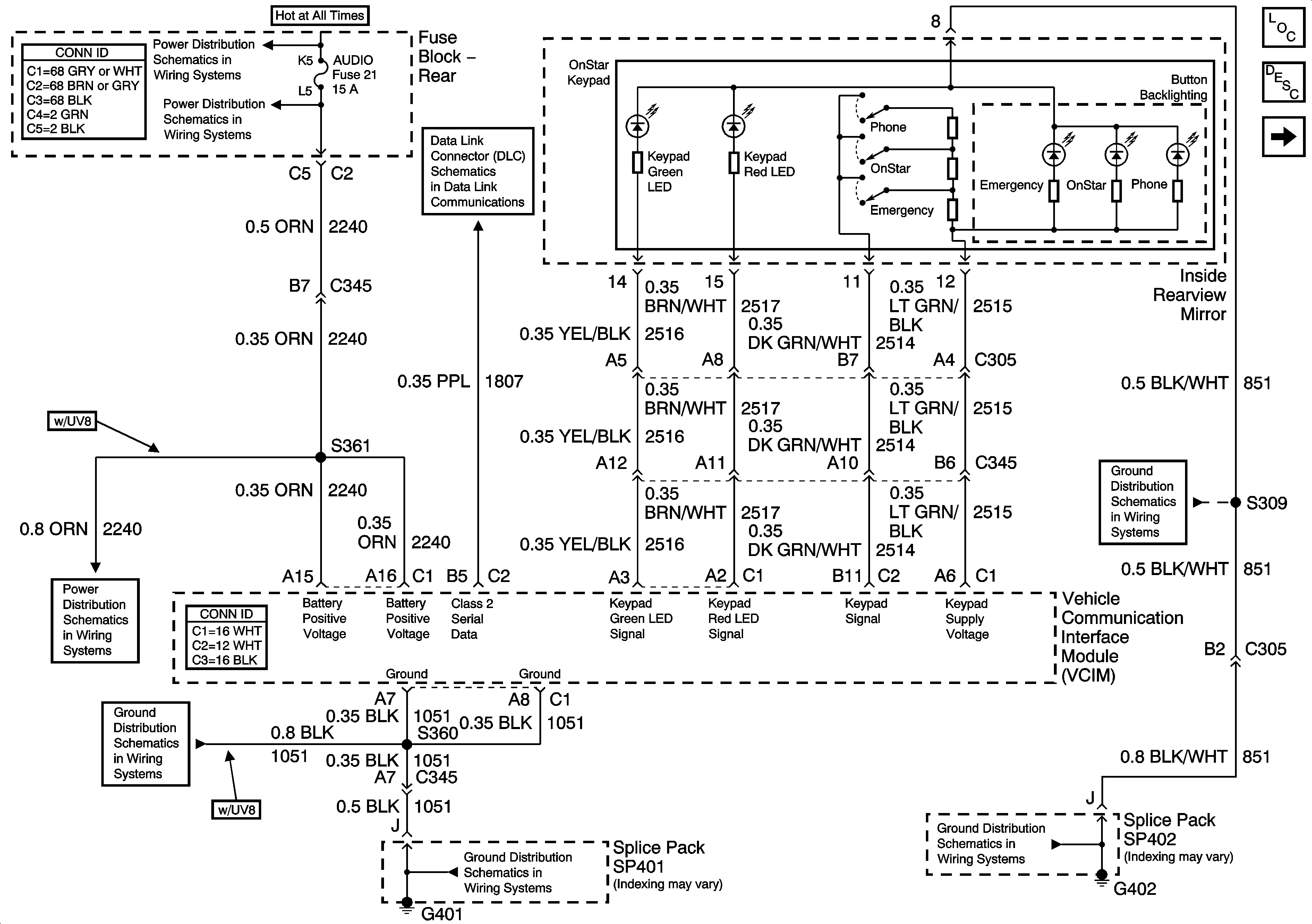
Figure
1:
Power, Ground, and Onstar Keypad
Master Electrical Component List
Cellular Telephone Description and Operation
OnStar Schematics-Microphone and Audio Amp
Ground Distribution Schematics-G402 (1 of 2)
Ground Distribution Schematics-G402 (1 of 2)
Ground Distribution Schematics-G401 (1 of 3)
Ground Distribution Schematics-G401 (1 of 3)
Data Link Connector (DLC) Schematics-Serial Data Line (LH Drive) (2 of 2)
Power Distribution Schematics-Audio, Audio Amp, DIM Fuses
Power Distribution Schematics-Audio, Audio Amp, DIM Fuses
Figure
2:
Microphone and Audio Amplifier
Master Electrical Component List
Cellular Telephone Description and Operation
OnStar Schematics-Power, Ground, and OnStar Keypad
Cellular Communication Schematic Icons
Cellular Communication Schematic Icons
Ground Distribution Schematics-G303,G304,G306,G307
Navigation System Schematics-Domestic Microphone
Cellular Telephone Schematics-VCIM,MIC, and Audio Amp
Cellular Telephone Schematics-VCIM,MIC, and Audio Amp