GM Service Manual Online
For 1990-2009 cars only
Makes
🢒
Cadillac
🢒
2004
🢒
Seville
🢒
Accessories
🢒
Power Outlets
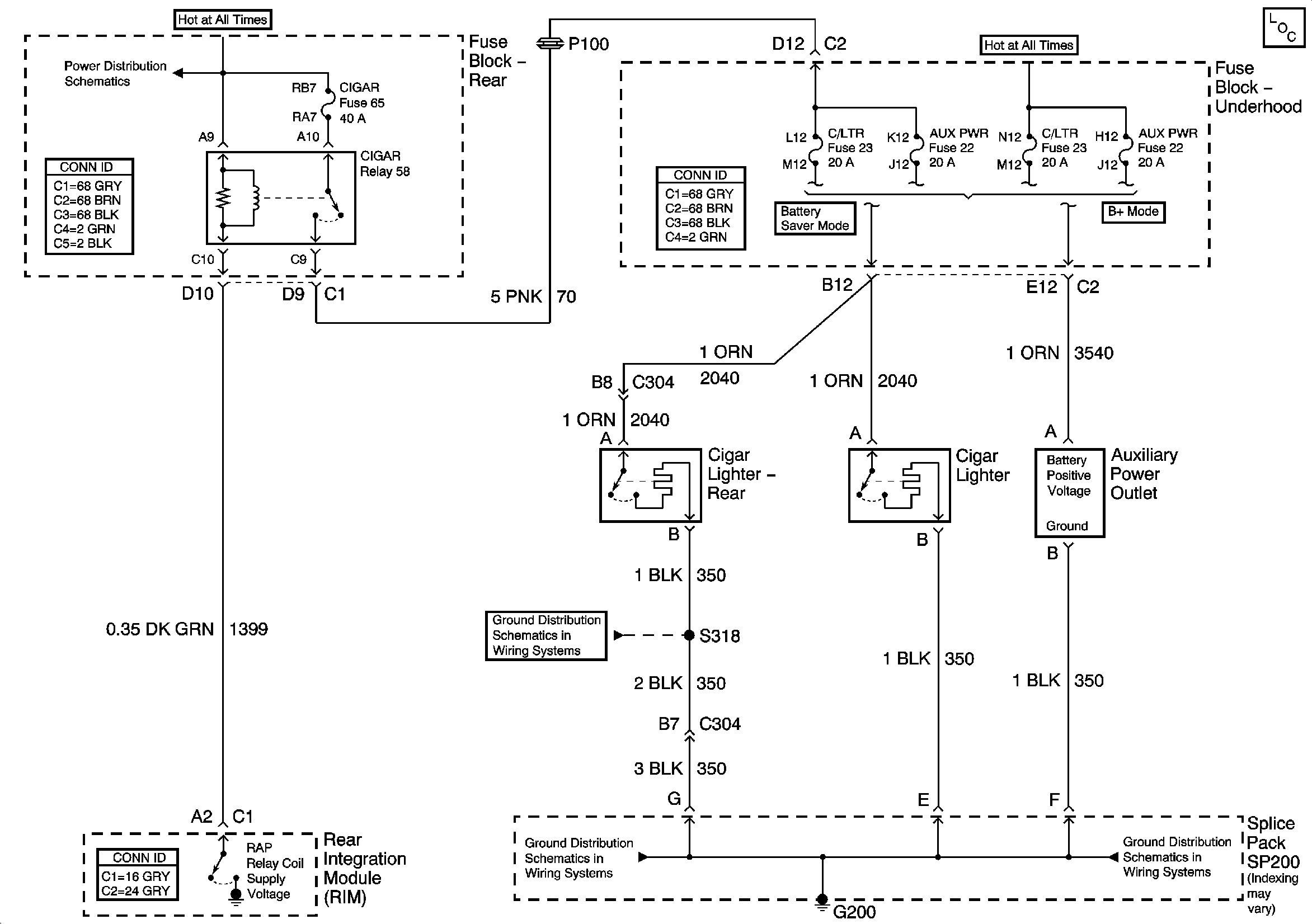
🢒 Cigar Lighter/Power Outlet Schematics
Master Electrical Component List
Power Distribution Schematics-Battery Feed to Fuse Block Rear
Ground Distribution Schematics-G200 and G202
Ground Distribution Schematics-G200 and G202
Ground Distribution Schematics-G200