GM Service Manual Online
For 1990-2009 cars only
Makes
🢒
Cadillac
🢒
2004
🢒
Seville
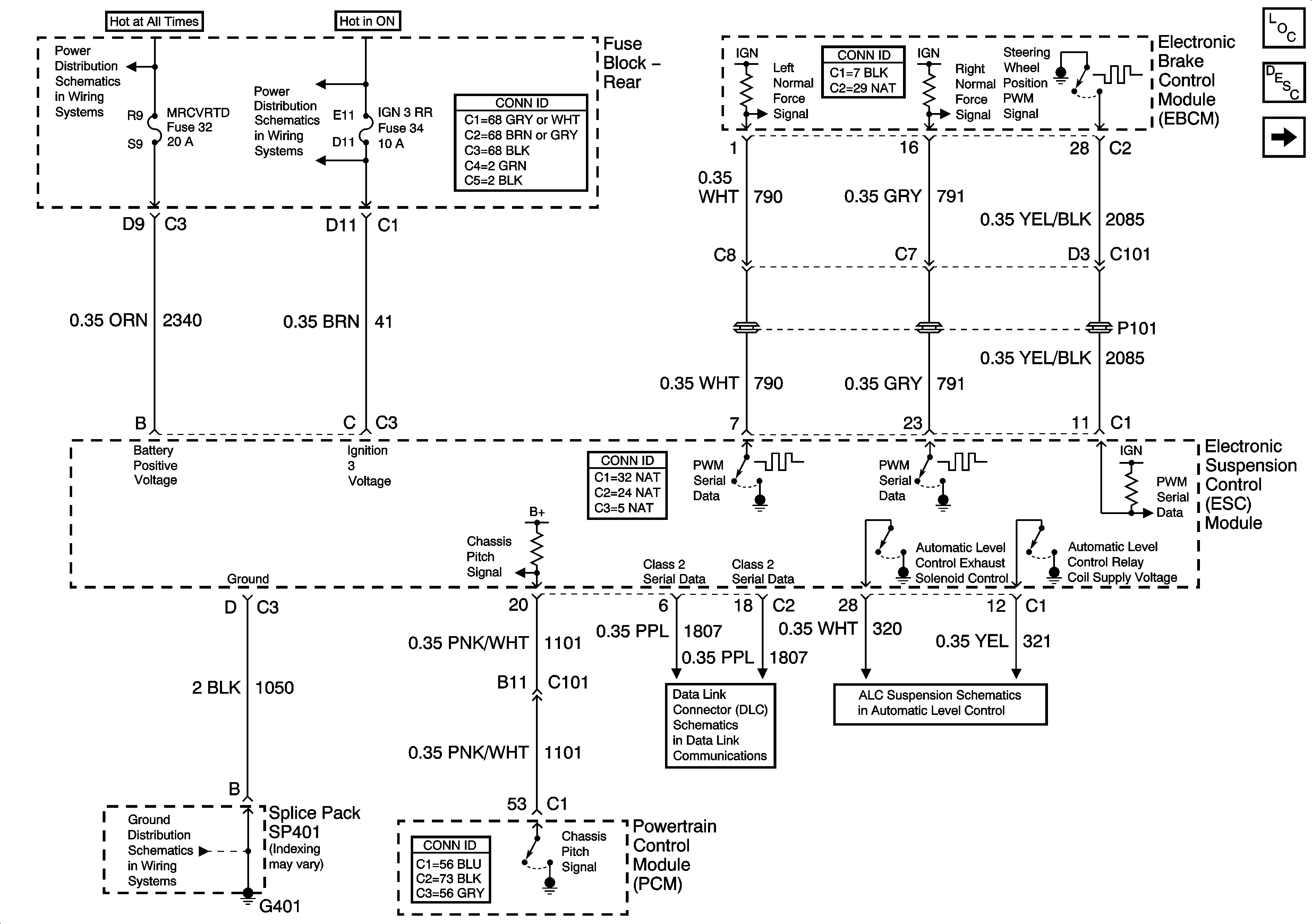
🢒 Suspension Controls Schematics-Power and Ground
Suspension Controls Schematics-Power and Ground
Power and Ground
Master Electrical Component List
Electronic Suspension Control Description and Operation
Suspension Controls Schematics-Sensors and Actuators
Power Distribution Schematics-Battery Feed to Fuse Block Rear
Power Distribution Schematics-Battery Feed to Fuse Block Rear
Data Link Connector (DLC) Schematics-Serial Data Line (LH Drive) (2 of 2)
Automatic Level Control Suspension Schematics (w/F55)
Ground Distribution Schematics-G401 (1 of 3)