GM Service Manual Online
For 1990-2009 cars only
Makes
🢒
Cadillac
🢒
2004
🢒
Seville
🢒 Starting and Charging Schematics-Generator Controls
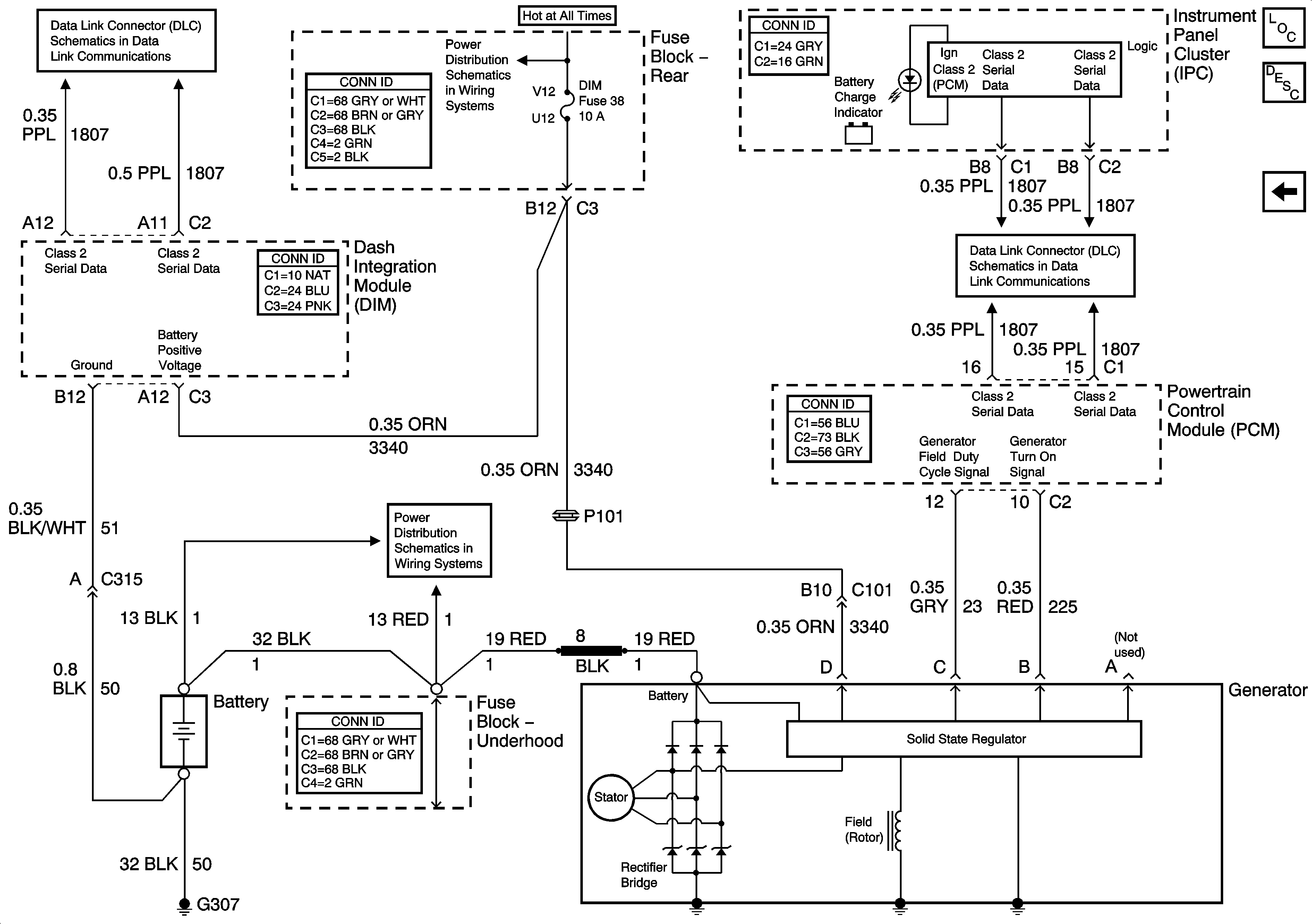
Starting and Charging Schematics-Generator Controls
Generator Controls
Master Electrical Component List
Charging System Description and Operation
Starting and Charging Schematics-Starting Controls
Data Link Connector (DLC) Schematics-Serial Data Line (LH Drive) (1 of 2)
Power Distribution Schematics-Battery Feed to Fuse Block Rear
Data Link Connector (DLC) Schematics-Serial Data Line (LH Drive) (1 of 2)
Power Distribution Schematics-Battery Feed to Fuseblock Underhood