GM Service Manual Online
For 1990-2009 cars only
Makes
🢒
Cadillac
🢒
2004
🢒
Seville
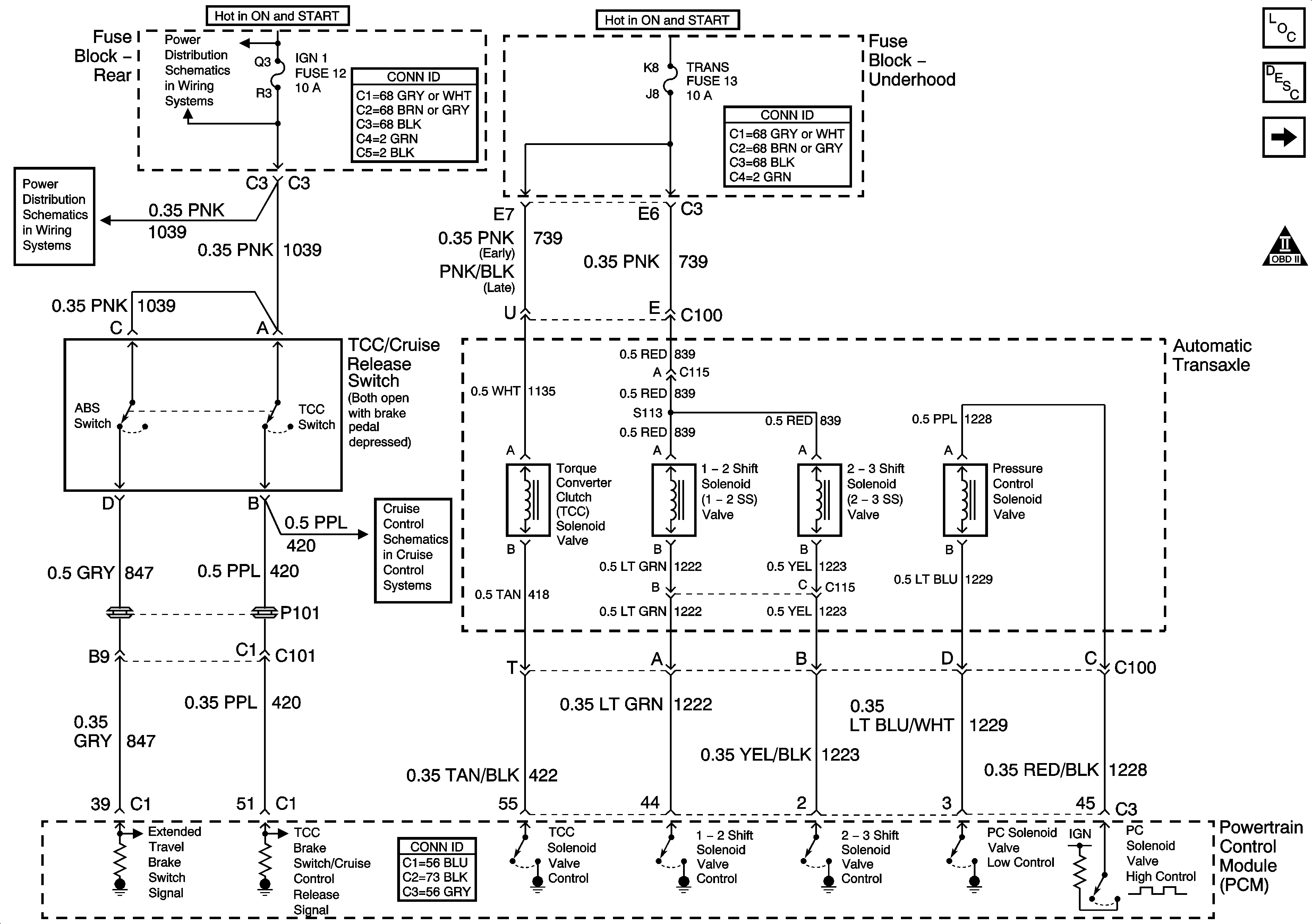
🢒 Automatic Transmission Controls Schematics-TCC/Cruise Rel. Switch,Solenoids
Automatic Transmission Controls Schematics-TCC/Cruise Rel. Switch,Solenoids
TCC/Cruise Release Switch and Transaxle Solenoids
Master Electrical Component List
Automatic Transmission Inline 20-Way Connector Description
Automatic transmission Controls-Transaxle Sensors
OBD II Symbol Description Notice
Power Distribution Schematics-IGN 1 Relay,SIR,Vent Sol and Ignition 1 Fuses
Power Distribution Schematics-IGN 1 Relay,SIR,Vent Sol and Ignition 1 Fuses
Cruise Control Schematics-Cruise Control Module (CCM) Power and Ground