GM Service Manual Online
For 1990-2009 cars only
Makes
🢒
Cadillac
🢒
2004
🢒
Seville
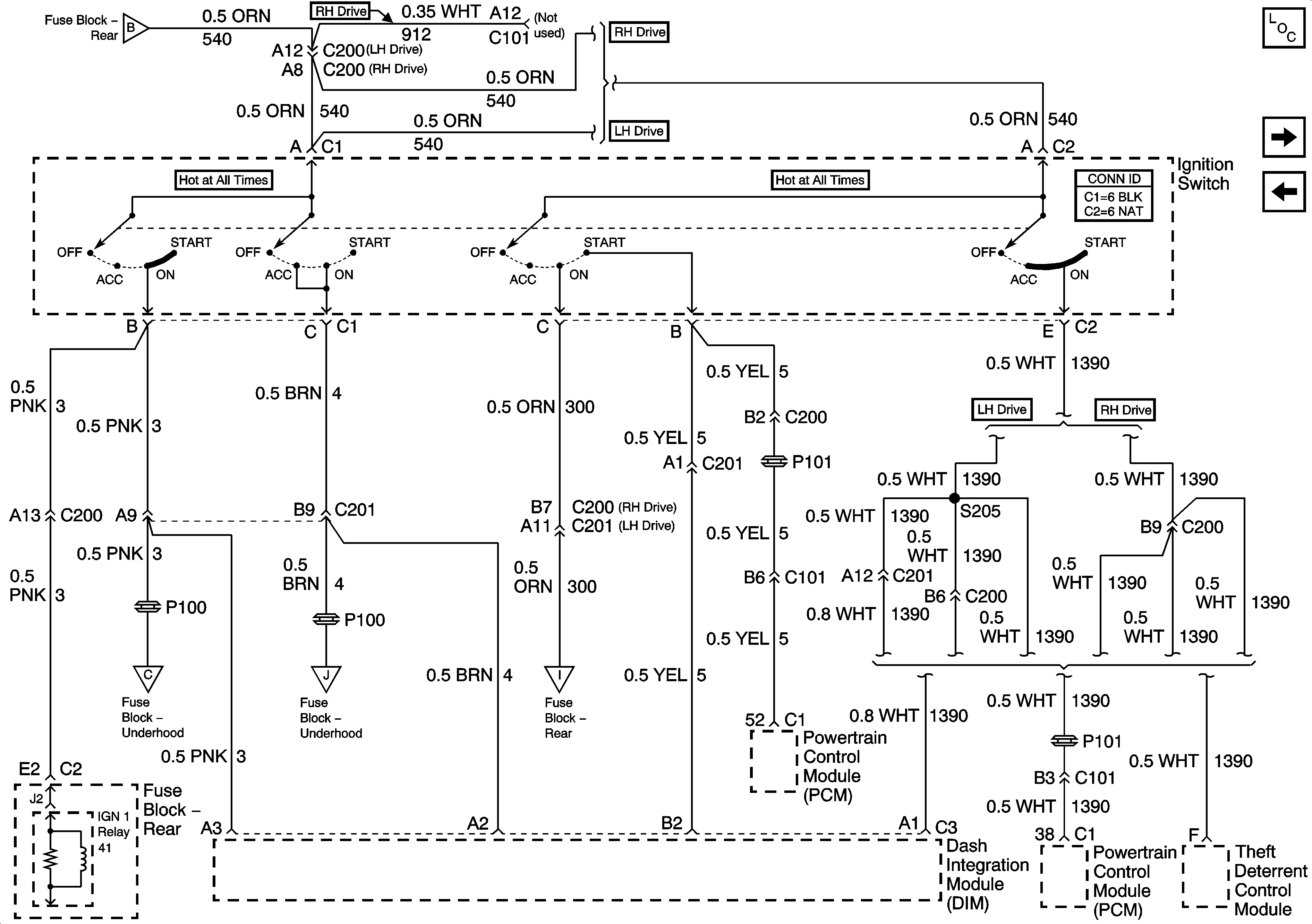
🢒 Power Distribution Schematics-Ignition Switch Supply
Power Distribution Schematics-Ignition Switch Supply
Ignition Switch Supply
Master Electrical Component List
Power Distribution Schematics-ACCY and IGN 1 Relays, INJ 1 and 2 Fuses
Power Distribution Schematics-Ignition Switch and Heated Seat Fuses
Power Distribution Schematics-Ignition Switch and Heated Seat Fuses
Power Distribution Schematics-ACCY and IGN 1 Relays, INJ 1 and 2 Fuses
Power Distribution Schematics-ACCY and IGN 1 Relays, INJ 1 and 2 Fuses
Power Distribution Schematics-Ignition Switch Supply, HVAC and ABS Fuses