GM Service Manual Online
For 1990-2009 cars only
Makes
🢒
Cadillac
🢒
2004
🢒
Seville
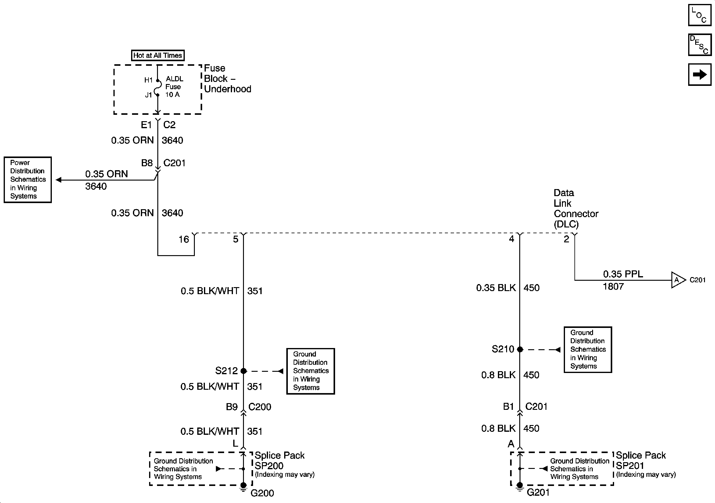
🢒 Data Link Connector (DLC) Schematics-Power and Ground (LH Drive)
Data Link Connector (DLC) Schematics-Power and Ground (LH Drive)
Data Link Connector Power and Ground (LH Drive)
Master Electrical Component List
Data Link Communications Description and Operation
Data Link Connector (DLC) Schematics-Serial Data Line (LH Drive) (1 of 2)
Power Distribution Schematics-ALDL, PCM Battery, I/P, ABS Fuses
Ground Distribution Schematics-G200
Ground Distribution Schematics-G200
Ground Distribution Schematics-G201 (2 of 5)
Ground Distribution Schematics-G201 (2 of 5)
Data Link Connector (DLC) Schematics-Serial Data Line (LH Drive) (1 of 2)