GM Service Manual Online
For 1990-2009 cars only
Makes
🢒
Cadillac
🢒
2004
🢒
Seville
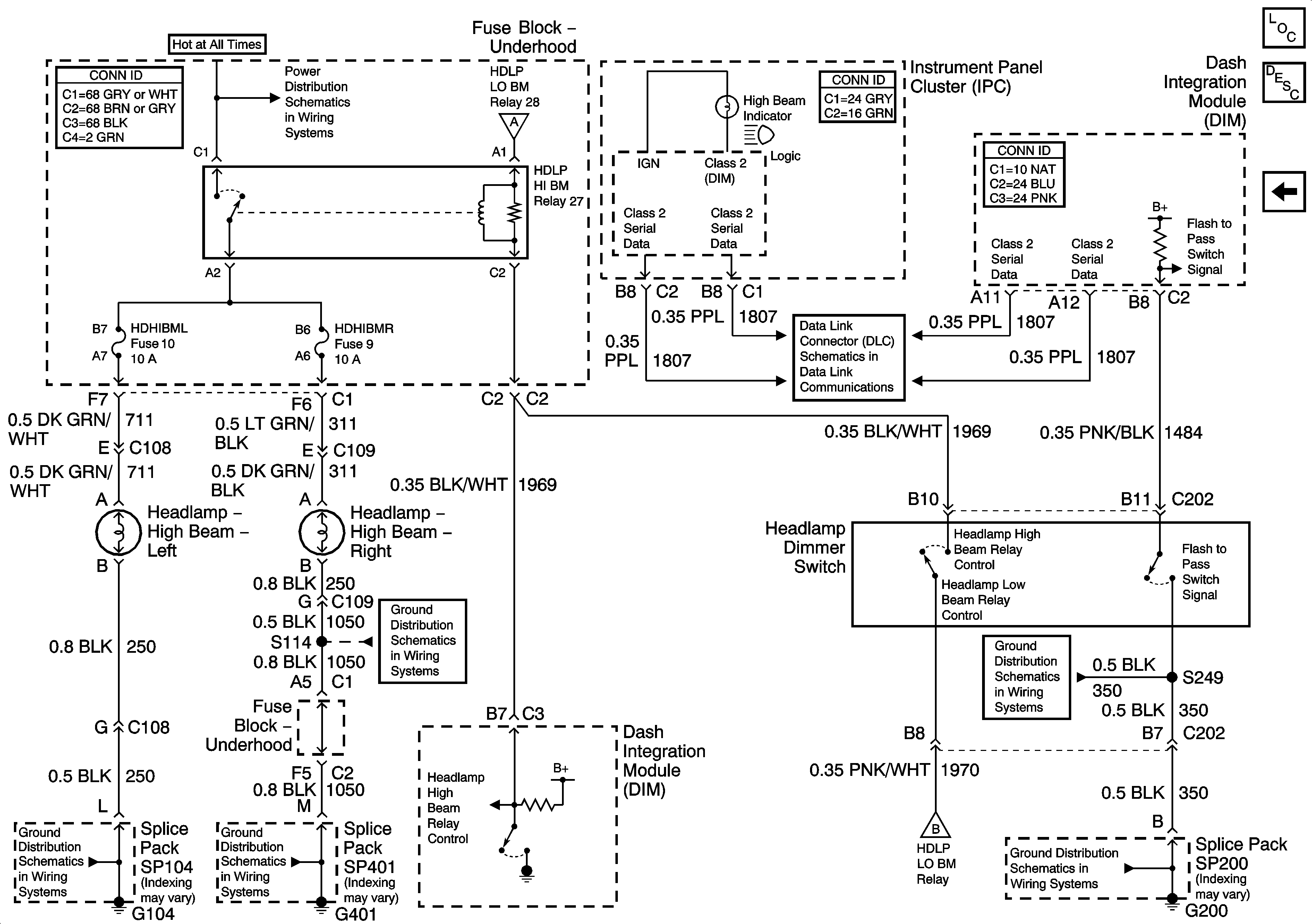
🢒 Headlights/Daytime Running Lights (DRL) Schematics-High Beam Headlamps
Headlights/Daytime Running Lights (DRL) Schematics-High Beam Headlamps
High Beam Headlamps
Master Electrical Component List
Exterior Lighting Systems Description and Operation
Headlights/Daytime Running Lights (DRL) Schematics-Low Beam Headlamps
Power Distribution Schematics-Battery Feed to Fuseblock Underhood
Headlights/Daytime Running Lights (DRL) Schematics-Low Beam Headlamps
Data Link Connector (DLC) Schematics-Serial Data Line (LH Drive) (1 of 2)
Ground Distribution Schematics-G401 (3 of 3)
Ground Distribution Schematics-G401 (3 of 3)
Ground Distribution Schematics-G104
Ground Distribution Schematics-G200
Ground Distribution Schematics-G200