GM Service Manual Online
For 1990-2009 cars only
Makes
🢒
Cadillac
🢒
2004
🢒
Seville
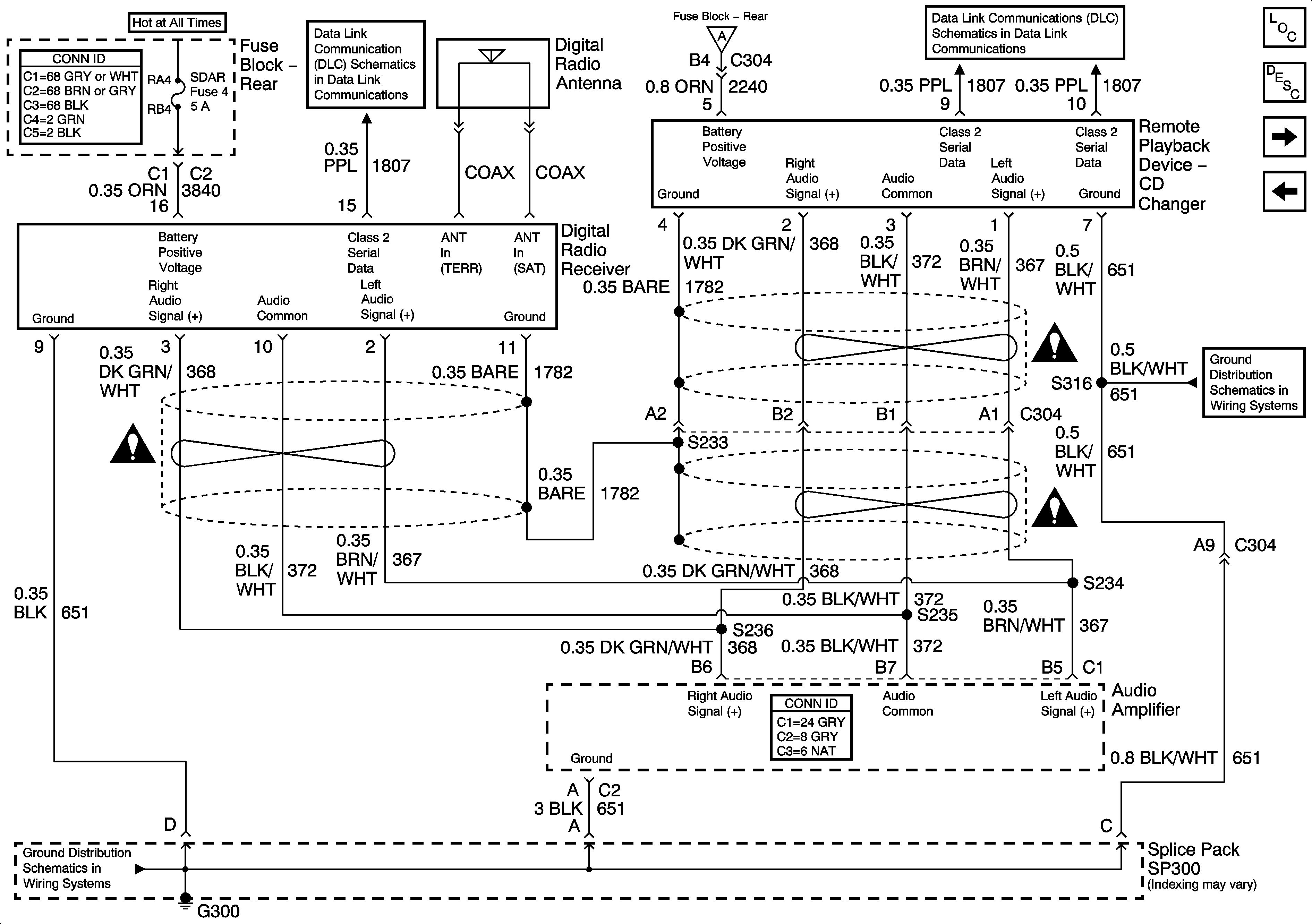
🢒 Radio/Audio Systems Schematics-Digital Radio Receiver (UX9) LH Drive (U2K)
Radio/Audio Systems Schematics-Digital Radio Receiver (UX9) LH Drive (U2K)
Digital Radio Receiver (U2K) (UX9) LH Drive
Master Electrical Component List
Radio/Audio System Description and Operation
Radio/Audio System Schematics-Remote Plybk Device-CD Changer (UX9) RH Drive
Radio/Audio System Schematics-Power and Ground (U3R/U3S/U3Q)
Radio/Audio System Schematics-Remote Plybk Device-CD Changer (UX8) LH Drive
Data Link Connector (DLC) Schematics-Serial Data Line (LH Drive) (2 of 2)
Data Link Connector (DLC) Schematics-Serial Data Line (LH Drive) (1 of 2)
Entertainment Schematic Icons
Entertainment Schematic Icons
Entertainment Schematic Icons
Ground Distribution Schematics-G300
Ground Distribution Schematics-G300