GM Service Manual Online
For 1990-2009 cars only
Makes
🢒
Cadillac
🢒
2004
🢒
Seville
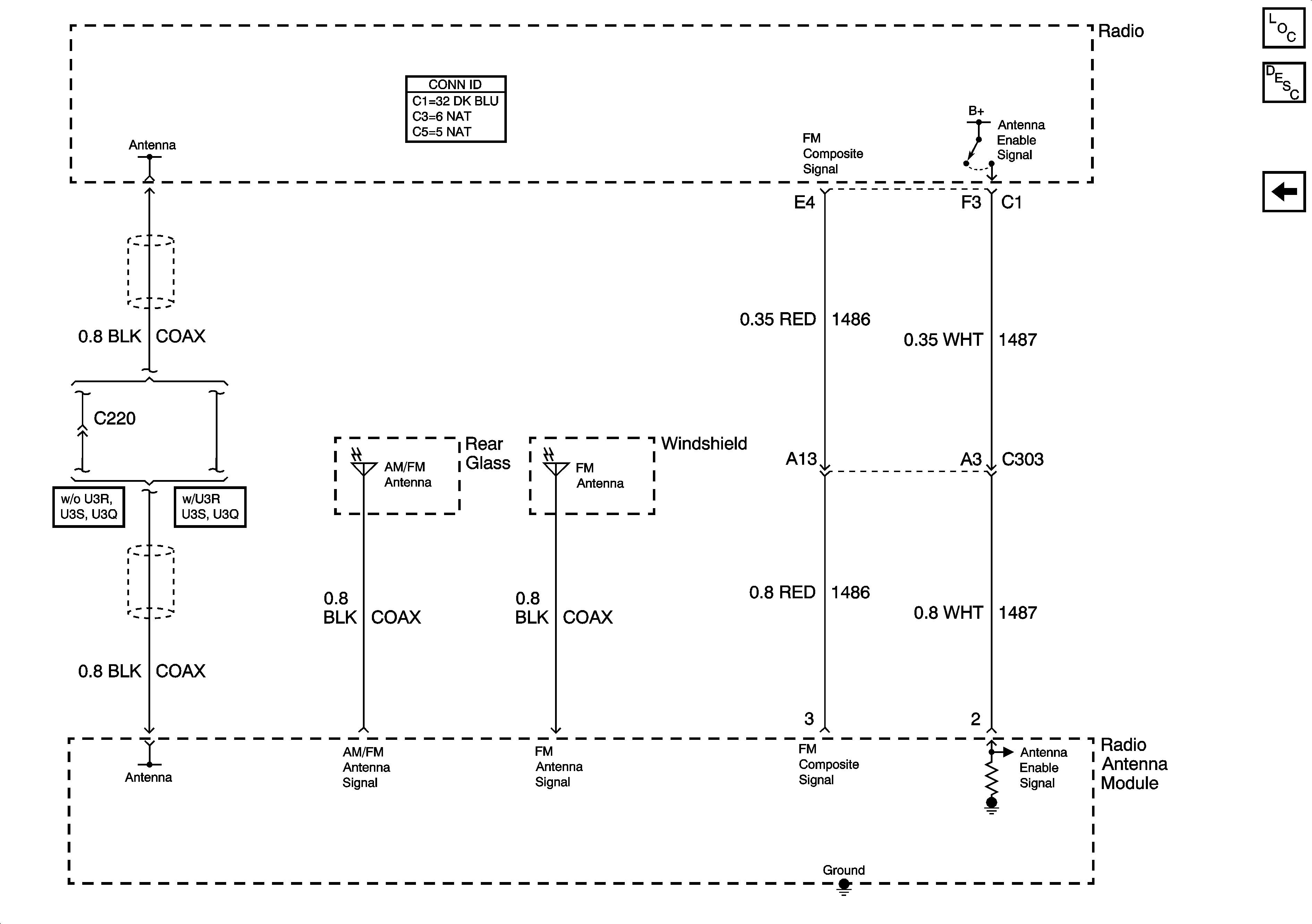
🢒 Radio/Audio System Schematics-Radio Antenna
Radio/Audio System Schematics-Radio Antenna
Radio Antenna
Master Electrical Component List
Radio/Audio System Description and Operation
Radio/Audio System Schematics-Speakers (UX9)