GM Service Manual Online
For 1990-2009 cars only
Makes
🢒
Cadillac
🢒
2004
🢒
Seville
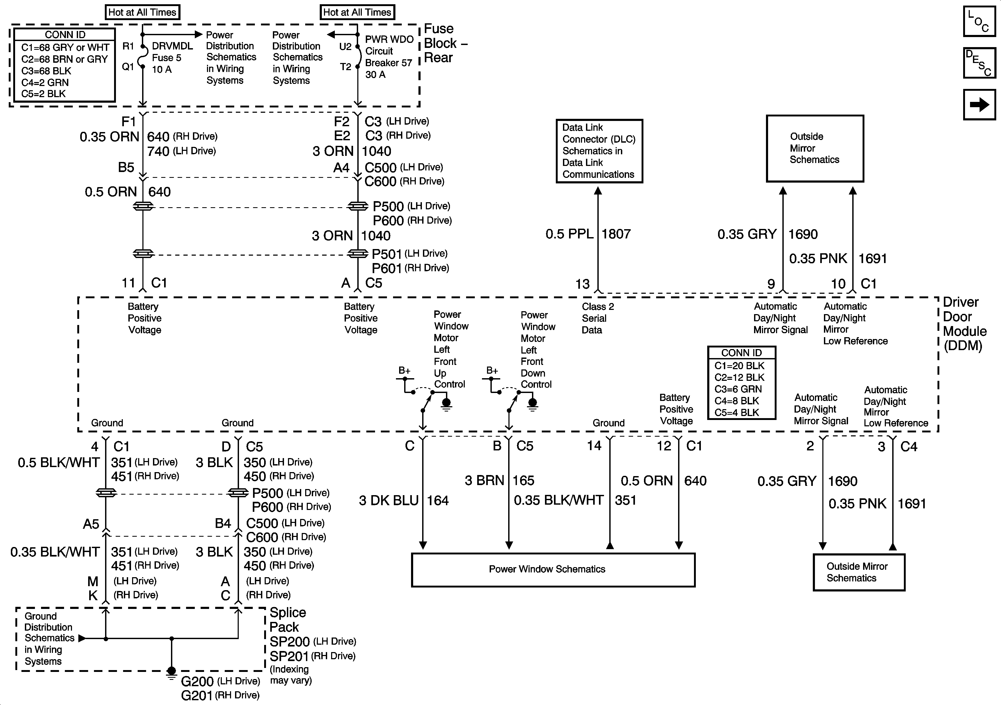
🢒 Door Control Module Schematics-DDM Power, Grounds, Inputs and Outputs
Door Control Module Schematics-DDM Power, Grounds, Inputs and Outputs
DDM Power, Grounds, Inputs, and Outputs
Master Electrical Component List
Power Door Locks Description and Operation
Door Control Module Schematics-DDM Inputs, Outputs and Class 2
Power Distribution Schematics-ELC,DRVMDL,PASSMDL,RRDRMDL Fuses
Power Distribution Schematics-Battery Feed to Fuse Block Rear
Data Link Connector (DLC) Schematics-Serial Data Line (LH Drive) (2 of 2)
Outside Mirror Schematics-Heated Mirrors
Outside Mirror Schematics-Heated Mirrors
Power Window Schematics-Driver Power Window
Ground Distribution Schematics-G200