GM Service Manual Online
For 1990-2009 cars only
Makes
🢒
Cadillac
🢒
2004
🢒
Seville
🢒 Body Rear End Schematics
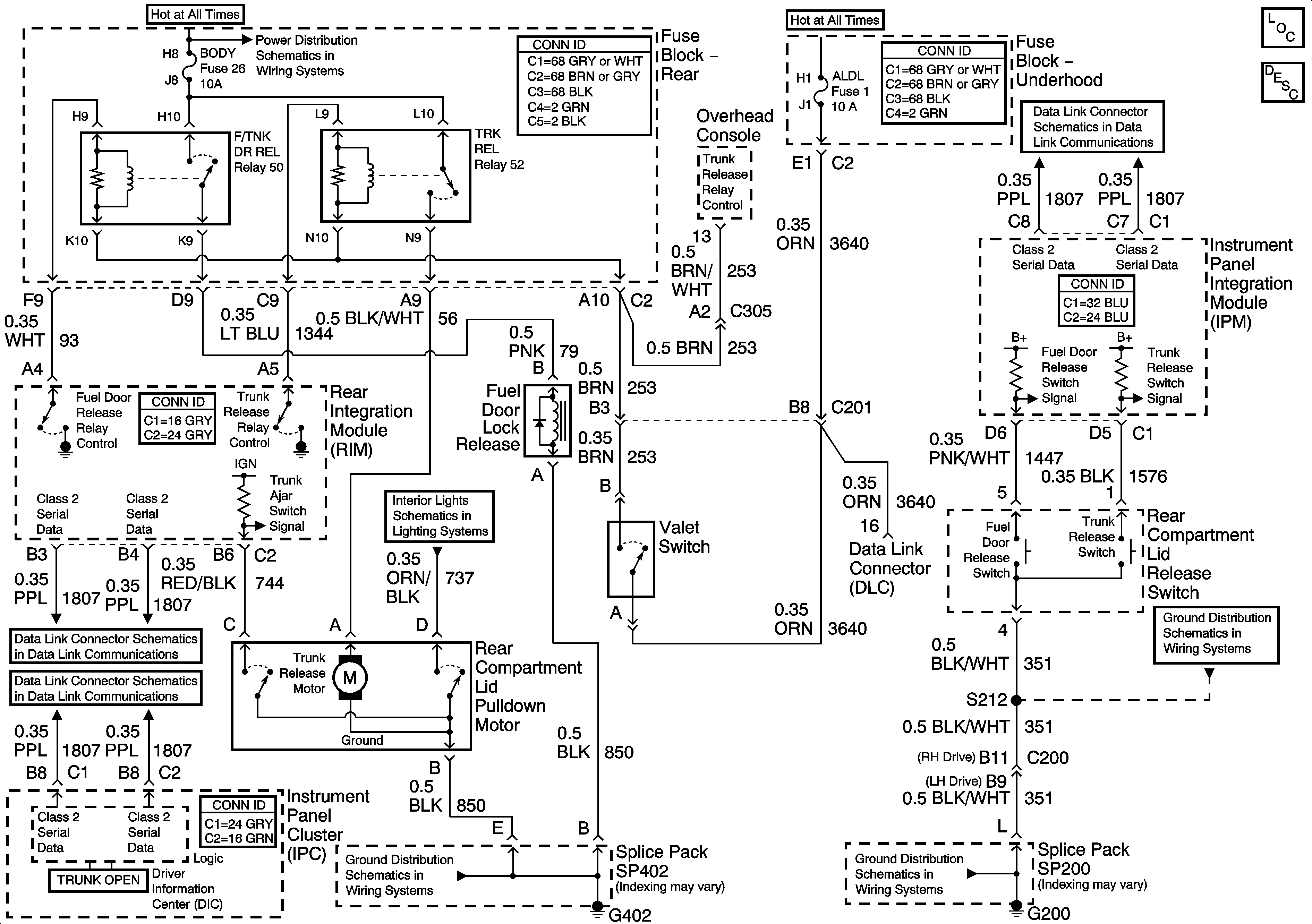
Body Rear End Schematics
Master Electrical Component List
Luggage Compartment Description and Operation General
Power Distribution Schematics-Battery Feed to Fuse Block Rear
Data Link Connector (DLC) Schematics-Serial Data Line (LH Drive) (1 of 2)
Data Link Connector (DLC) Schematics-Serial Data Line (LH Drive) (1 of 2)
Data Link Connector (DLC) Schematics-Serial Data Line (LH Drive) (2 of 2)
Interior Lights Schematics-Rear Compartment,Courtesy,Overhead Console Lamps
Ground Distribution Schematics-G200
Ground Distribution Schematics-G200
Ground Distribution Schematics-G402 (1 of 2)