GM Service Manual Online
For 1990-2009 cars only
Makes
🢒
Cadillac
🢒
1998
🢒
Seville - RHD
🢒
Brakes
🢒
Hydraulic Brakes
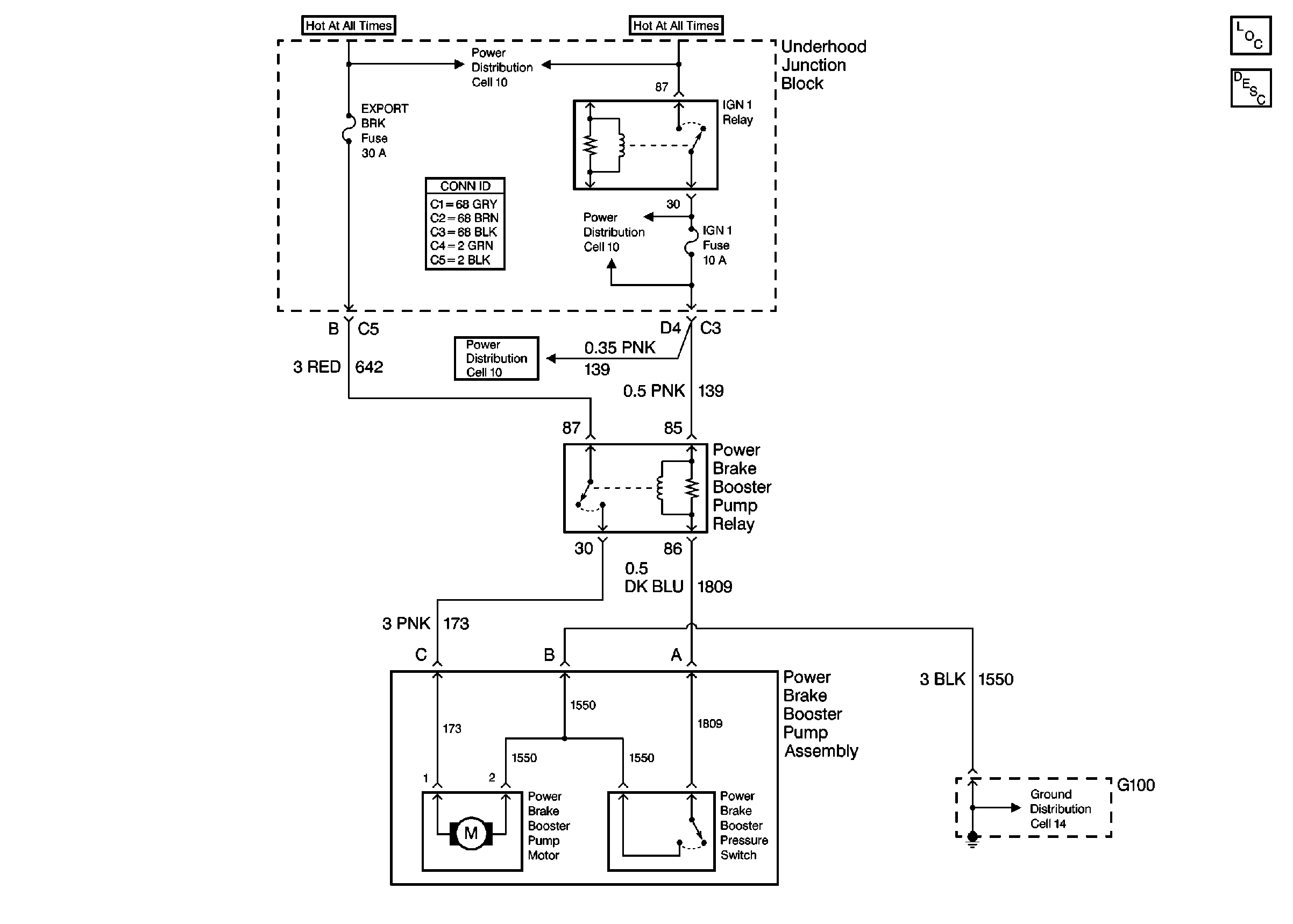
🢒 Power Brake Booster Pump Schematics
Cell 57