GM Service Manual Online
For 1990-2009 cars only
Makes
🢒
Cadillac
🢒
1998
🢒
Seville - RHD
🢒
Body and Accessories
🢒
Lighting Systems
🢒 Exterior Lights Schematics
Figure
1:
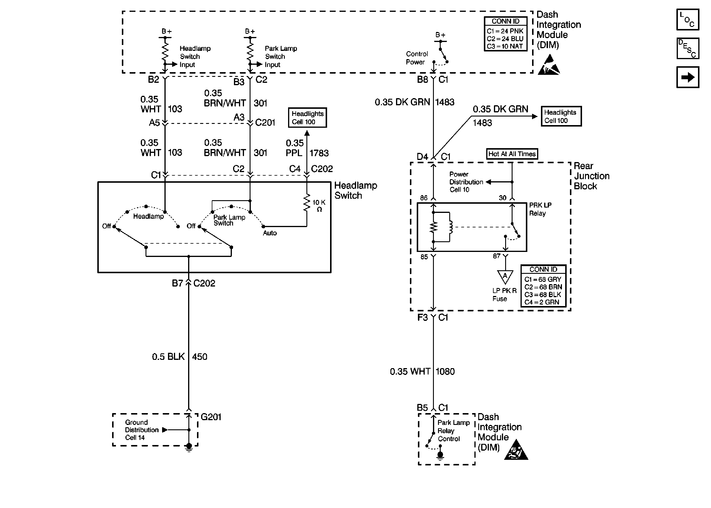
Cell 110: Headlamp Switch, PRK LP Relay
Lighting Systems Components
Exterior Lights Circuit Description
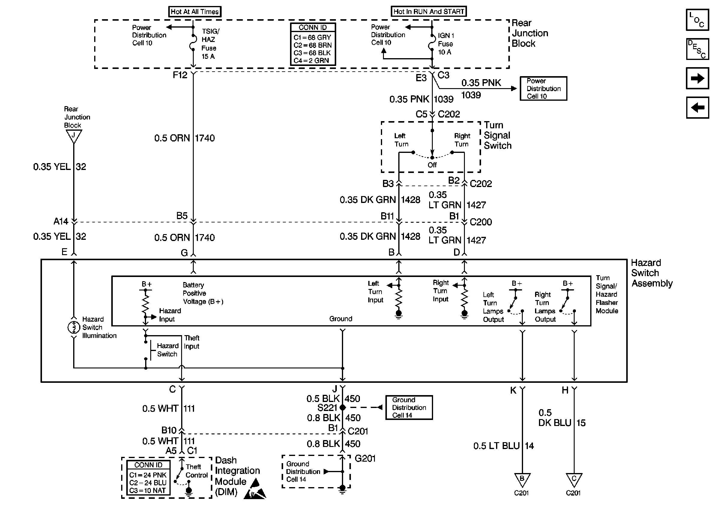
Cell 110: Hazard Switch Assembly
Handling ESD Sensitive Parts Notice
SIR Handling Caution
Cell 10: LP PK L Fuse
Cell 10: NSBU, F/PMP, CVRTD, and BODY Fuses
Cell 14: G200 (1 of 2)
Cell 100: Low Beam Headlamps
Cell 100: Low Beam Headlamps
Body Control System Connector End Views
Power and Grounding Connector End Views
Figure
2:
Cell 110: Hazard Switch Assembly
Lighting Systems Components
Exterior Lights Circuit Description
Cell 110: Stop Lamps
Cell 110: Headlamp Switch, PRK LP Relay
Handling ESD Sensitive Parts Notice
Cell 10: MEM T/T, PWWR T/T, and TSIG/HAZ Fuses
Cell 10: IGN 1 Relay and SIR, VENT SOL, IGN 1 Fuses
Cell 10: Ignition Switch
Cell 14: G201 (2 of 2)
Cell 14: G201 (2 of 2)
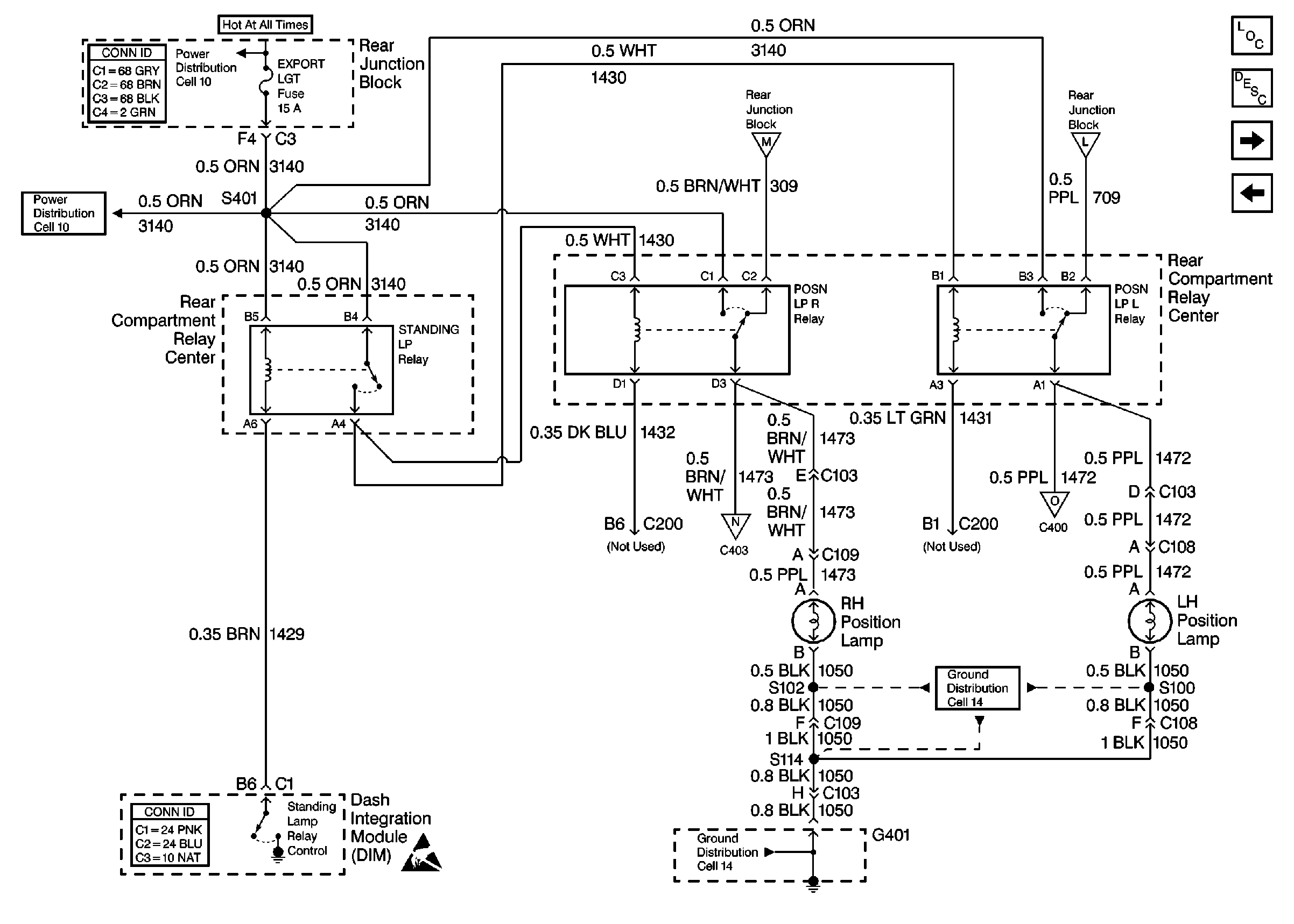
Cell 110: LH Exterior Lamps
Cell 110: RH Exterior Lamps
Cell 110: License, Underhood, and Cornering Lamps
Power and Grounding Connector End Views
Body Control System Connector End Views
Figure
3:
Cell 110: Position Lamps
Lighting Systems Components
Exterior Lights Circuit Description
Cell 110: License, Underhood, and Cornering Lamps
Cell 110: LH Exterior Lamps
Handling ESD Sensitive Parts Notice
Cell 10: RAP and EXPORT LGT Fuses
Cell 10: RAP and EXPORT LGT Fuses
Cell 14: G401 (3 of 3)
Cell 14: G401 (3 of 3)
Cell 110: LH Exterior Lamps
Cell 110: RH Exterior Lamps
Cell 110: RH Exterior Lamps
Cell 110: LH Exterior Lamps
Body Control System Connector End Views
Power and Grounding Connector End Views