GM Service Manual Online
For 1990-2009 cars only

Removal Procedure

  1. Disable the SIR system. Refer to Disabling the SIR System in SIR.
  2. Remove left and right windshield garnish moldings. Refer to Windshield Pillar Garnish Molding Replacement in Interior Trim.
  3. Remove air outlets. Refer to Air Outlet Replacement .

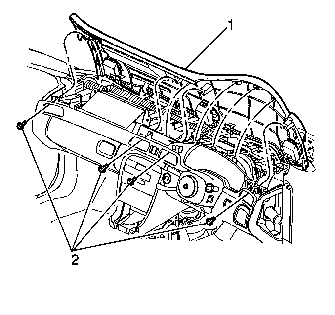
  4. Object Number: 298111  Size: SH
  5. Remove fasteners (2) from inside of the vent outlet holes to upper pad.
  6. Lift pad (1) upward from rear edge over IP cluster to disengage retainers from IP cluster trim plate.
  7. Lift pad on an angle and slide rearward to disengage front retainers at front of dash. It may be necessary to push down on right front edge to disengage retainer from carrier forward of PSIR location.
  8. Partially remove trim pad to allow access to the electrical connector.


    Object Number: 298110  Size: SH
  9. Disconnect the electrical connector (1).
  10. Remove the trim pad (2) from the vehicle.
  11. Remove the speakers from the trim pad. Refer to Speaker Replacement in Entertainment.
  12. Straighten the speaker grilles mounting tabs.
  13. Remove the speaker grilles from the trim pad.

  14. Remove the speaker wiring harness from the trim pad.

Installation Procedure

  1. Install the speaker wiring harness to the trim pad.
  2. Install the speaker grilles to the trim panel.
  3. Fold speaker grilles retaining tab over to secure grilles.

  4. Install the speakers to the trim panel. Refer to Speaker Replacement in Entertainment.

  5. Object Number: 298110  Size: SH
  6. Set pad (2) onto IP.
  7. Connect the electrical connector (1).

  8. Object Number: 298111  Size: SH
  9. Slide pad forward to engage front retainers to IP carrier.
  10. Align rear edge of pad (1) with IP cluster bezel and snap retainers into upper pad.
  11. Notice: Use the correct fastener in the correct location. Replacement fasteners must be the correct part number for that application. Fasteners requiring replacement or fasteners requiring the use of thread locking compound or sealant are identified in the service procedure. Do not use paints, lubricants, or corrosion inhibitors on fasteners or fastener joint surfaces unless specified. These coatings affect fastener torque and joint clamping force and may damage the fastener. Use the correct tightening sequence and specifications when installing fasteners in order to avoid damage to parts and systems.

  12. Install fasteners (2) into A/C duct openings.
  13. Tighten
    Tighten the trim pad fasteners to 2 N·m (18 lb in).

  14. Install air outlets. Refer to Air Outlet Replacement .
  15. Install left and right windshield garnish moldings. Refer to Windshield Pillar Garnish Molding Replacement in Interior Trim.
  16. Enable Sir system. Refer to Enabling the SIR System in SIR.