GM Service Manual Online
For 1990-2009 cars only
Makes
🢒
Cadillac
🢒
1998
🢒
Seville - RHD
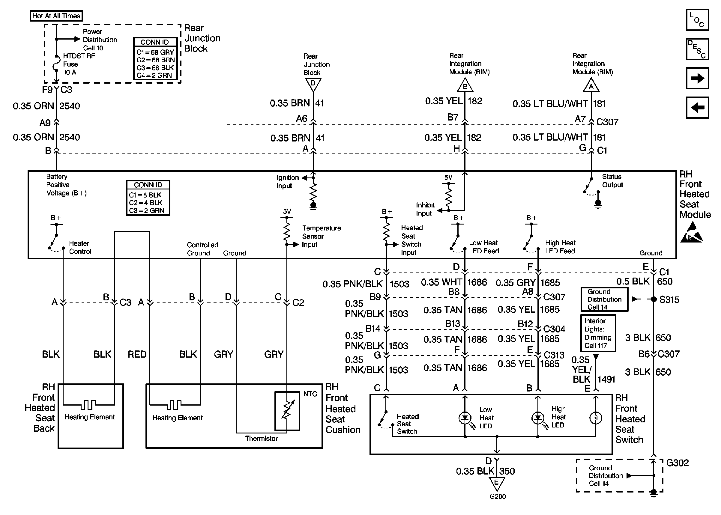
🢒 Cell 143: RH Front Heated Seat
Cell 143: RH Front Heated Seat
Cell 143: RH Front Heated Seat
Power Seat Systems Components
Heated Seats Circuit Description
Cell 143: Rear Heated Seat Modules
Cell 143: LH Front Heated Seat
Cell 10: IGN SW, HTDST LR, HTDST RR, HTDST LF, and HTDST RF Fuses
Cell 14: G302
Cell 14: G302
Cell 117: Ashtray Lamp, Steering Wheel Controls, Console Dimming
Cell 143: LH Front Heated Seat
Cell 143: LH Front Heated Seat
Cell 143: LH Front Heated Seat
Cell 143: LH Front Heated Seat
Power and Grounding Connector End Views
Power Seat Connector End Views