GM Service Manual Online
For 1990-2009 cars only
Makes
🢒
Cadillac
🢒
1998
🢒
Seville - RHD
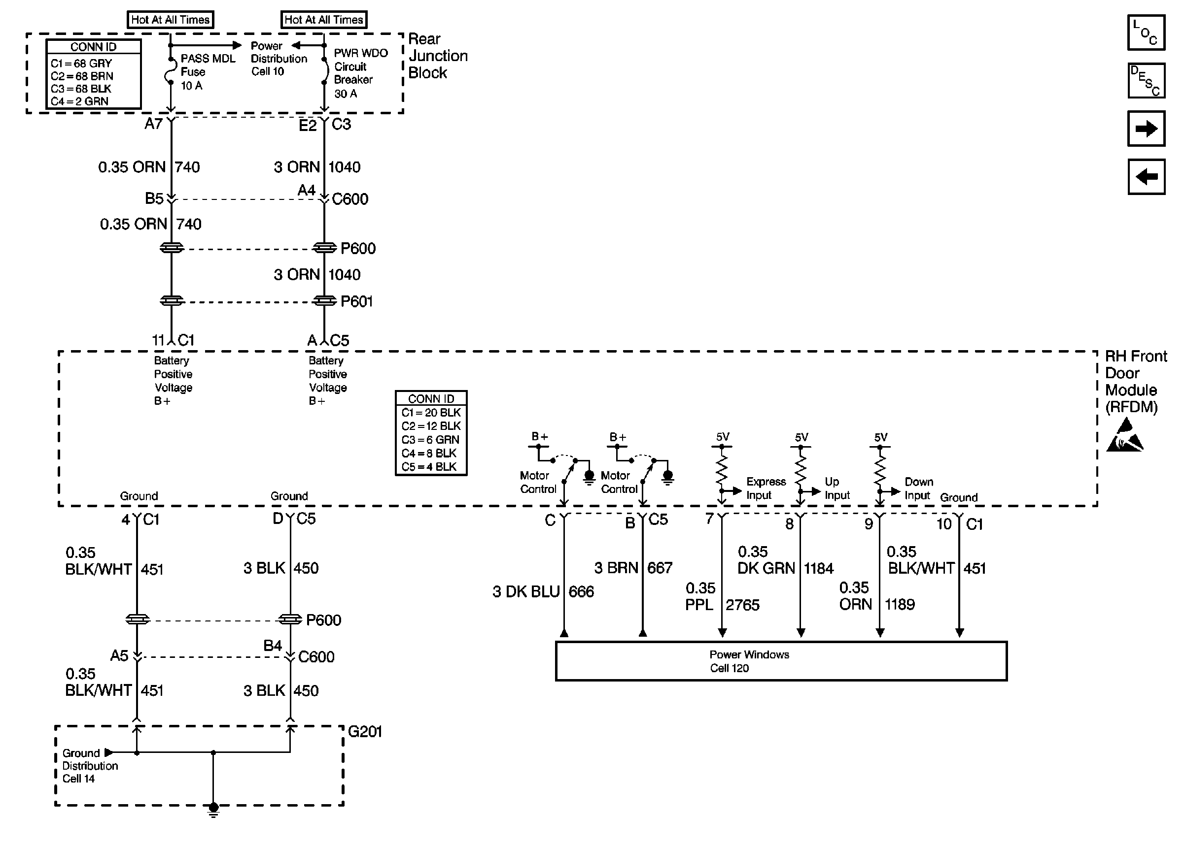
🢒 Cell 55: RFDM Power, Ground, Inputs, and Outputs
Cell 55: RFDM Power, Ground, Inputs, and Outputs
Cell 55: RFDM Power, Ground, Inputs, and Outputs
Power Door Systems Components
Door Description
Cell 55: RFDM Inputs and Outputs
Cell 55: LFDM Power, Ground, Inputs, and Outputs
Handling ESD Sensitive Parts Notice
Power Door Systems Connector End Views
Cell 14: G201 (1 of 2)
Power Door Systems Connector End Views
Cell 10: DRV MDL, PASS MDL, RRDR MDL, and ALDL Fuses
Cell 120 - RH Power Window