GM Service Manual Online
For 1990-2009 cars only
Makes
🢒
Cadillac
🢒
2001
🢒
Seville - RHD
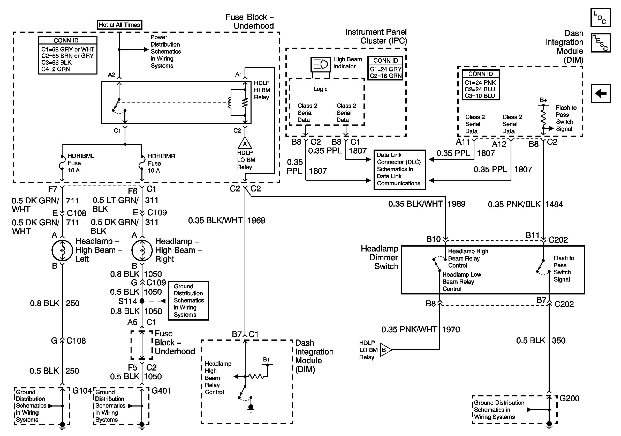
🢒 High Beam Headlamps
High Beam Headlamps
High Beam Headlamps
Low Beam Headlamps
Lighting Systems Component Views
Exterior Lighting Systems Description and Operation
Power to Underhood Fuse Block
Low Beam Headlamps
Class 2 Serial Data Line (LH Drive) (1 of 2)
Door MDL and ALDL Fuses
G401 (3 of 3)
Low Beam Headlamps
G200