GM Service Manual Online
For 1990-2009 cars only
Makes
🢒
Cadillac
🢒
2001
🢒
Seville - RHD
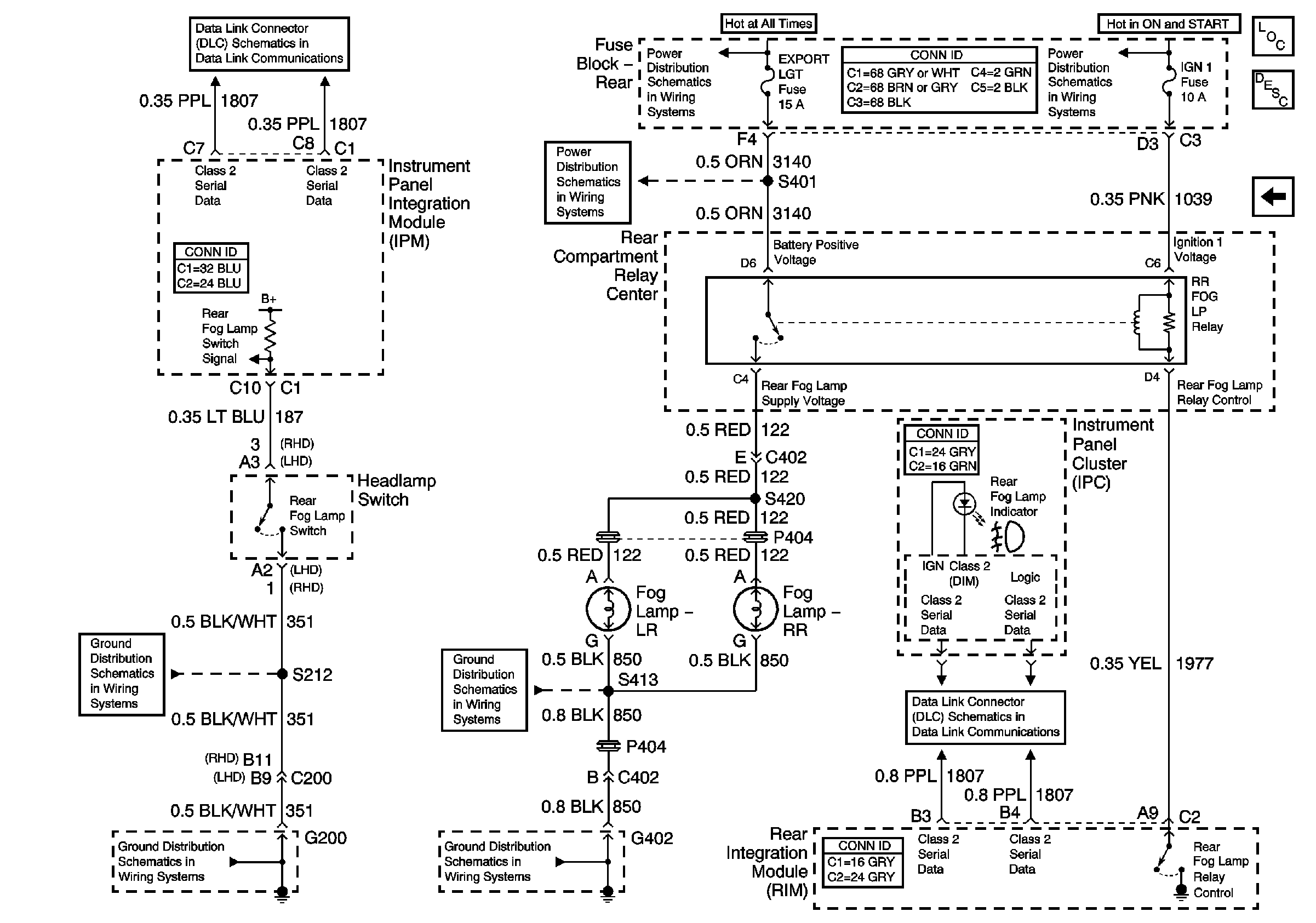
🢒 Rear Fog Lamps
Rear Fog Lamps
Rear Fog Lamps
Front Fog Lamps
Lighting Systems Component Views
Exterior Lighting Systems Description and Operation
Class 2 Serial Data Line (LH Drive) (1 of 2)
RAP and EXPORT LGT Fuses
Battery Feeds
Battery Feeds
G200
G200
G402 (2 of 2)
G402 (2 of 2)
Class 2 Serial Data Line (LH Drive) (1 of 2)