GM Service Manual Online
For 1990-2009 cars only
Makes
🢒
Cadillac
🢒
2001
🢒
Seville - RHD
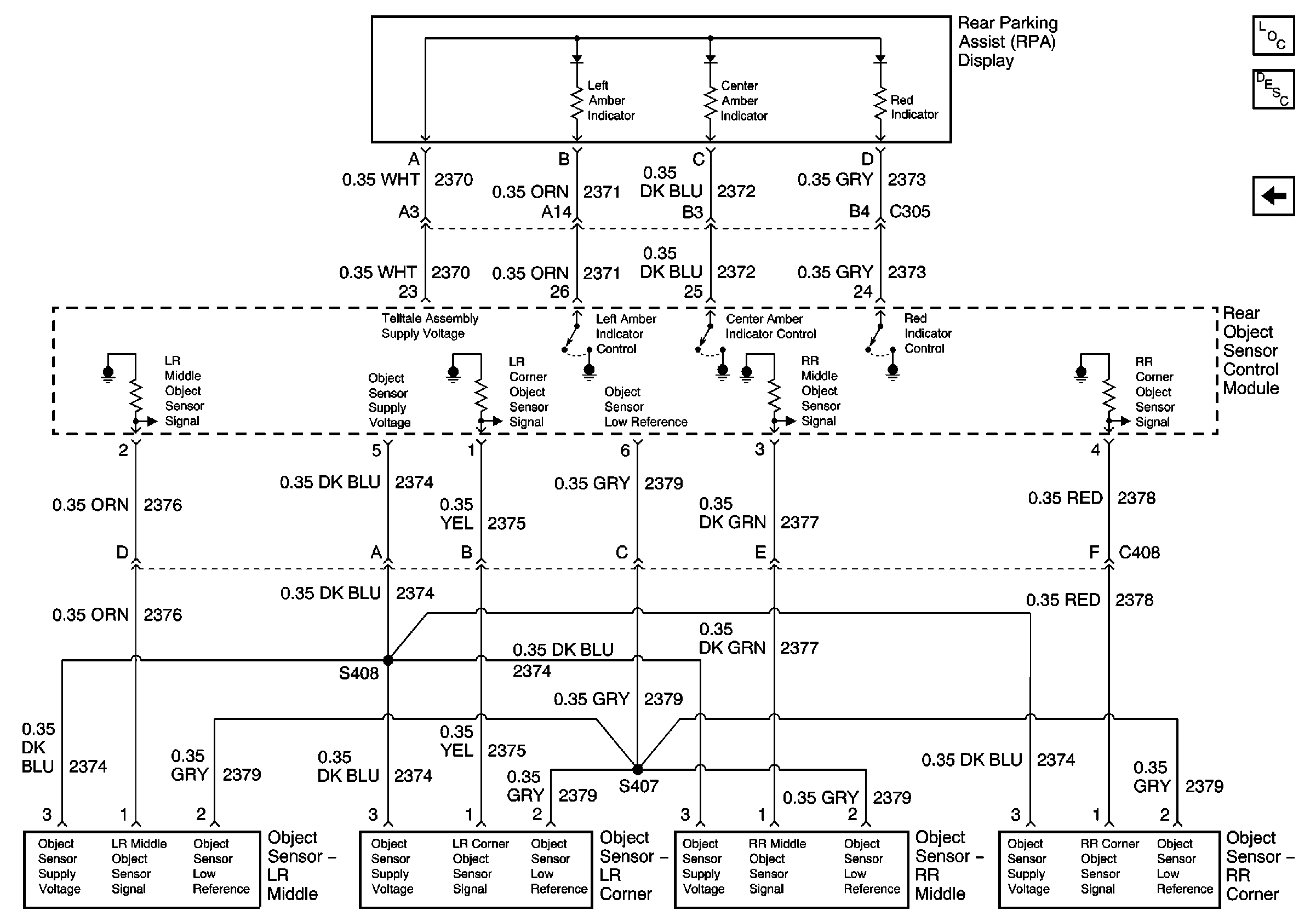
🢒 Object Sensors
Object Sensors
Object Sensors
Rear Object Sensor Control Module Power and Ground
Rear Parking Assist Component Views
Object Detection Description and Operation