GM Service Manual Online
For 1990-2009 cars only
Makes
🢒
Cadillac
🢒
2001
🢒
Seville - RHD
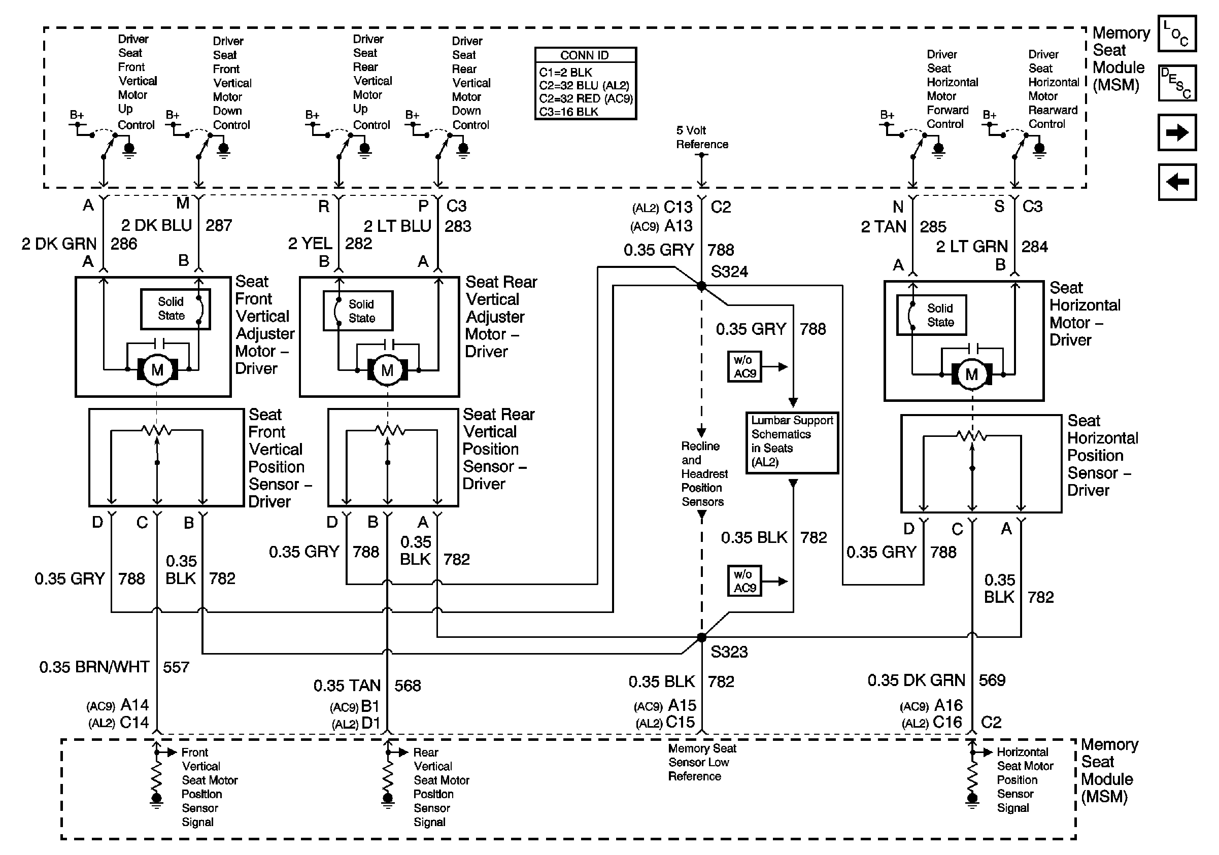
🢒 Front Height, Rear Height, Forward/Back Motors and Position Sensors
Front Height, Rear Height, Forward/Back Motors and Position Sensors
Front Height, Rear Height, Forward/Back Motors and Position Sensors
Power, Ground, LH Seat Switch, and Memory Seat Module
Recline, Headrest Motors and Position Sensors; Class 2
Power Seat Component Views
Lumbar Switch, Lumbar Motors, Lumbar Position Sensors, and Memory Seat Module