GM Service Manual Online
For 1990-2009 cars only
Makes
🢒
Cadillac
🢒
2001
🢒
Seville - RHD
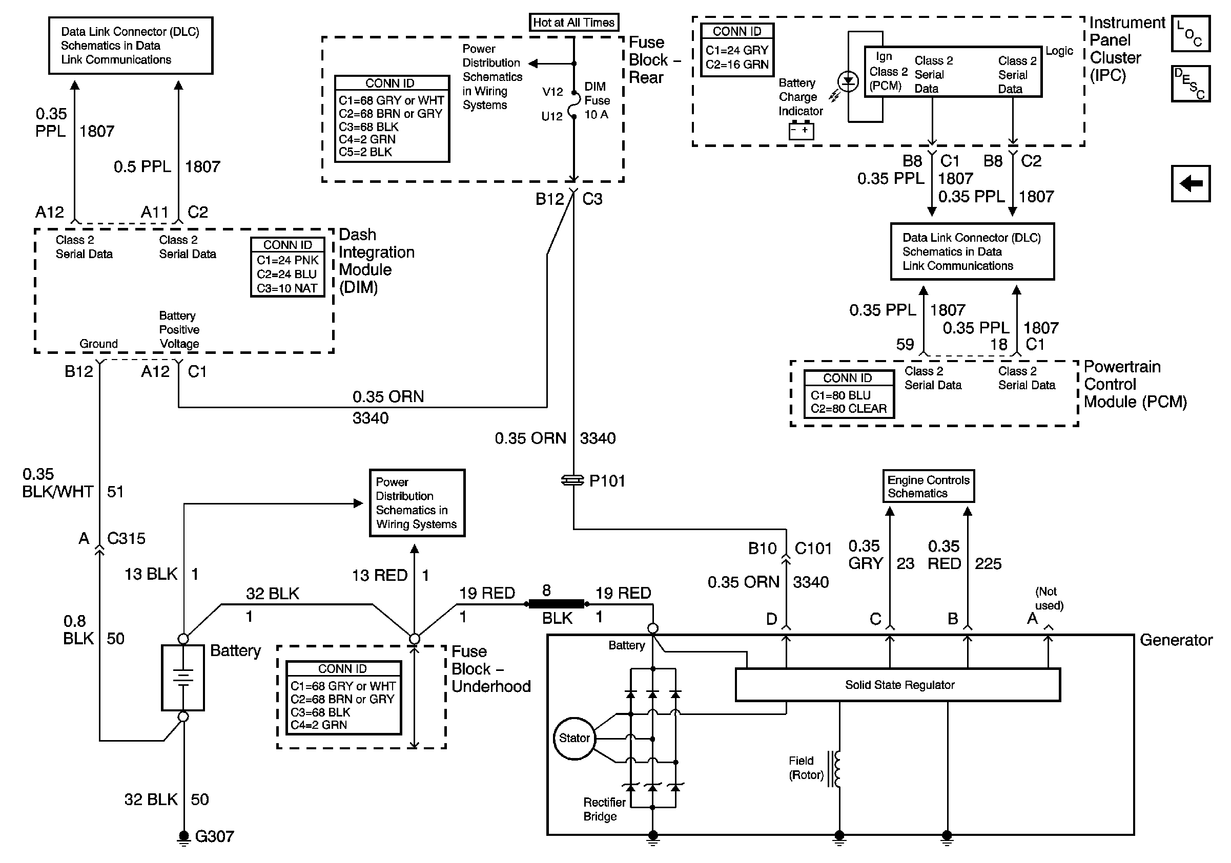
🢒 Generator Controls
Generator Controls
Generator Controls
Master Electrical Component List
Charging System Description and Operation
Starting Controls
Controlled/Monitored Subsystem References
Battery Feed to Fuse Block - Underhood
Battery Feed to Fuse Block - Rear