GM Service Manual Online
For 1990-2009 cars only
Makes
🢒
Cadillac
🢒
2002
🢒
Seville - RHD
🢒
Brakes
🢒
Disc Brakes
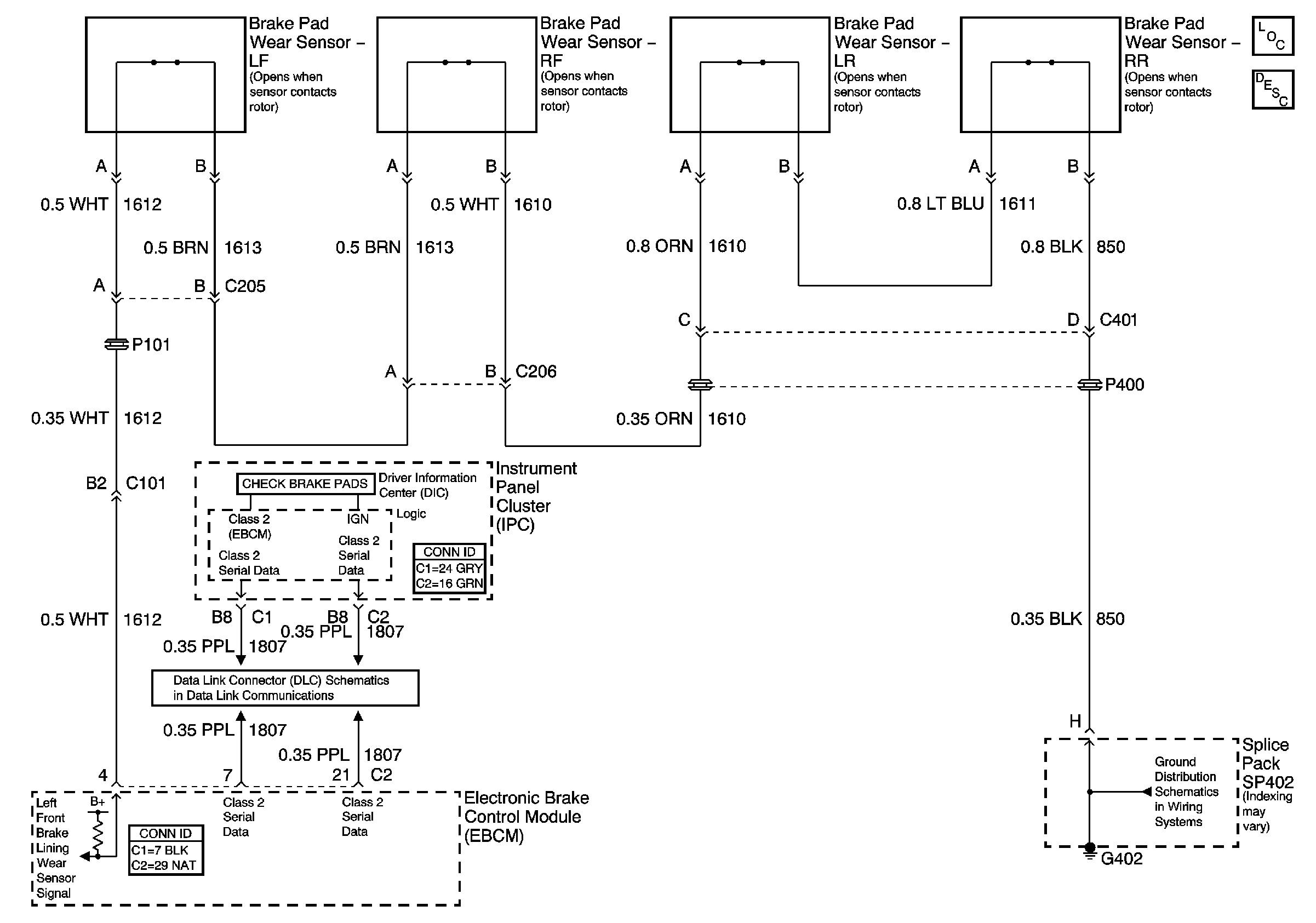
🢒 Disc Brake Schematics
Master Electrical Component List
Disc Brake System Description and Operation
G402 1 of 2
Class 2 Serial Data Line (LH Drive) (1 of 2)