GM Service Manual Online
For 1990-2009 cars only
Makes
🢒
Cadillac
🢒
2004
🢒
XLR
🢒 Ground, Indicators, Messages, and Power
Ground, Indicators, Messages, and Power
Ground, Indicators, Messages, and Power
Master Electrical Component List
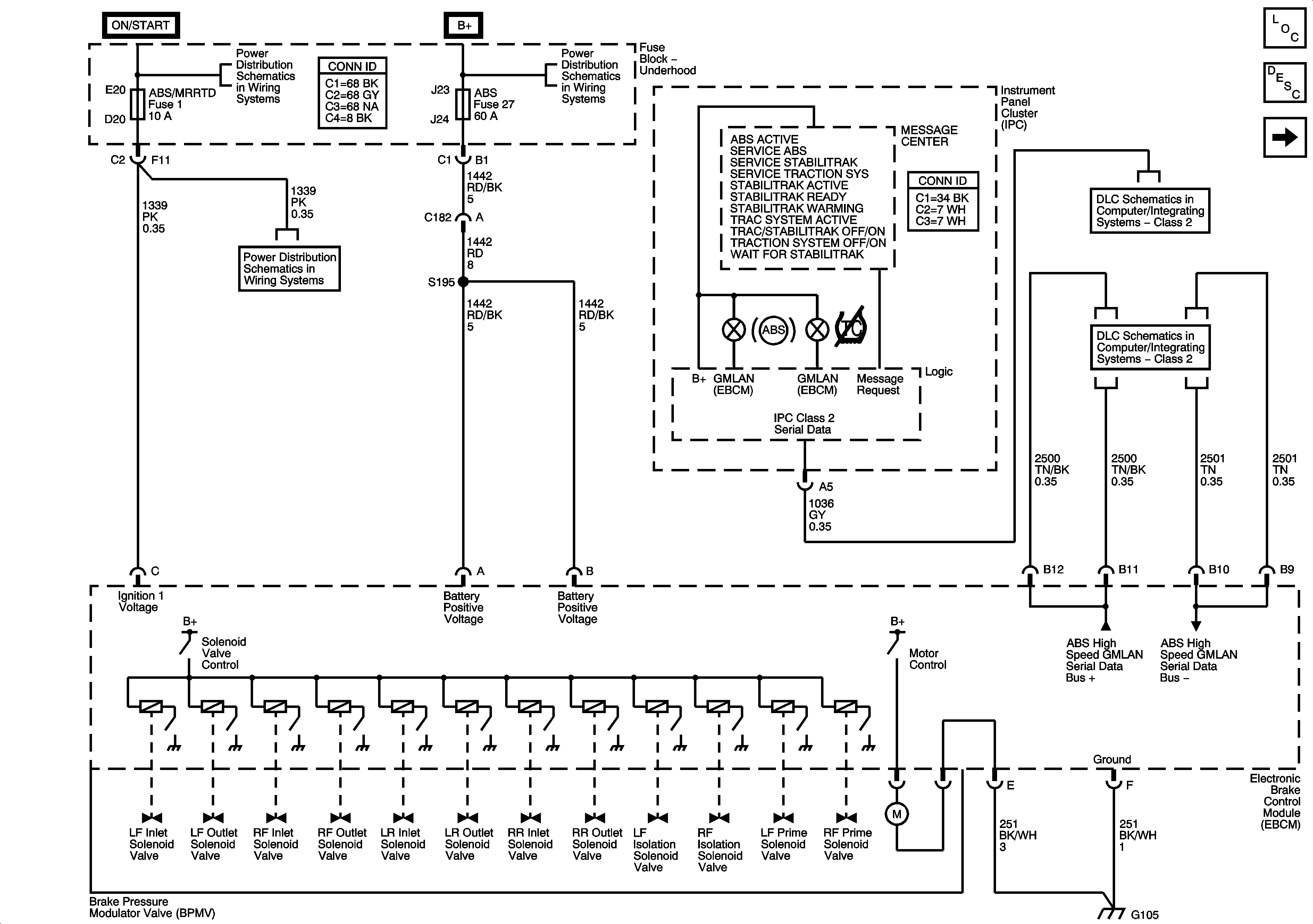
ABS Description and Operation
Wheel Speed Sensors
BCM Fuses; ECM, GMLAN DEVICES, RPA / H/C SEAT, and SDM/PSIR SW, Fuse Block-Underhood Fuses; ABS/MRRTD, and ACC/TCM
Fuse Block-Underhood Bussing
BCM Fuses; ECM, GMLAN DEVICES, RPA / H/C SEAT, and SDM/PSIR SW, Fuse Block-Underhood Fuses; ABS/MRRTD, and ACC/TCM
Class 2
GMLAN