GM Service Manual Online
For 1990-2009 cars only
Makes
🢒
Cadillac
🢒
2004
🢒
XLR
🢒 Park Brake System Schematics
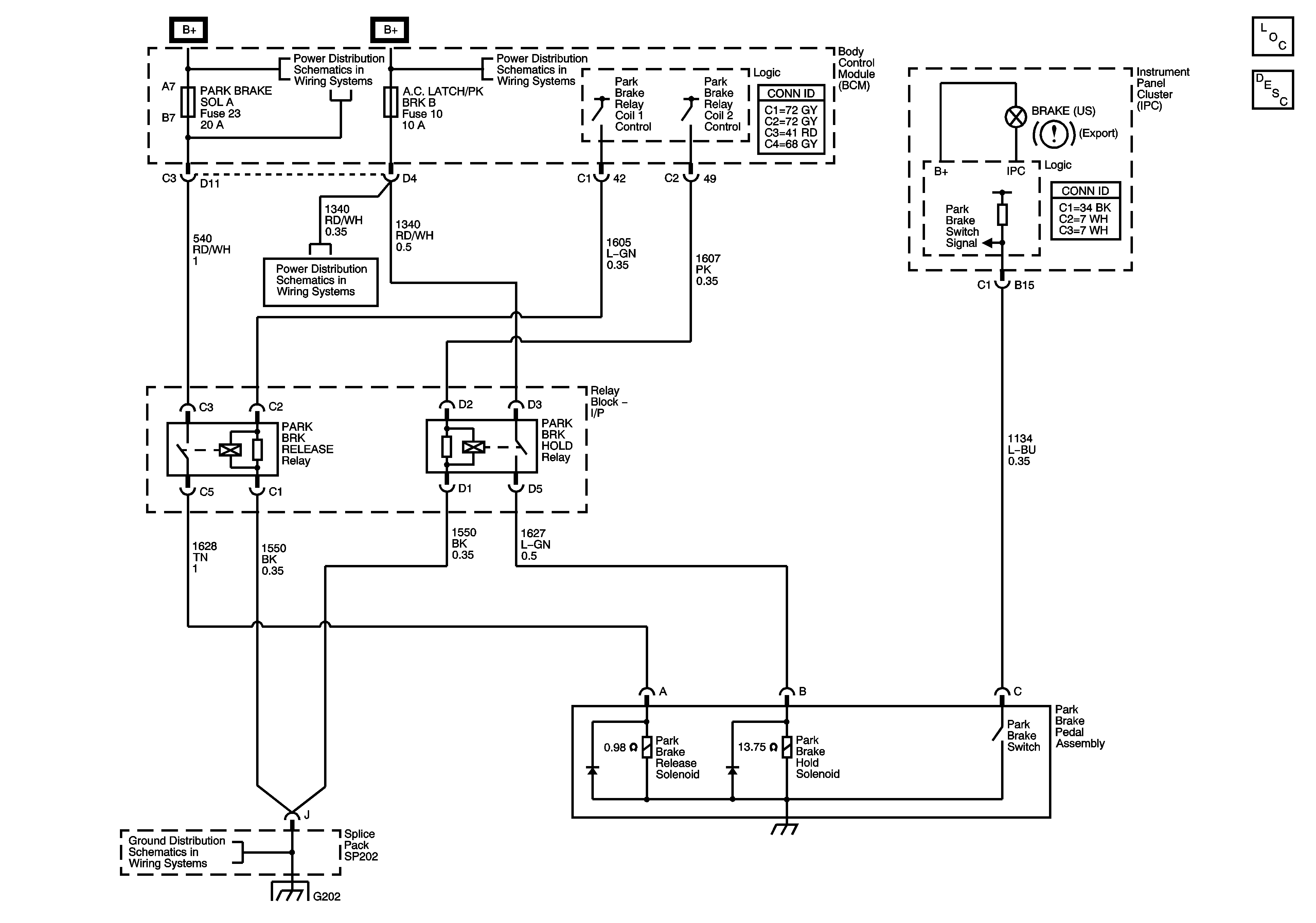
Park Brake System Schematics
Master Electrical Component List
Park Brake System Description and Operation
Fuse Block-Underhood Fuse: BATT5, BCM Fuses; ACCA/DRIV DR SW, IGNITION SW/INTR SENS, ONSTAR, PARK BRAKE SOL A, and TILT/TELE SW/MEM SEAT MOD
BCM Fuses; A.C.LATCH/PK BRK B, CLUSTER, DOOR LOCKS, HVAC/PWR SND, INTERIOR LIGHTS, ISRVM/HVAC, and TUTD SW/STRG COL SW
BCM Fuses; A.C.LATCH/PK BRK B, CLUSTER, DOOR LOCKS, HVAC/PWR SND, INTERIOR LIGHTS, ISRVM/HVAC, and TUTD SW/STRG COL SW
G202-1 of 2