GM Service Manual Online
For 1990-2009 cars only
Makes
🢒
Cadillac
🢒
2004
🢒
XLR
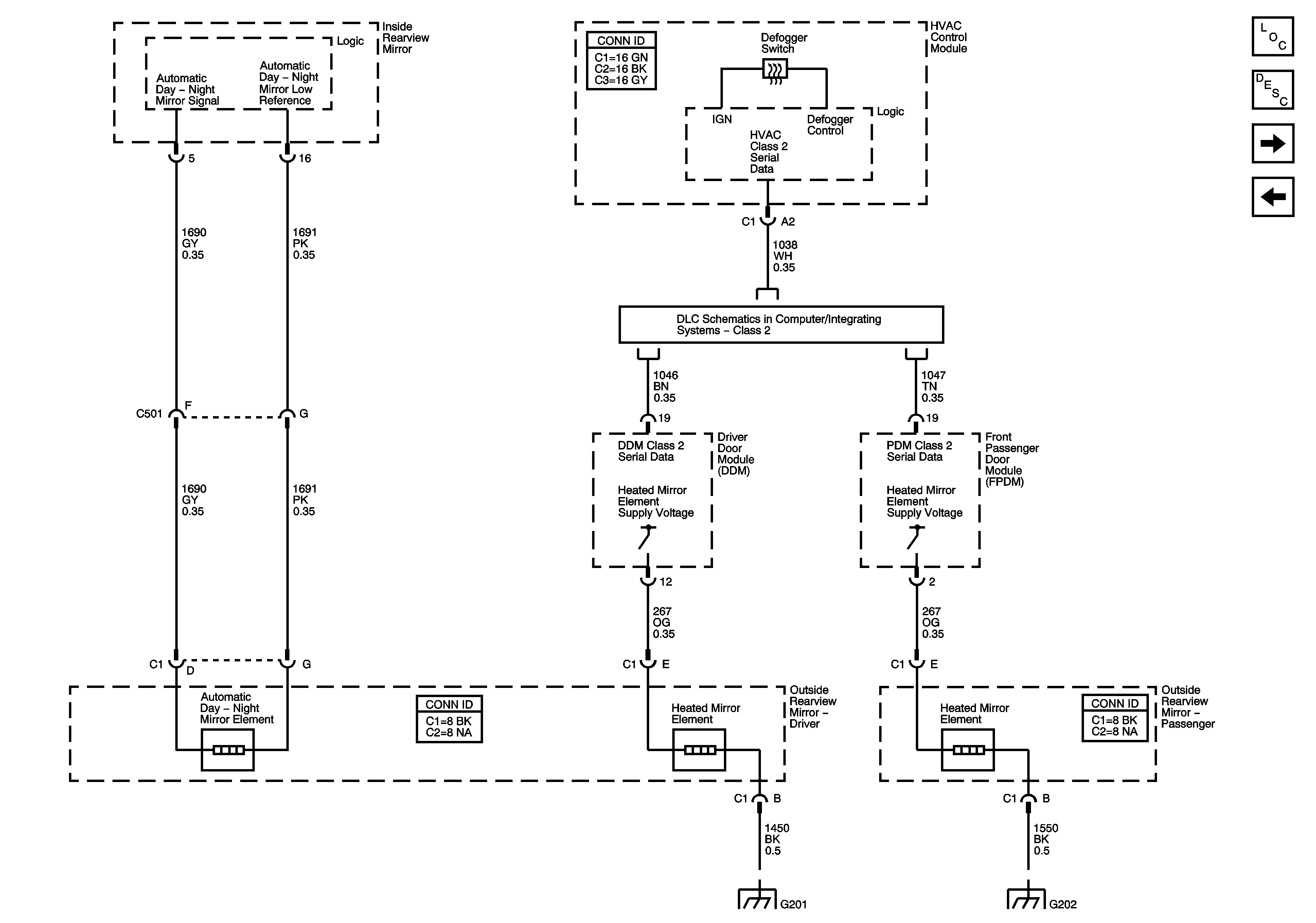
🢒 Dimming Mirror, Heated Mirrors
Dimming Mirror, Heated Mirrors
Dimming Mirror, Heated Mirrors
Master Electrical Component List
Outside Mirror Description and Operation
Power Folding Mirrors-Export
Memory Power Mirrors
Class 2