GM Service Manual Online
For 1990-2009 cars only
Makes
🢒
Cadillac
🢒
2004
🢒
XLR
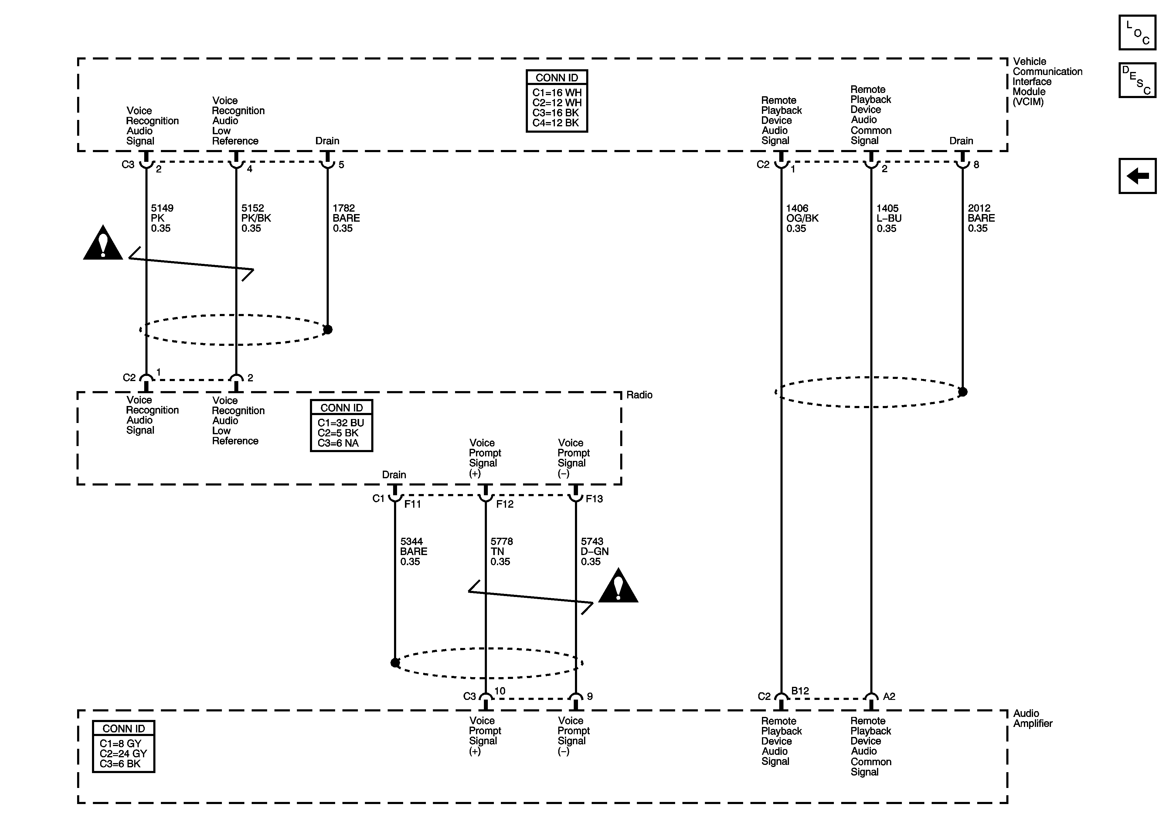
🢒 Audio Output
Audio Output
Audio Output
Master Electrical Component List
OnStar Description and Operation
Antenna, DLC, Ground, Power, and User Inputs
Cellular Communication Schematic Icons
Cellular Communication Schematic Icons