GM Service Manual Online
For 1990-2009 cars only
Makes
🢒
Cadillac
🢒
2004
🢒
XLR
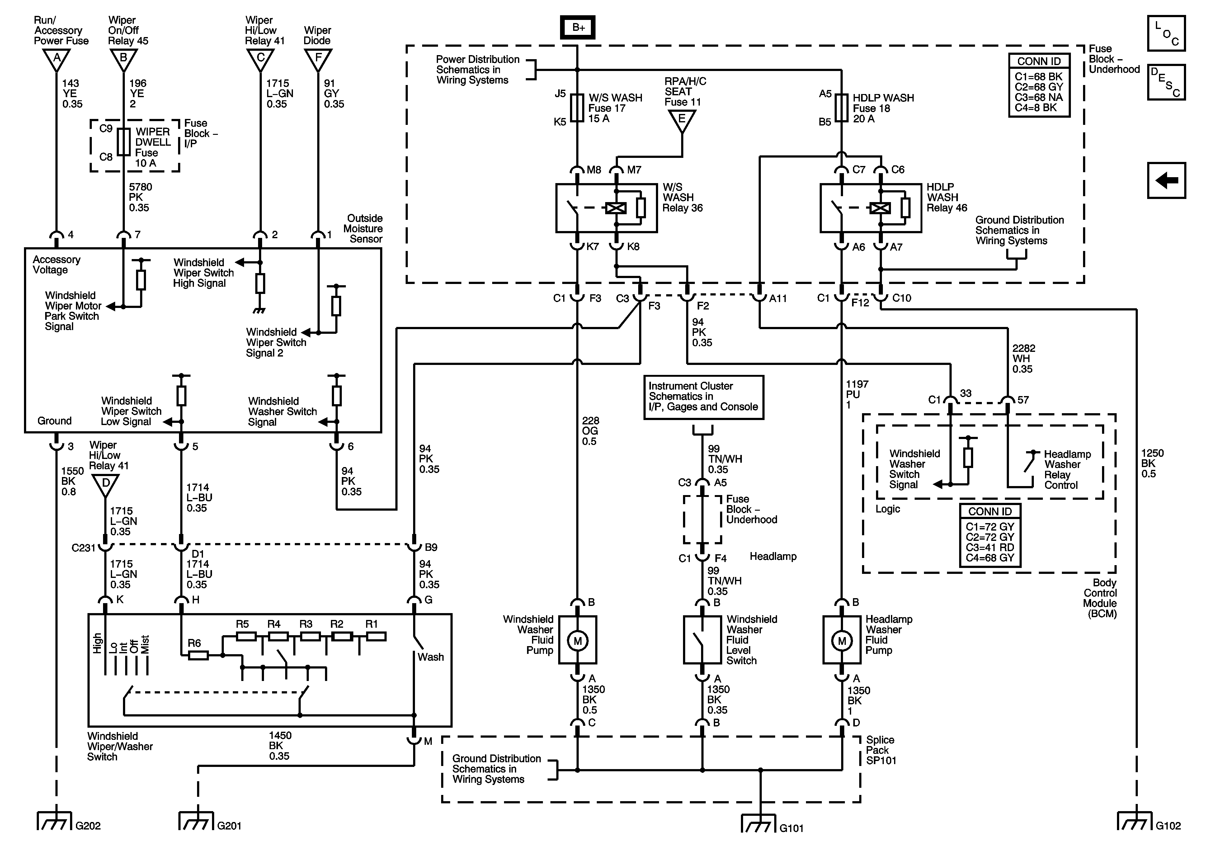
🢒 Wiper Switch, Washers andOutside Moisture Sensor
Wiper Switch, Washers andOutside Moisture Sensor
Wiper Switch, Washers and Outside Moisture Sensor
Master Electrical Component List
Wiper/Washer System Description and Operation
Power, Ground and Wiper Motor
Power, Ground and Wiper Motor
Power, Ground and Wiper Motor
Power, Ground and Wiper Motor
Power, Ground and Wiper Motor
Fuse Block-Underhood Fuses; LT HI BM, LT LO BM, RT HI BM, RT LO BM, Fuse Block-I/P Fuses; RUN/ACCESSORY POWER, STEERING WHEEL DIMMING, and WIPER DWELL
Power, Ground and Wiper Motor
G102
Power, Ground and Wiper Motor
DLC, Ground, Indicators, and Power
G101