GM Service Manual Online
For 1990-2009 cars only
Makes
🢒
Cadillac
🢒
2004
🢒
XLR
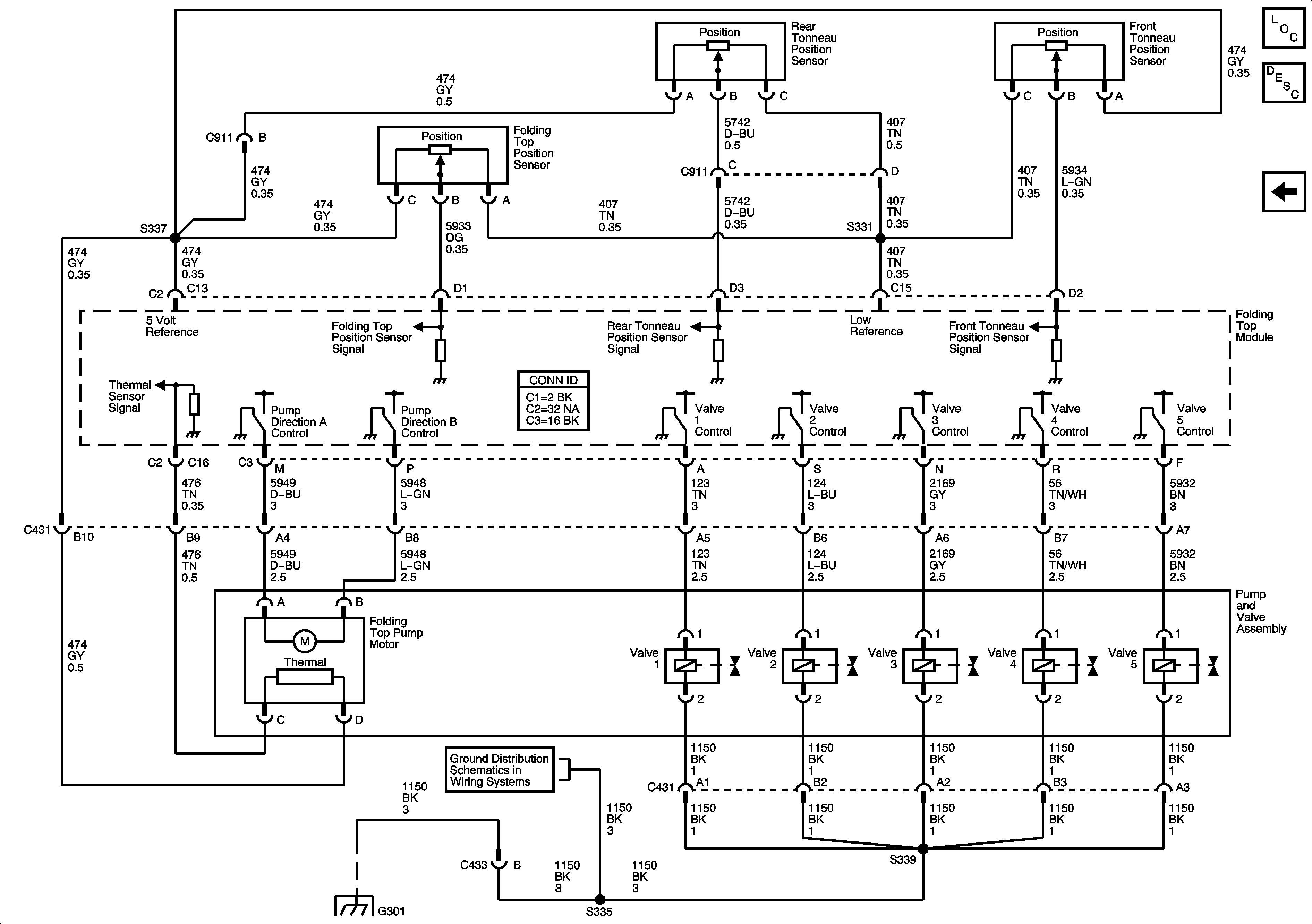
🢒 Sensors,Valves and Pump
Sensors,Valves and Pump
Sensors, Valves and Pump
Master Electrical Component List
Power Folding Top Description and Operation
Switches
G301