GM Service Manual Online
For 1990-2009 cars only
Makes
🢒
Cadillac
🢒
2004
🢒
XLR
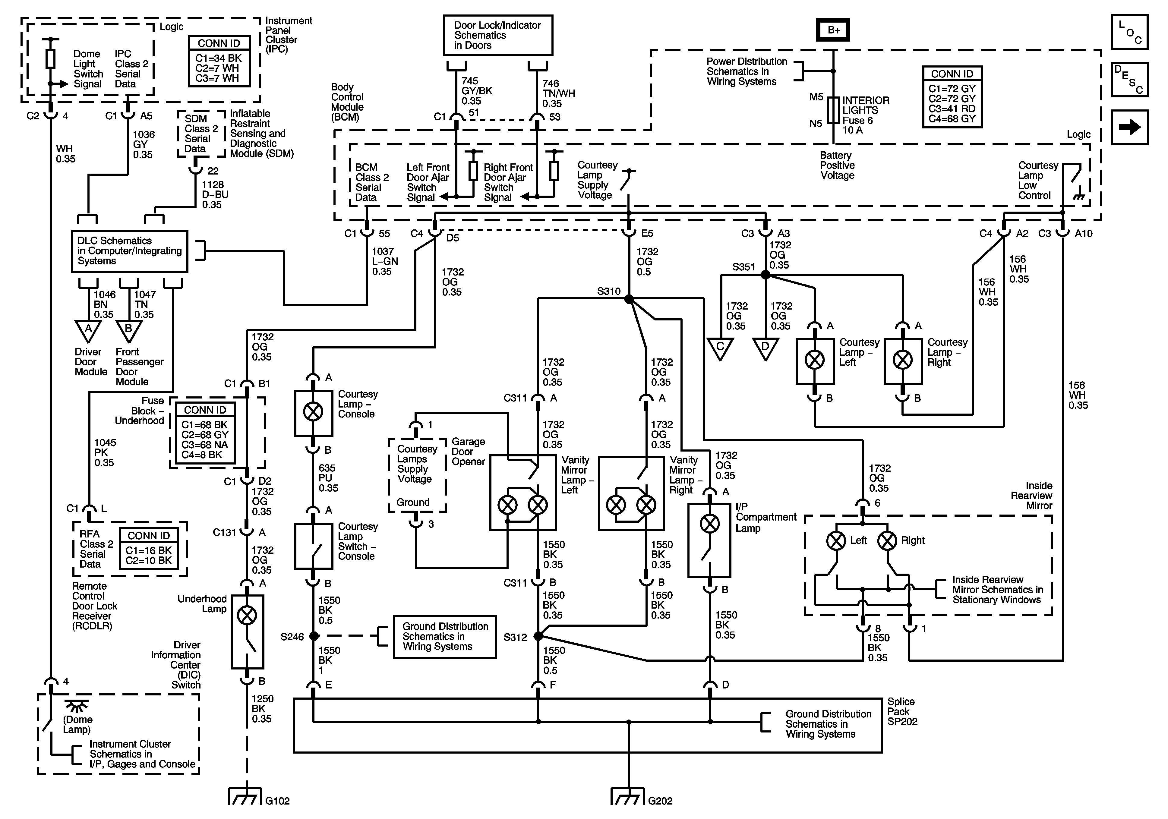
🢒 Lamp Controls, Courtesy, Underhood, I/P Compartment, Vanity Mirrors and Inside Rearview Mirror Lamps
Lamp Controls, Courtesy, Underhood, I/P Compartment, Vanity Mirrors and Inside Rearview Mirror Lamps
Lamp Controls, Courtesy, Underhood, I/P Compartment, Vanity Mirrors and Inside Rearview Mirror Lamps
Master Electrical Component List
Interior Lighting Systems Description and Operation
Door and Rear Compartment Courtesy Lamps
Indicators, Messages, and Ajar/Open/Lock Switches
BCM Fuses; A.C.LATCH/PK BRK B, CLUSTER, DOOR LOCKS, HVAC/PWR SND, INTERIOR LIGHTS, ISRVM/HVAC, and TUTD SW/STRG COL SW
Class 2
Door and Rear Compartment Courtesy Lamps
Door and Rear Compartment Courtesy Lamps
Door and Rear Compartment Courtesy Lamps
Door and Rear Compartment Courtesy Lamps
Messages
G202-1 of 2
G202-1 of 2
Inside Rearview Mirror