GM Service Manual Online
For 1990-2009 cars only
Makes
🢒
Cadillac
🢒
2004
🢒
XLR
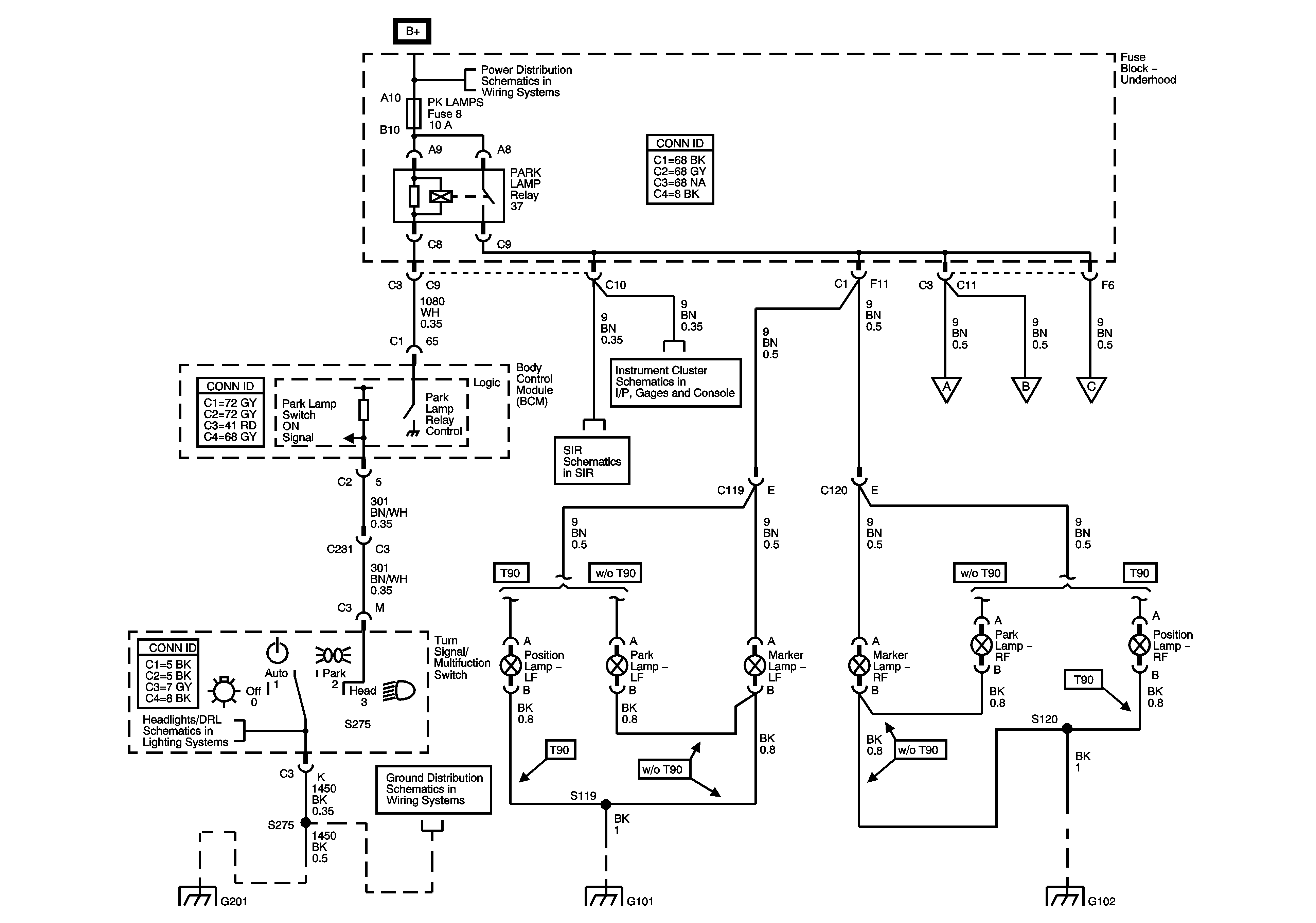
🢒 Park Lamp Control, Sidemarker, Park and Position Lamps
Park Lamp Control, Sidemarker, Park and Position Lamps
Park Lamp Control, Sidemarker, Park and Position Lamps
Master Electrical Component List
Exterior Lighting Systems Description and Operation
Rear Park Lamps and License Lamps
Fuse Block-Underhood Bussing
Deployment Loops
DLC, Ground, Indicators, and Power
Rear Park Lamps and License Lamps
Rear Park Lamps and License Lamps
Rear Park Lamps and License Lamps
Headlamp/DRL Controls
G201