GM Service Manual Online
For 1990-2009 cars only
Makes
🢒
Cadillac
🢒
2004
🢒
XLR
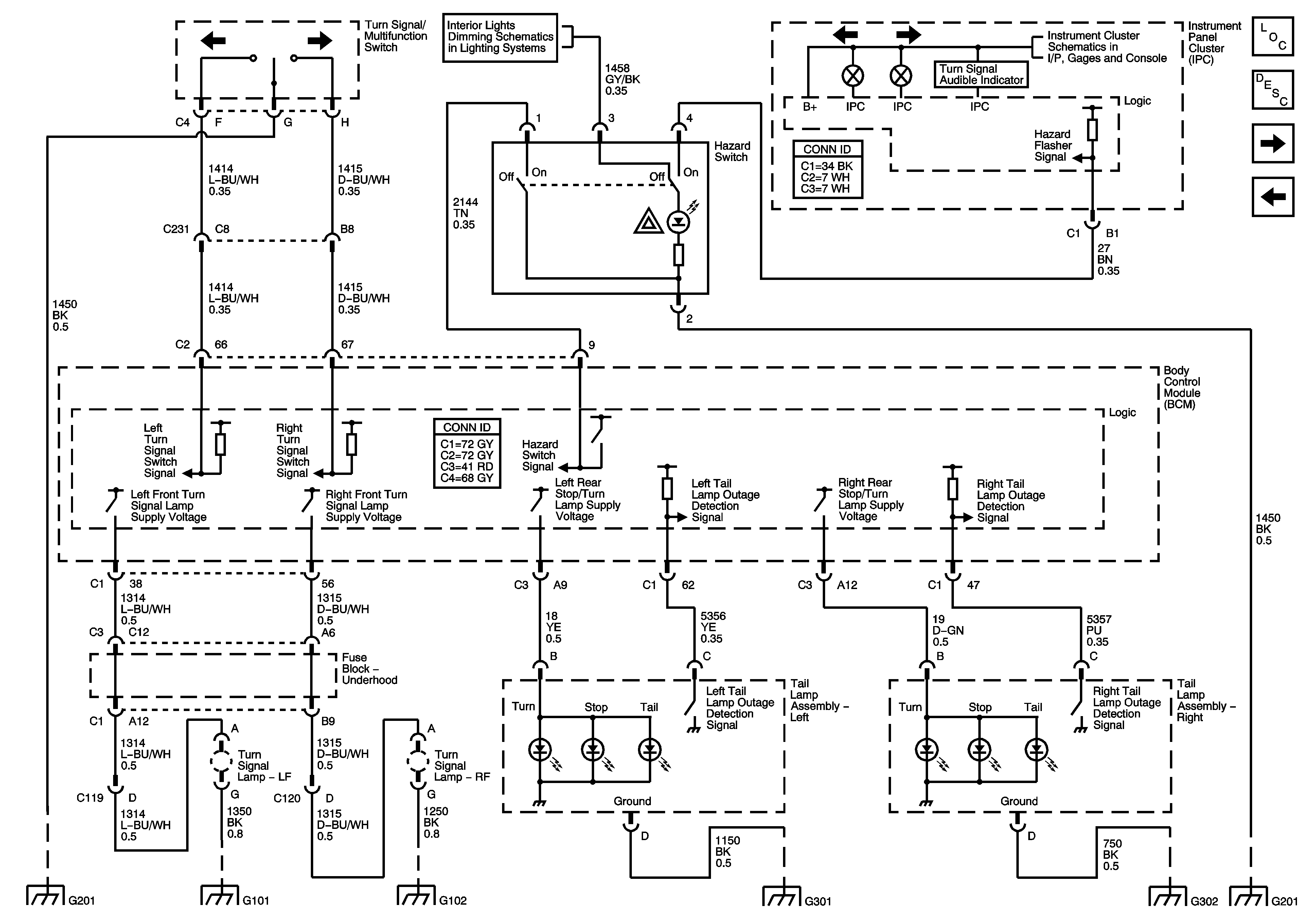
🢒 Turn Signal and Hazard Lamps (Domestic)
Turn Signal and Hazard Lamps (Domestic)
Turn Signal and Hazard Lamps (Domestic)
Master Electrical Component List
Exterior Lighting Systems Description and Operation
Stoplamps
Rear Park Lamps and License Lamps
DLC, HVAC Control Module, Radio and Switches
DLC, Ground, Indicators, and Power