GM Service Manual Online
For 1990-2009 cars only
Makes
🢒
Cadillac
🢒
2004
🢒
XLR
🢒 Lumbar Support
Lumbar Support
Lumbar Support
Master Electrical Component List
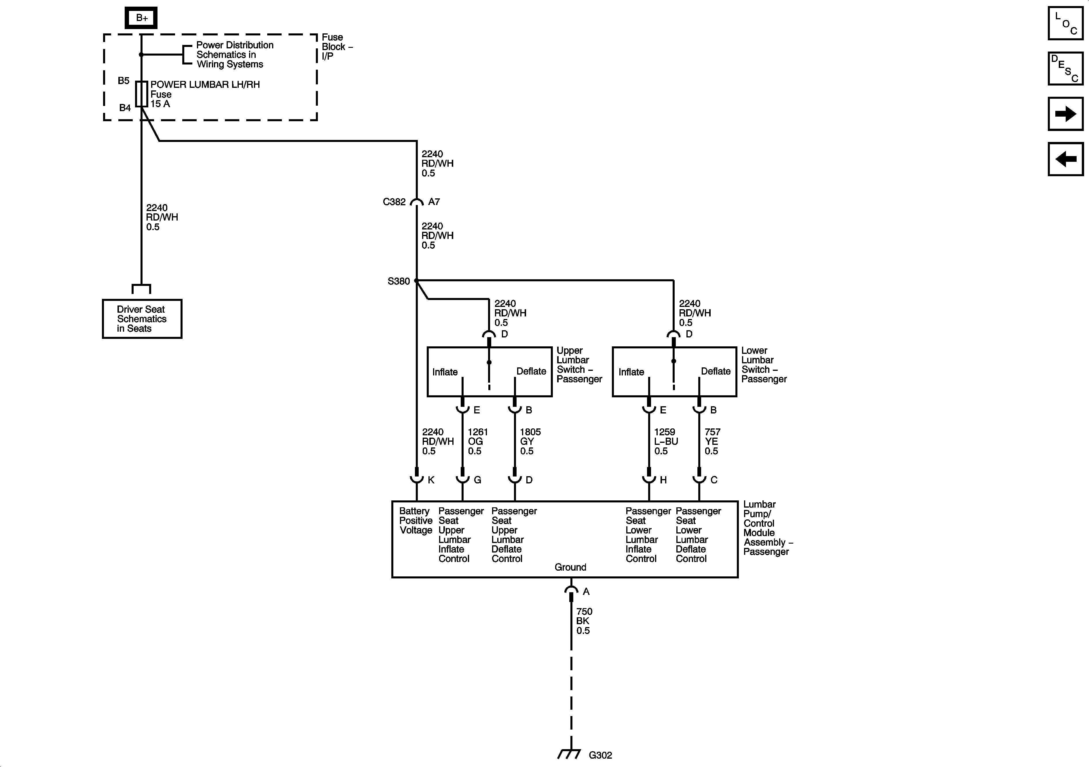
Lumbar Support Description and Operation
Passenger
Power Seats Schematics
Fuse Block-Underhood Fuse; BATT1, Fuse Block-I/P Fuses; HEATED SEAT LH, HEATED SEAT RH, POWER LUMBAR LH/RH, Fuse Block-I/P Circuit Breakers; DOOR CONTROLS, and POWER SEATS
Lumbar Support Schematics
G302, G401, and G402