GM Service Manual Online
For 1990-2009 cars only
Makes
🢒
Cadillac
🢒
2004
🢒
XLR
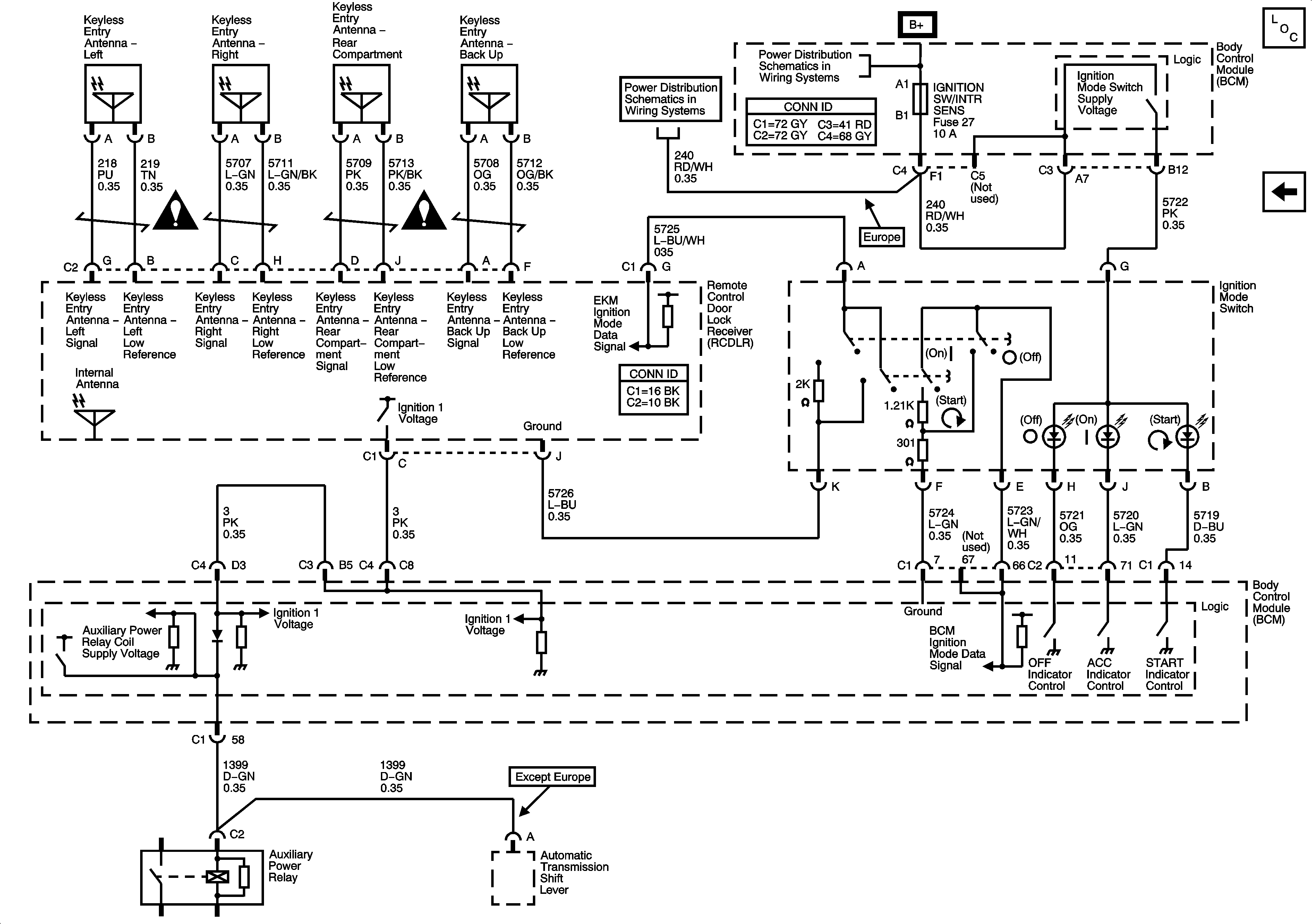
🢒 Ignition Modes
Ignition Modes
Ignition Modes
Master Electrical Component List
Fuse Block-Underhood Fuses; LT HI BM, LT LO BM, RT HI BM, RT LO BM, Fuse Block-I/P Fuses; RUN/ACCESSORY POWER, STEERING WHEEL DIMMING, and WIPER DWELL
Fuse Block-Underhood Fuse: BATT5, BCM Fuses; ACCA/DRIV DR SW, IGNITION SW/INTR SENS, ONSTAR, PARK BRAKE SOL A, and TILT/TELE SW/MEM SEAT MOD
Fuse Block-Underhood Fuse: BATT5, BCM Fuses; ACCA/DRIV DR SW, IGNITION SW/INTR SENS, ONSTAR, PARK BRAKE SOL A, and TILT/TELE SW/MEM SEAT MOD
Power and Grounding Schematic Icons
Power and Grounding Schematic Icons