GM Service Manual Online
For 1990-2009 cars only
Makes
🢒
Cadillac
🢒
2004
🢒
XLR
🢒 Charging
Charging
Charging
Master Electrical Component List
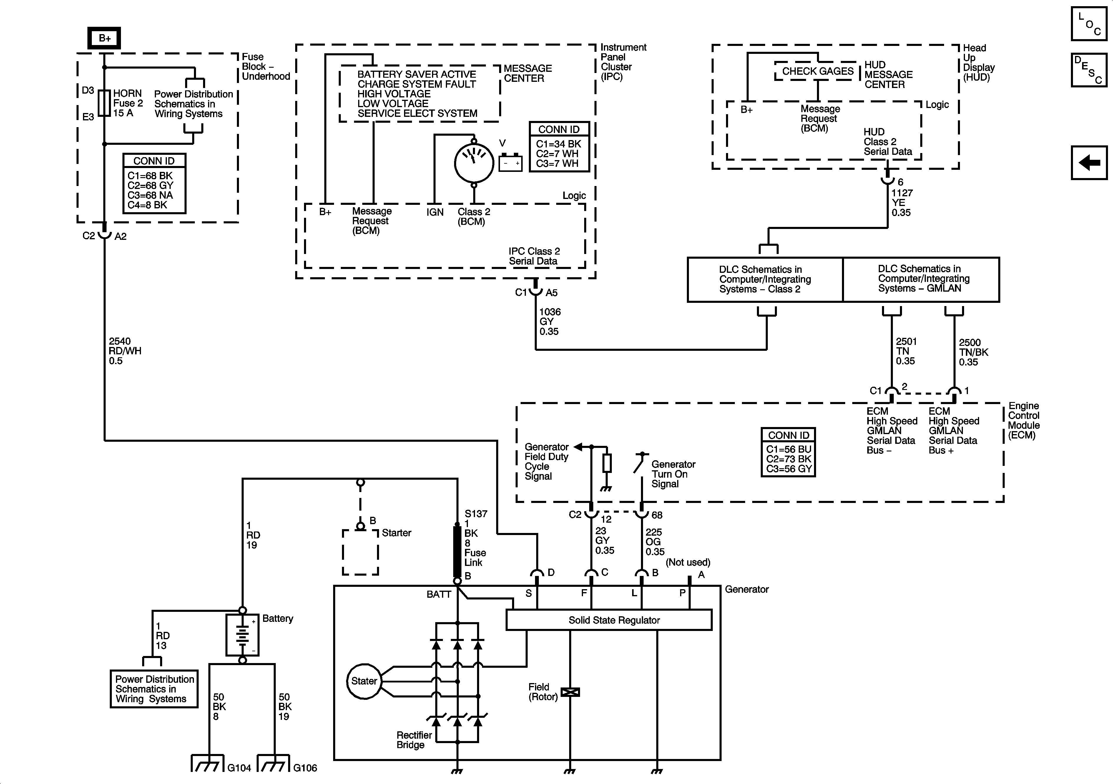
Charging System Description and Operation
Cranking
Fuse Block-Underhood Bussing
Class 2
GMLAN
Fuse Block-Underhood Bussing