GM Service Manual Online
For 1990-2009 cars only
Makes
🢒
Cadillac
🢒
2004
🢒
XLR
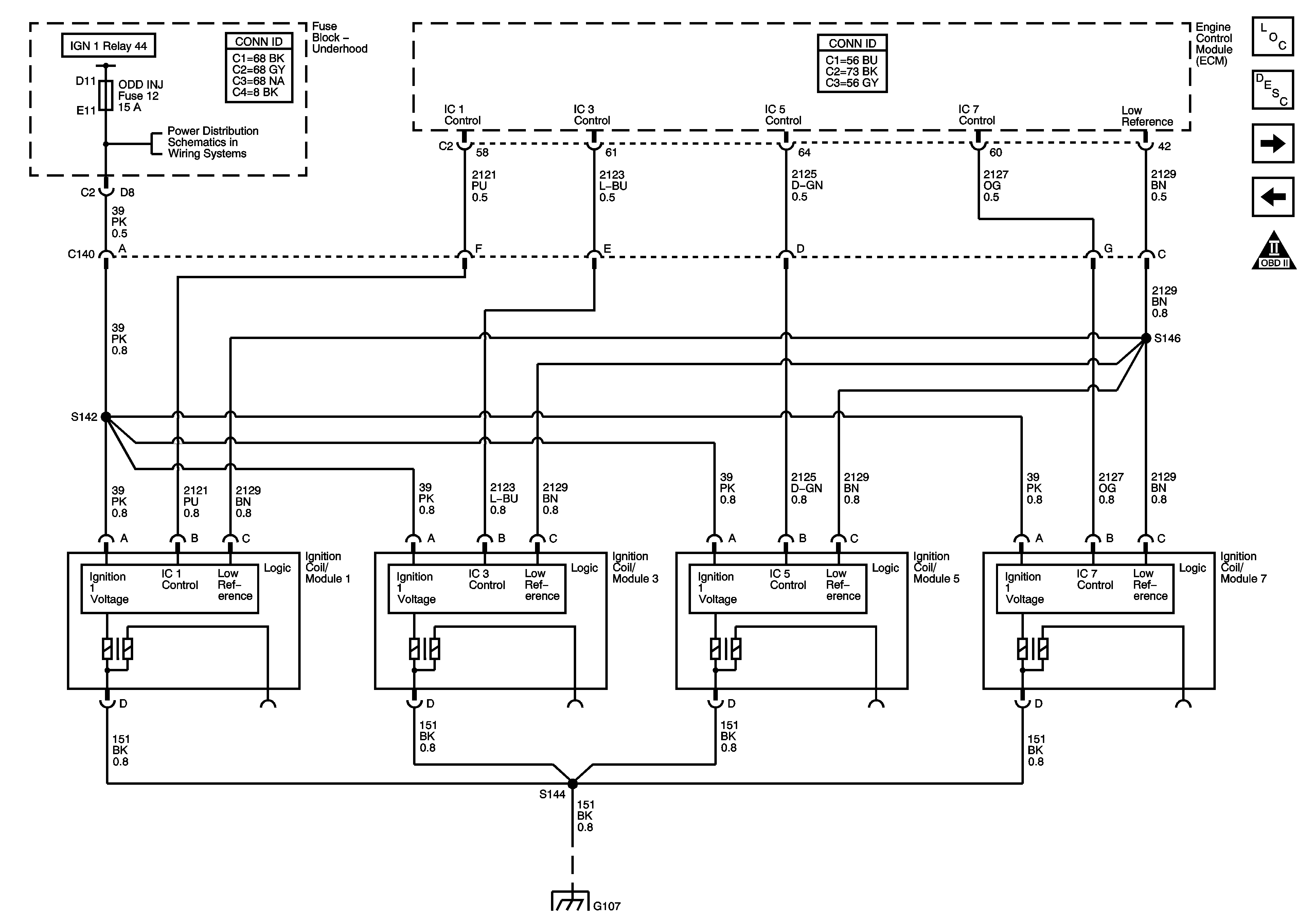
🢒 Ignition System-Bank 1
Ignition System-Bank 1
Ignition System-Bank 1
Master Electrical Component List
Electronic Ignition (EI) System Description
Ignition System-Bank 2
Electronic Throttle Controls
Engine Controls Schematic Icons
Fuse Block-Underhood Bussing