GM Service Manual Online
For 1990-2009 cars only

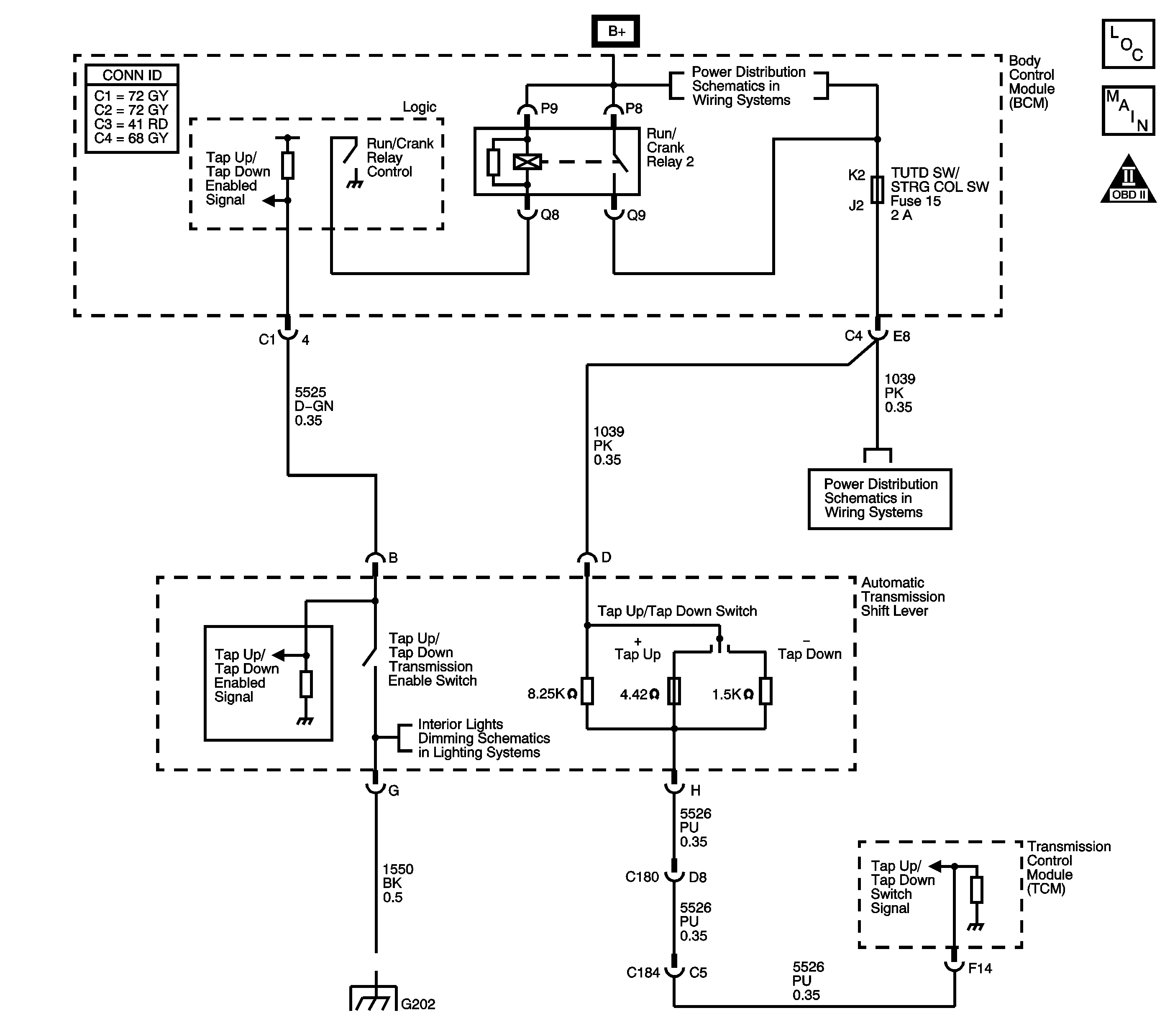
Object Number: 1388410  Size: LF
Master Electrical Component List
Automatic Transmission Controls Schematics
OBD II Symbol Description Notice

Circuit Description

The TAP Shift system allows the driver to manually shift gears by using the TAP Shift switches located on the Automatic Transmission Shifter. Pushing the Up switch will command an upshift and pushing the Down switch will command a downshift. The TAP Shift system is activated when the gear selector is in the manual, M, position and is deactivated in all other positions.

If the TCM detects TAP enable switch Active and the IMS does not indicate D5, DTC P1876 sets. DTC P1876 is a type C DTC.

Conditions for Running the DTC

    • No TAP system DTCs P0815, P0816 or P0826.
    • No IMS range DTCs P1815, P1820, P1822, P1823, P1825 or P1826.
    • The engine run time is greater than 5 seconds.
    • No CAN errors present.

Conditions for Setting the DTC

The TCM detects the TAP enable switch is Active and the IMS range is not D5 for 5 seconds.

Action Taken When the DTC Sets

    • The TCM does not request the ECM to illuminate the malfunction indicator lamp (MIL).
    • The TCM disables TAP Shift operation.
    • The TCM records the operating conditions when the Conditions for Setting the DTC are met. The TCM stores this information a Failure Record.
    • The TCM stores DTC P1876 in TCM history.

Conditions for Clearing the DTC

    • A scan tool can clear the DTC.
    • The TCM clears the DTC from TCM history if the vehicle completes 40 warm-up cycles without a non emission related diagnostic fault occurring.
    • The TCM cancels the DTC default actions when the ignition is OFF long enough in order to power down the TCM.

Step

Action

Value(s)

Yes

No

1

Did you perform the Diagnostic System Check - Vehicle?

--

Go to Step 2

Go to Diagnostic System Check - Vehicle in Vehicle DTC Information

2

  1. Install a scan tool.
  2. Turn ON the ignition, with the engine OFF.
  3. Important: Before clearing the DTC, use the scan tool in order to record the Failure Records. Using the Clear DTC Information function erases the Failure Records from the TCM.

  4. Record the DTC Failure Records.
  5. Clear the DTC.
  6. Start the engine.
  7. Move the A/T Shift Lever to the Manual position.
  8. Select IMS on the scan tool.

Does the scan tool IMS parameter display Drive 5?

--

Go to Intermittent Conditions in Engine Controls - 4.6L

Go to Step 3

3

  1. Select IMS A/B/C/P on the scan tool.
  2. Place the gear select lever in the Manual position.

Does the scan tool IMS A/B/C/P display indicate the specified value for each range?

HI/HI/HI/HI

Go to Step 14

Go to Step 4

4

  1. Inspect the transmission linkage from the range selector to the manual shift shaft for proper adjustment.
  2. Adjust the linkage as necessary. Refer to Parking System Components Removal in Transmission Unit Repair Manual.

Did the linkage require adjustment?

--

Go to Step 19

Go to Step 5

5

  1. Turn OFF the ignition.
  2. Disconnect the AT inline 20-way connector. Additional DTCs may set.
  3. Turn ON the ignition, with the engine OFF.
  4. Select IMS A/B/C/P on the scan tool.

Does the scan tool IMS A/B/C/P display all HI?

--

Go to Step 6

Go to Step 10

6

  1. Turn OFF the ignition.
  2. Install the J 45681 jumper harness on the TCM side of the AT inline 20-way connector.
  3. Turn ON the ignition, with the engine OFF.
  4. Using the DMM and the J 35616 GM terminal test kit, measure the voltage at the Transmission Range (TR) signal A circuit of the J 45681 . Refer to Automatic Transmission Inline 20-Way Connector End View .
  5. Measure the voltage at the TR signal B of the J 45681 .
  6. Measure the voltage at the TR signal C of the J 45681 .
  7. Measure the voltage at the TR signal P of the J 45681 .

Did you measure ignition voltage at all four terminals?

--

Go to Step 7

Go to Step 11

7

Install a fused jumper wire from the TR signal A circuit of the J 45681 to ground while monitoring the scan tool IMS A/B/C/P display.

Refer to Automatic Transmission Inline 20-Way Connector End View .

When the TR signal A circuit is grounded, do any other circuits indicate LOW?

--

Go to Step 12

Go to Step 8

8

Install a fused jumper wire from the TR signal B circuit of the to ground while monitoring the scan tool IMS A/B/C/P display.

Refer to Automatic Transmission Inline 20-Way Connector End View .

When the TR signal B circuit is grounded, do any other circuits indicate LOW?

--

Go to Step 12

Go to Step 9

9

Install a fused jumper wire from the TR signal C circuit of the to ground while monitoring the scan tool IMS A/B/C/P display.

Refer to Automatic Transmission Inline 20-Way Connector End View .

When the TR signal C circuit is grounded, do any other circuits indicate LOW?

--

Go to Step 12

Go to Step 13

10

Test the TR signal circuits of the transmission manual shift shaft switch assembly that did not indicate HI for a short to ground between the TCM connector and the AT inline 20-way connector.

Refer to Testing for Short to Ground and Wiring Repairs in Wiring Systems.

Did you find and correct the condition?

--

Go to Step 19

Go to Step 18

11

Test the TR signal circuits of the transmission manual shift shaft switch assembly that did not indicate ignition voltage for an open between the TCM connector and the AT inline 20-way connector.

Refer to Testing for Continuity and Wiring Repairs in Wiring Systems.

Did you find and correct the condition?

--

Go to Step 19

Go to Step 18

12

Test the affected signal circuits of the transmission manual shift shaft switch assembly for a shorted together condition between the TCM connector and the AT inline 20-way connector.

Refer to Circuit Testing and Wiring Repairs in Wiring Systems.

Did you find and correct the condition?

--

Go to Step 19

Go to Step 18

13

Test the TR signal circuits of the transmission manual shift shaft switch assembly for an open or shorted condition between the AT inline 20-way connector and the switch.

Refer to Testing for Continuity in Wiring Systems.

Did you find and correct the condition?

--

Go to Step 16

Go to Step 17

14

Test the ground circuit of the transmission manual shift shaft switch assembly for an open between the AT inline 20-way connector and the chassis.

Refer to Testing for Continuity and Wiring Repairs in Wiring Systems.

Did you find and correct the condition?

--

Go to Step 19

Go to Step 15

15

Test the ground circuit of the transmission manual shift shaft switch assembly for an open between the AT inline 20-way connector and the switch.

Refer to Testing for Continuity in Wiring Systems.

Did you find and correct the condition?

--

Go to Step 16

Go to Step 17

16

Replace the automatic transmission wiring harness assembly. Refer to Transmission Internal Electrical Harness Replacement .

Did you complete the replacement?

--

Go to Step 19

--

17

Replace the transmission manual shift shaft switch assembly.

Refer to Parking System Components Removal in Transmission Unit Repair Manual.

Is the action complete?

--

Go to Step 19

--

18

Replace the TCM. Refer to Transmission Control Module Replacement .

Is the action complete?

--

Go to Step 19

--

19

Perform the following procedure in order to verify the repair:

  1. Select DTC.
  2. Select Clear Info.
  3. Start the engine.
  4. Place the A/T Shift Lever in the Manual position.
  5. Select Specific DTC.
  6. Enter DTC P1876.

Has the test run and passed?

--

Go to Step 20

Go to Step 2

20

With the scan tool, observe the stored information, capture info and DTC info.

Does the scan tool display any DTCs that you have not diagnosed?

--

Go to Diagnostic Trouble Code (DTC) List - Vehicle in Vehicle DTC Information

System OK