GM Service Manual Online
For 1990-2009 cars only

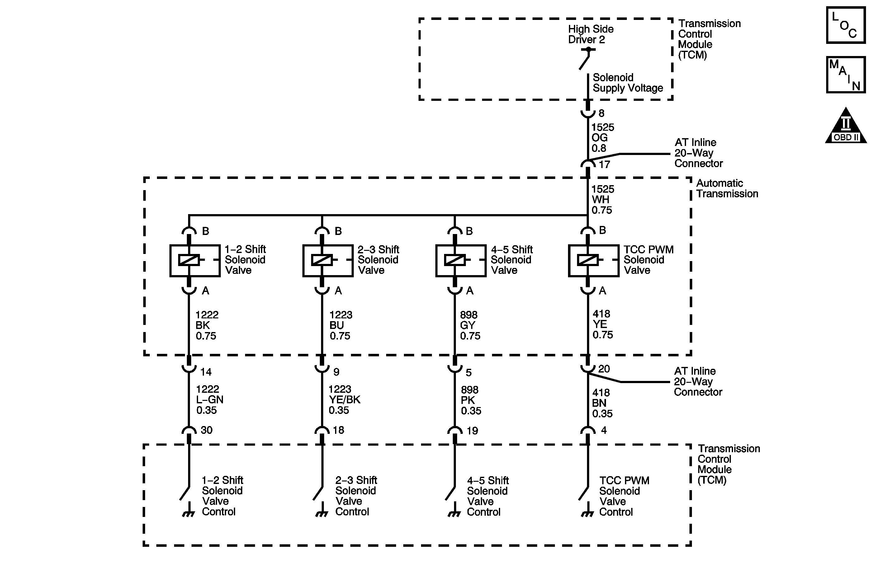
Object Number: 1400084  Size: MF
Master Electrical Component List
Automatic Transmission Controls Schematics
OBD II Symbol Description Notice

Circuit Description

The 1-2 shift solenoid valve is located in the control valve body of the transmission. The transmission control module (TCM) selects the required gear by turning the appropriate solenoid ON or OFF, enabling the transmission to shift. Refer to Shift Solenoid Valve State and Gear Ratio .

The TCM provides voltage to the solenoid through High Side Driver 2 (HSD2). The TCM uses a second driver to control the solenoid ground circuit. The controlled ground driver reports feedback voltage to the TCM. When the TCM commands the 1-2 shift solenoid valve ON, the voltage of the control circuit should be approximately 0 volts. When the TCM commands the 1-2 shift solenoid valve OFF, the voltage of the control circuit should be approximately system voltage.

When the TCM detects a continuous short to voltage in the 1-2 shift solenoid valve circuit, then DTC P0974 sets. DTC P0974 is a type B DTC.

Conditions for Running the DTC

    • The engine run time is greater than 5 seconds.
    • HSD2 is commanded ON.

Conditions for Setting the DTC

DTC P0974 sets when the TCM detects a short to voltage in the 1-2 shift solenoid valve circuit for 4.3 seconds.

Action Taken When the DTC Sets

    • The TCM requests the ECM to illuminate the malfunction indicator lamp (MIL) during the second consecutive drive trip in which the Conditions for Setting the DTC are met.
    • The TCM commands maximum line pressure.
    • The TCM inhibits 3-2 downshifts if the vehicle speed is greater than 8 km/h (5 mph).
    • The TCM freezes transmission adaptive functions.
    • At the time of the first failure, the TCM records the operating conditions when the Conditions for Setting the DTC are met. The TCM stores this information as a Failure Record.
    • At the time of the second failure, the ECM records the operating conditions when the Conditions for Setting the DTC are met. The ECM stores this information as a Freeze Frame.
    • The TCM stores DTC P0974 in TCM history.

Conditions for Clearing the MIL/DTC

    • The ECM turns OFF the MIL after the sixth consecutive drive trip in which the TCM does not send a MIL illumination request.
    • A scan tool can clear the MIL/DTC.
    • The TCM clears the DTC from TCM history if the vehicle completes 40 warm-up cycles without an emission related diagnostic fault occurring.
    • The TCM cancels the default actions when the ignition is OFF long enough in order to power down the TCM.

Test Description

The number below refers to the step number on the diagnostic table.

  1. Listen for an audible click when the solenoid energizes.

Step

Action

Value(s)

Yes

No

1

Did you perform the Diagnostic System Check - Vehicle?

--

Go to Step 2

Go to Diagnostic System Check - Vehicle in Vehicle DTC Information

2

  1. Install a scan tool.
  2. Turn ON the ignition with the engine OFF.
  3. Important: 

       • Before clearing the DTC, use the scan tool in order to record the ECM Freeze Frame and the TCM Failure Records. Using the Clear Info function erases the Freeze Frame and Failure Records from the ECM and the TCM.
       • Using the Clear Info function erases stored DTCs in both the ECM and TCM.

  4. Record the DTC Freeze Frame and Failure Records.
  5. Clear the DTC.
  6. Use the scan tool in order to command the 1-2 shift solenoid ON and OFF.

Does the solenoid click?

--

Go to Step 8

Go to Step 3

3

  1. Turn OFF the ignition.
  2. Disconnect the AT 20-way inline harness connector.
  3. Install the J 45681 jumper harness to the TCM side of the 20-way connector.
  4. Turn ON the ignition with the engine OFF.
  5. With the test lamp connected to ground, probe the the solenoid supply voltage circuit of the J 45681 .

Does the test lamp illuminate?

--

Go to Step 4

Go to Step 6

4

  1. Turn OFF the ignition.
  2. Install the J 45681 to the transmission side of the 20-way connector.
  3. Using the DMM, measure the resistance between the solenoid supply voltage circuit and the 1-2 shift solenoid valve control circuit of the J 45681 .
  4. Refer to Component Resistance .

Is the resistance within the specified range?

15.0-20.3 ohms

Go to Step 5

Go to Step 7

5

  1. Disconnect the TCM.
  2. Test the 1-2 shift solenoid valve control circuit for a short to voltage. Refer to Testing for a Short to Voltage in Wiring Systems.

Did you find a condition?

--

Go to Step 9

Go to Step 8

6

  1. Turn OFF the ignition.
  2. Disconnect the TCM.
  3. Test the solenoid supply voltage circuit from the TCM to the AT Inline 20-way connector for an open circuit. Refer to Testing for Continuity in Wiring Systems.

Did you find a condition?

--

Go to Step 9

Go to Step 8

7

  1. Remove the transmission oil pan.
  2. Test the solenoid supply voltage circuit from the 20-way connector to the 1-2 shift solenoid valve connector for a short to voltage. Refer to Testing for a Short to Voltage in Wiring Systems.

Did you find a condition?

--

Go to Step 10

Go to Step 11

8

Replace the TCM. Refer to Transmission Control Module Replacement .

Is the action complete?

--

Go to Step 12

--

9

Perform the necessary wiring repairs. Refer to Wiring Repairs in Wiring Systems.

Is the action complete?

--

Go to Step 12

--

10

Replace the AT internal transmission wiring harness. Refer to Transmission Internal Electrical Harness Replacement .

Is the action complete?

--

Go to Step 12

--

11

Replace the 1-2 shift solenoid valve. Refer to 1-2 Shift Solenoid Valve Replacement .

Is the action complete?

--

Go to Step 12

--

12

Perform the following procedure in order to verify the repair:

  1. Select DTC.
  2. Select Clear Info.
  3. Turn ON the ignition, with the engine OFF.
  4. Select Specific DTC.
  5. Enter DTC P0974.

Has the test run and passed?

--

Go to Step 13

Go to Step 2

13

With the scan tool, observe the stored information, capture info and DTC info.

Does the scan tool display any DTCs that you have not diagnosed?

--

Go to Diagnostic Trouble Code (DTC) List - Vehicle in Vehicle DTC Information

System OK