GM Service Manual Online
For 1990-2009 cars only
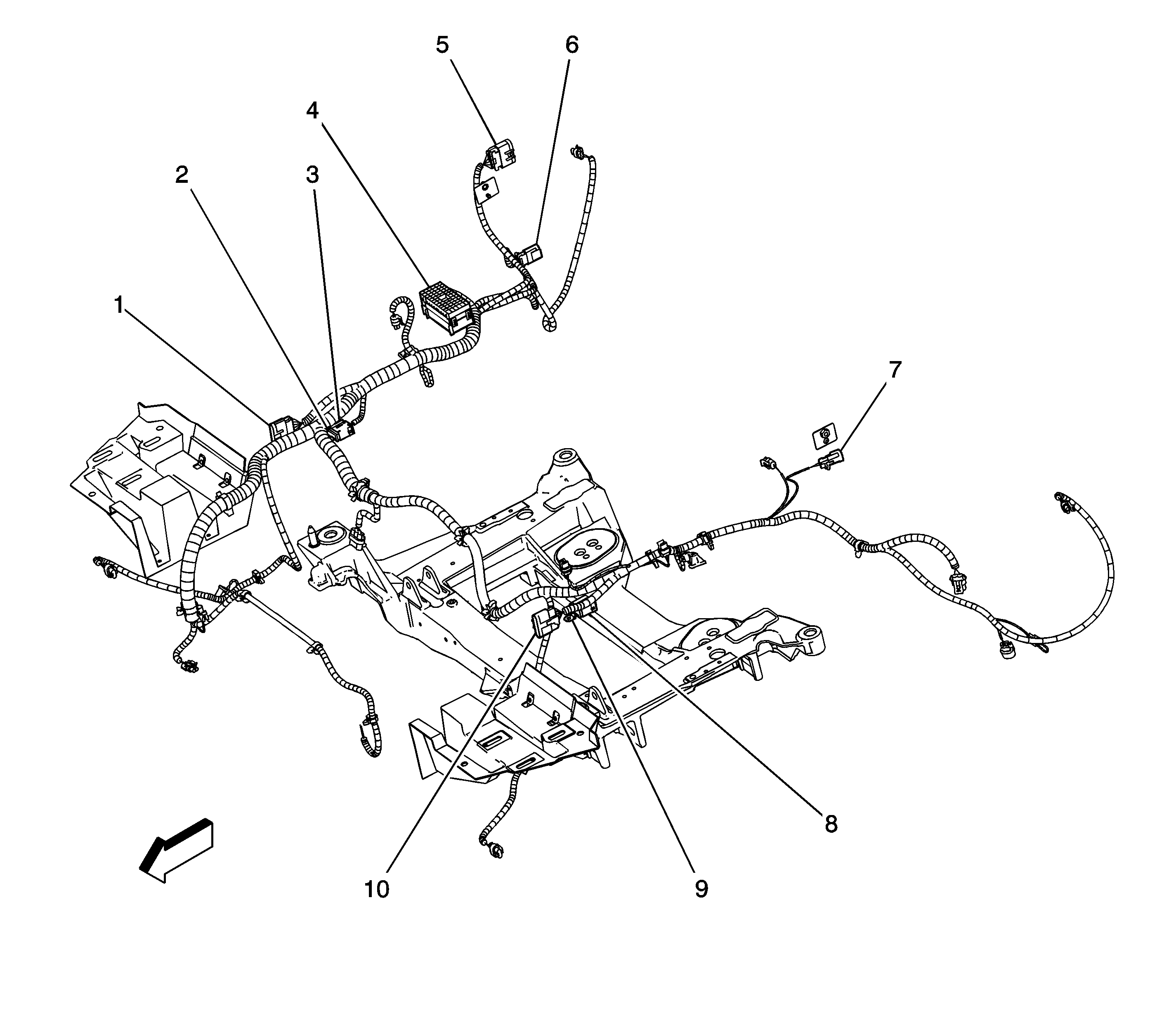
Figure 1:

Forward Lamp Harness


Object Number: 1361150  Size: LF
(1)C120
(2)G102
(3)Splice Pack, SP102
(4)Fuse Block - Underhood C1
(5)C186
(6)C168
(7)C131
(8)Splice Pack, SP101
(9)G101
(10)C119
Figure 2:

Headlamp Splices


Object Number: 1863947  Size: LF
(1)Headlamp Assembly-Left
(2)S119
(3)S120
(4)Headlamp Assembly-Right
Figure 3:

G104


Object Number: 1858144  Size: LF
(1)Headlamp Assembly - RH
(2)G104
(3)Battery Tray
Figure 4:

Top of the Engine


Object Number: 1276512  Size: LF
(1)Camshaft Position (CMP) Actuator Solenoid Bank 1 Exhaust
(2)Camshaft Position (CMP) Sensor Bank 1 Exhaust
(3)Camshaft Position (CMP) Sensor Bank 1 Intake
(4)Camshaft Position (CMP) Actuator Solenoid Bank 1 Intake
(5)Manifold Absolute Pressure (MAP) Sensor
(6)C140
(7)Ignition Coil/Module 1
(8)Fuel Injector 1
(9)Ignition Coil/Module 3
(10)Fuel Injector 3
(11)Ignition Coil/Module 5
(12)Fuel Injector 5
(13)Ignition Coil/Module 7
(14)Fuel Injector 7
(15)Fuel Injector 6
(16)Starter
(17)C148
(18)Fuel Injector 8
(19)C139
(20)Ignition Coil/Module 8
(21)Ignition Coil/Module 6
(22)Ignition Coil/Module 4
(23)Fuel Injector 4
(24)Ignition Coil/Module 2
(25)Fuel Injector 2
(26)Camshaft Position (CMP) Actuator Solenoid Bank 2 Exhaust
(27)Camshaft Position (CMP) Sensor Bank 2 Exhaust
(28)Camshaft Position (CMP) Sensor Bank 2 Intake
(29)Camshaft Position (CMP) Actuator Solenoid Bank 2 Intake
(30)Evaporative Emission (EVAP) Canister Purge Valve
(31)Throttle Body Assembly
Figure 5:

Ignition Coil Harness Splices (LC3 Shown LH2 Similar)


Object Number: 1859217  Size: LF
(1)C139
(2)S131
(3)S133
(4)S135
(5)C140
(6)S142
(7)S144
(8)S146
Figure 6:

Engine Harness Routing 1 of 2


Object Number: 1689363  Size: LF
(1)G106
(2)Fuse Block - Underhood
(3)S105
(4)C186 Engine Harness to Forward Lamp Harness
(5)C180 Engine Harness to I/P Harness
(6)C184 Engine Harness to Transmission Harness
(7)C182 Engine Harness to I/P Harness
(8)Engine Control Module (ECM) Connectors
(9)Splice Pack SP106
(10)C148 Engine Harness to Knock Sensor (KS)/Crankshaft Position (CKP) Sensor Jumper Harness
(11)C188 Engine Harness to Starter Solenoid Jumper Harness
Figure 7:

Engine Harness Routing 2 of 2


Object Number: 1689364  Size: LF
(1)S238
(2)S244
(3)S195
(4)G107
(5)S193
(6)S191
(7)G105
Figure 8:

I/P Body Harness Splices - Instrument Panel


Object Number: 1859207  Size: LF
(1)S238
(2)S236
(3)S234
(4)S211
(5)S237
(6)S231
(7)S240
(8)S244
(9)S251
(10)S242
(11)S255
(12)S232
(13)S248
(14)S228
(15)S230
(16)S222
(17)S224
(18)S226
(19)S227
(20)S275
Figure 9:

Steering Wheel


Object Number: 1863944  Size: LF
(1)Inflatable Restraint Steering Wheel Module Coil - C5
(2)S293
(3)Steering Wheel Controls - Right
(4)Horn Switch Contacts
Figure 10:

SP201, SP202, SP205, SP208


Object Number: 1858353  Size: LF
(1)SP201
(2)SP205
(3)I/P Upper Trim Pad
(4)I/P Compartment Door
(5)SP208
(6)SP202
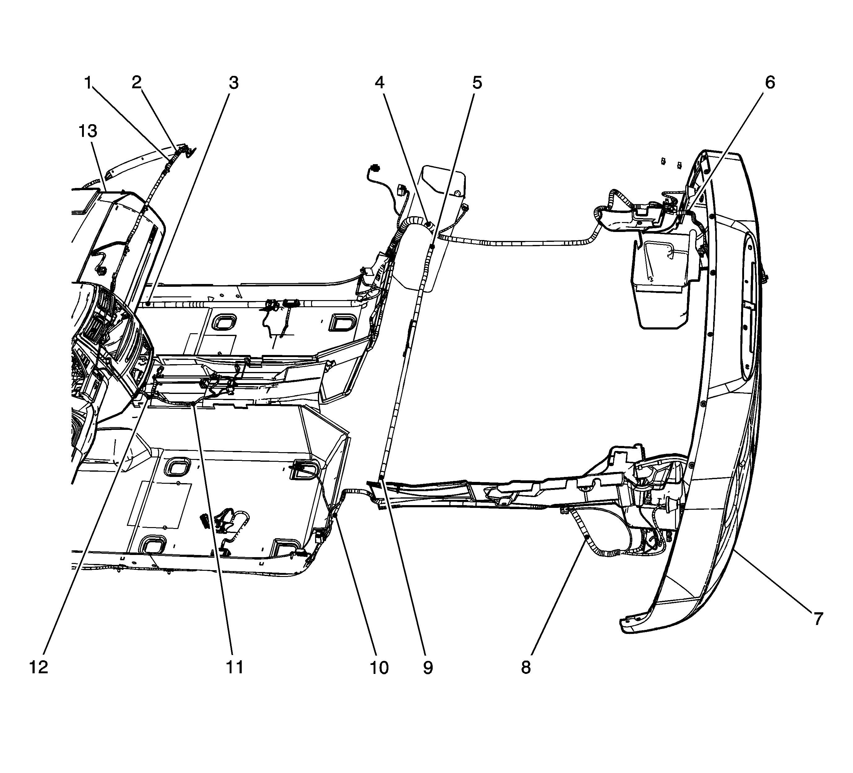
Figure 11:

Instrument Panel Harness


Object Number: 1361208  Size: LF
(1)DLC Connector
(2)C231
(3)C311
(4)Fuse Block - Underhood C3
(5)Fuse Block - Underhood C4
(6)C220
(7)Auxiliary Power Relay
(8)Splice Pack, SP208
(9)C180
(10)C600
(11)C602
(12)Splice Pack, SP202
(13)G202
(14)C380
(15)C382
(16)Splice Pack, SP302
(17)G302
(18)C482
(19)C480
(20)C455
(21)C437
(22)C433
(23)C435
(24)Splice Pack, SP301
(25)G301
(26)C377
(27)C375
(28)C379
(29)Splice Pack, SP201
(30)G201
(31)C501
(32)C503
Figure 12:

I/P Body Harness Splices - Passenger Compartment


Object Number: 1859203  Size: LF
(1)S310
(2)S312
(3)S208
(4)S310
(5)S353
(6)S422
(7)Rear Fascia
(8)S415
(9)S355
(10)S375
(11)S276 (Except Export)
(12)S246
(13)Instrument Panel
Figure 13:

Driver Door


Object Number: 1858118  Size: LF
(1)C555
(2)Outside Rearview Mirror
(3)Outside Rearview Mirror Connectors
(4)S539
(5)C501
(6)C503
(7)S579
(8)S559
(9)Window Motor
(10)Door Latch Assembly
Figure 14:

Passenger Door


Object Number: 1858117  Size: LF
(1)Outside Rearview Mirror
(2)Window Motor
(3)Door Latch Assembly
(4)S660
(5)S680
(6)C666
(7)C600
(8)C607
(9)C911
(10)Outside Rearview Mirror Connectors
Figure 15:

Fuel Tanks


Object Number: 901394  Size: LF
(1)Fuel Tank - Left
(2)Fuel Pump and Sender Assembly
(3)C420
(4)Fuel Tank Pressure (FTP) Sensor
(5)Secondary Fuel Level Sender
(6)Fuel Tank - Right
(7)C460
(8)C459
Figure 16:

Transmission Harness Routing


Object Number: 1858066  Size: LF
(1)S420
(2)C420
(3)C400
(4)C440
(5)G402
(6)C439
(7)G401
Figure 17:

Rear Decklid Harness Routing


Object Number: 1858160  Size: LF
(1)Folding Top
(2)C960
(3)S939
(4)C935
(5)C455
(6)C911
(7)S935
(8)S931
Figure 18:

Folding Top Harness Routing


Object Number: 1858080  Size: LF
(1)C333
(2)Intrusion Sensor
(3)Folding Top
(4)C431
(5)C435
(6)Folding Top Pump and Valve Assembly
(7)C911
(8)C455
(9)C433
(10)Folding Top Module
Figure 19:

Folding Top Harness - Splices


Object Number: 1859200  Size: LF
(1)S319
(2)S337
(3)S339
(4)S335
(5)S333
(6)S331
Figure 20:

Rear Fascia Harness Splices


Object Number: 1859212  Size: LF
(1)Rear Object Sensor Harness
(2)S480
(3)S479
(4)Rear Fascia
Figure 21:

Rear Fascia - Export


Object Number: 1863883  Size: LF
(1)Fog Lamp - RR
(2)Backup Lamp - Right
(3)C960
(4)S960
(5)S962
(6)Backup Lamp - Left
(7)Fog Lamp - LR
(8)Rear Fascia